intake manifold (4V; 2006-03-01~2007-06-01) Diagram Suzuki KEI/SWIFT
- Year
- 2006 - 2011
- Sales region
- Japan
- Engine
- 4V
- drive
- 2WD
- transmission
- AT
- grade
- E
- abs
- ABS-N
- deice
- DEICE-N
Difficulties in parts search?
Difficulties in parts search?
| Description | OEM Part # | Price | |||
|---|---|---|---|---|---|
|
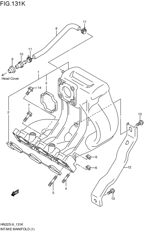
1
|
1
13110-83G01-000
マニホールド,インテーク
4V; 2006-03-01~2007-06-01 |
13110-83G01-000 |
— | ||
|
2
|
2
13119-83G00-000 GASKET,INTK MANF4V; 2006-03-01~2007-06-01 |
13119-83G00-000 |
from US $15.44 |
||
|
3
|
3
13421-83G00-000 GASKET,THROTTLE BODY4V; 2006-03-01~2007-06-01 |
13421-83G00-000 |
from US $8.60 |
||
|
4
|
4
01411-0625A-000 BOLT,STUD4V; 2006-03-01~2007-06-01 |
01411-0625A-000 |
US $0.96 |
||
|
5
|
5
01411-0635A-000 BOLT,STUD4V; 2006-03-01~2007-06-01 |
01411-0635A-000 |
US $9.90 |
||
|
6
|
6
08316-1006A-000 NUT4V; 2006-03-01~2007-06-01 |
08316-1006A-000 |
from US $0.80 |
||
|
7
|
7
01550-0635A-000 Bolt4V; 2006-03-01~2007-06-01 |
01550-0635A-000 |
from US $0.96 |
||
|
8
|
8
11192-78G11-000
ホース,PCV
4V; 2006-03-01~2007-06-01 |
11192-78G11-000 |
— | ||
|
9
|
9
11198-58B00-000 SEAL,PCV VALVESeal, pcv valve 4V; 2006-03-01~2007-06-01 |
11198-58B00-000 |
US $5.20 |
||
| replacement | |||||
|
9
|
9
11198-98L00-000 Seal,pcv Valve4V; 2006-03-01~2007-06-01 |
11198-98L00-000 |
from US $2.74 |
||
|
10
|
10
18118-73G10-000 VALVE,PCV4V; 2006-03-01~2007-06-01 |
18118-73G10-000 |
US $39.20 |
||
|
11
|
11
09401-13414-000 CLIPClip, pcv hose 4V; 2006-03-01~2007-06-01 |
09401-13414-000 |
from US $1.60 |
||
|
12
|
12
13163-73H01-000
スチフナ,インテークマニホールド,NO.3
4V; 2006-03-01~2007-06-01 |
13163-73H01-000 |
— | ||
|
13
|
13
01550-0816A-000 BOLTBolt, rear 4V; 2006-03-01~2007-06-01 |
01550-0816A-000 |
from US $0.91 |
||
|
14
|
14
01550-0625A-000 BOLTBolt 4V; 2006-03-01~2007-06-01 |
01550-0625A-000 |
from US $0.96 |
||