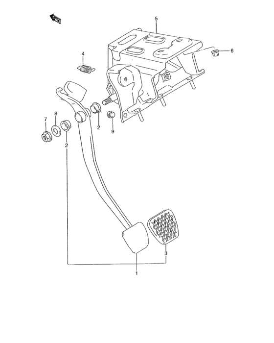
A clutch pedal (MT) Diagram Suzuki KEI/SWIFT
- Year
- -
- Sales region
- Caribbean
- transmission
- MT
Difficulties in parts search?
Parts list
Difficulties in parts search?
| Description | OEM Part # | Price | |||
|---|---|---|---|---|---|
|
1
|
1
49810-50G50-000
Pedal, clutch
|
49810-50G50-000 |
— | ||
|
2
|
2
49675-50G50-000
Bush, pedal boss
|
49675-50G50-000 |
— | ||
|
3
|
3
49751-50G50-000
PAD,PEDAL
|
49751-50G50-000 |
— | ||
|
4
|
4
49891-50G51-000
Spring, clutch pedal return
|
49891-50G51-000 |
— | ||
|
5
|
5
49710-50G50-000
Bracket, pedal
|
49710-50G50-000 |
— | ||
|
6
|
6
09159-08069-000
Nut
|
09159-08069-000 |
— | ||
| replacement | |||||
|
6
|
6
09159-08135-000 NUT |
09159-08135-000 |
from US $0.77 |
||
|
7
|
7
09159-10076-000
Nut, pedal shaft
|
09159-10076-000 |
— | ||
|
8
|
8
49882-50G50-000
Washer, plain
|
49882-50G50-000 |
— | ||
|
9
|
9
49719-50G50-000
Pad, pedal stopper
|
49719-50G50-000 |
— | ||