At valve overhaul set (AT) Diagram Suzuki SIDEKICK

Year
-
Sales region
Caribbean
transmission
AT
grade
JX

Difficulties in parts search?

Parts list
At valve overhaul set

Difficulties in parts search?

At valve overhaul set
Description OEM Part # Price
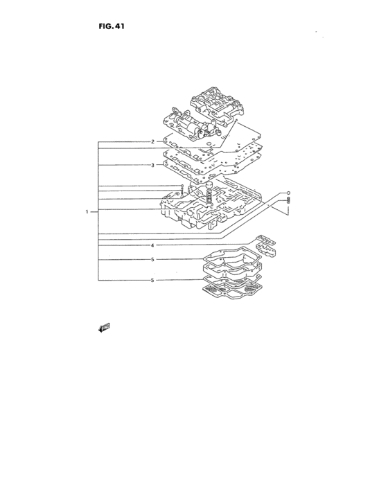
1
1

26580-57BT0-000

OVERHAUL SET,VALVE BODY

26580-57BT0-000

US $275.20

2
2

26584-57B01-000

GASKET,UPR VALVE BODY

26584-57B01-000

US $29.60

3
3

26585-57B01-000

GASKET,LWR VALVE BODY

26585-57B01-000

US $29.60

4
4

26581-57B00-000

GASKET,BRAKE APPLY COVER

26581-57B00-000

US $10.08

5
5

26583-57B00-000

GASKET,OIL SCREEN

26583-57B00-000

from US $14.67

At valve overhaul set (AT) Diagram Suzuki SIDEKICK Caribbean 3808011-327396