Gear shift control (MT) Diagram Suzuki SIDEKICK

Year
-
Sales region
Caribbean
transmission
MT
grade
JLX

Difficulties in parts search?

Parts list
Gear shift control

Difficulties in parts search?

Gear shift control
Description OEM Part # Price
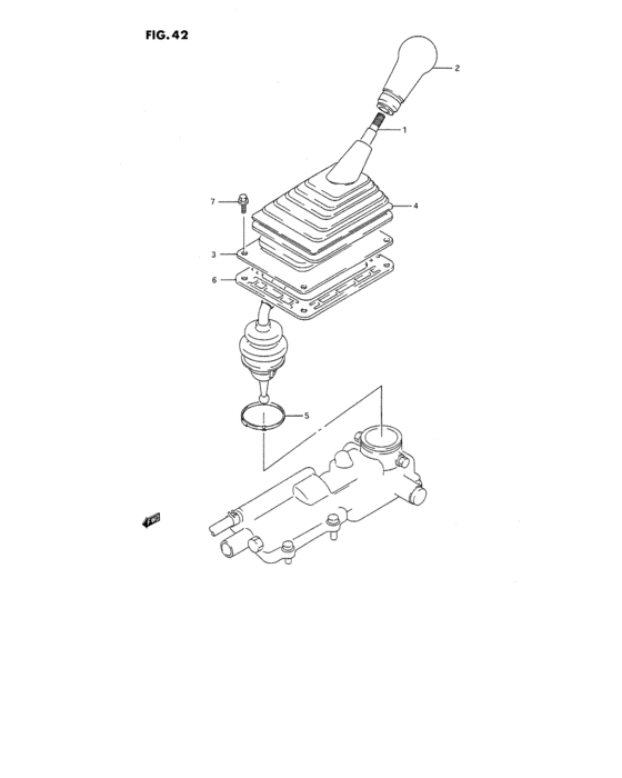
1
1
28101-60A02-000
LEVER,GEAR SHF CONT

28101-60A02-000

2
2

28113-60A00-000

KNOB,GEAR SHIFT CONTROL LEVER

28113-60A00-000

US $60.80

3
3

28136-85F40-000

BOOT,GR SHF CONT LEVER NO.2

28136-85F40-000

US $76

4
4

28138-60A01-000

BOOT,GR SHF CONT LEVER NO.3

28138-60A01-000

from US $26.08

5
5

09401-57901-000

CLAMP

09401-57901-000

US $7.84

6
6

28137-60A01-000

COVER,GEAR SHF CONT BOOT

28137-60A01-000

US $26.40

7
7
01550-06123-000
Bolt

01550-06123-000

replacements
7
7

01550-0612B-000

BOLT

Bolt, clamp

01550-0612B-000

from US $0.76

7
7

01550-0612A-000

BOLT

01550-0612A-000

from US $0.76

Gear shift control (MT) Diagram Suzuki SIDEKICK Caribbean 3808012-327397