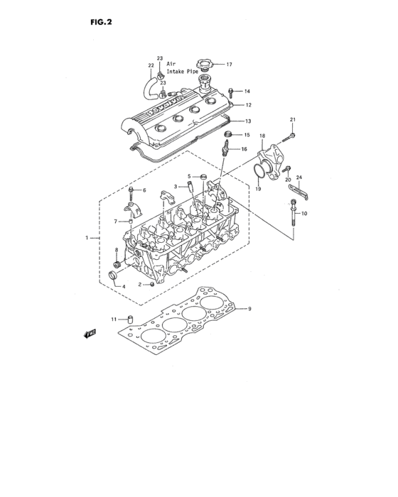
Cylinder head (CYLINDER HEAD) Diagram Suzuki SIDEKICK
- Year
- -
- Sales region
- Caribbean
- transmission
- MT
- grade
- JX
Difficulties in parts search?
Difficulties in parts search?
| Description | OEM Part # | Price | |||
|---|---|---|---|---|---|
|
1
|
1
11110-57810-000
ヘッドアッシ,シリンダ
<-11100-57B01 |
11110-57810-000 |
— | ||
| replacement | |||||
|
1
|
1
11110-57812-000 HEAD ASSY,CYLINDER<-11100-57B01 |
11110-57812-000 |
US $1,582.40 |
||
|
1
|
1
11100-57B02-000
Head assy, cylinder
TD01V-100847~,JSAETD01V00113959~ |
11100-57B02-000 |
— | ||
| replacement | |||||
|
1
|
1
11100-52G01-000 HEAD ASSY,CYLINDERTD01V-100847~,JSAETD01V00113959~ |
11100-52G01-000 |
US $2,240 |
||
|
2
|
2
11112-73001-000
プラグ,オイルベンチュリ
|
11112-73001-000 |
— | ||
| replacement | |||||
|
2
|
2
11112-73010-000 PLUG,OIL VENTURI |
11112-73010-000 |
US $1.60 |
||
|
3
|
3
11115-60B11-001 GUIDE,VALVE |
11115-60B11-001 |
US $12.73 |
||
|
4
|
4
09241-30009-000
Plug
|
09241-30009-000 |
— | ||
| replacement | |||||
|
4
|
4
09241-30010-000 PLUG |
09241-30010-000 |
US $2.40 |
||
|
5
|
5
09241-20006-000 PLUGPlug, crank pin oil |
09241-20006-000 |
from US $1.44 |
||
|
6
|
6
09103-06132-000 BOLT(6X41) |
09103-06132-000 |
from US $1.17 |
||
|
7
|
7
09206-08001-000 PIN(8X11) |
09206-08001-000 |
from US $1.26 |
||
|
8
|
8
09246-16012-000
New Genuine Part
|
09246-16012-000 |
— | ||
| replacements | |||||
|
8
|
8
09246-16010-000 PLUG |
09246-16010-000 |
US $4.46 |
||
|
8
|
8
09246-16021-000 Plug,t/m Oil Drain |
09246-16021-000 |
from US $4.01 |
||
|
9
|
9
11141-71C00-000 GASKET,CYL HEAD |
11141-71C00-000 |
from US $74.99 |
||
|
10
|
10
11117-73G00-000 BOLT,CYLINDER HEAD |
11117-73G00-000 |
from US $4.32 |
||
|
11
|
11
04211-13189-000 PIN |
04211-13189-000 |
from US $1.19 |
||
|
12
|
12
11170-57B02-000
Cover,cylinder head
|
11170-57B02-000 |
— | ||
|
12
|
12
11170-57B03-000 Cover,cylinder headTD01V-100511~,JSAETD01V00110083~ |
11170-57B03-000 |
US $371.68 |
||
|
13
|
13
11189-71C00-000 GASKET,CYL HEAD COVERGasket, cylinder head cover |
11189-71C00-000 |
from US $11.12 |
||
|
14
|
14
11178-71C00-000
Bolt
|
11178-71C00-000 |
— | ||
| replacement | |||||
|
14
|
14
11178-71C10-000 BOLT,CYLINDER HEAD COVER |
11178-71C10-000 |
from US $1.17 |
||
|
15
|
15
11179-71C01-000 O-RING |
11179-71C01-000 |
from US $1.98 |
||
|
16
|
16
09482-00426-000 PLUG,SPARK(NGK BK6E) |
09482-00426-000 |
US $6.22 |
||
|
16
|
16
09482-00428-000
Spark Plug
|
09482-00428-000 |
— | ||
| replacements | |||||
|
16
|
16
09482-00494-000 SPARK PLUG (NGK BKR6E-11) |
09482-00494-000 |
from US $4.70 |
||
|
16
|
16
09482-00427-000 SPARK PLUG (NGK BKR6E)BKR6E |
09482-00427-000 |
from US $5.20 |
||
|
16
|
16
09482-00429-000 PLUG,SPARK(ND K20PR-U) |
09482-00429-000 |
from US $6.14 |
||
|
16
|
16
09482-00427-000 SPARK PLUG (NGK BKR6E)BKR6E ,,,Thailand,Finland,Norway,Sweden,,Switzerland,Belgium,1,2,5,6,Sinagpore,,Italy,Hong Kong,Brazil,Austria,5,Iceland |
09482-00427-000 |
from US $5.20 |
||
|
16
|
16
09482-00429-000 PLUG,SPARK(ND K20PR-U),,,Thailand,Finland,Norway,Sweden,,Switzerland,Belgium,1,2,5,6,Sinagpore,,Italy,Hong Kong,Brazil,Austria,5,Iceland |
09482-00429-000 |
from US $6.14 |
||
|
16
|
16
09482-00505-000
スパークプラグ,FR7DC (BOSCH)
,,,Thailand,Finland,Norway,Sweden,,Switzerland,Belgium,1,2,5,6,Sinagpore,,Italy,Hong Kong,Brazil,Austria,5,Iceland |
09482-00505-000 |
— | ||
| replacement | |||||
|
16
|
16
09482-00427-000 SPARK PLUG (NGK BKR6E)BKR6E ,,,Thailand,Finland,Norway,Sweden,,Switzerland,Belgium,1,2,5,6,Sinagpore,,Italy,Hong Kong,Brazil,Austria,5,Iceland |
09482-00427-000 |
from US $5.20 |
||
|
17
|
17
16920-86502-000
Cap, oil filler
|
16920-86502-000 |
— | ||
| replacements | |||||
|
17
|
17
16920-83G00-000
Cap,oil filler
|
16920-83G00-000 |
— | ||
|
17
|
17
16920-83G01-000
CAP OIL FILLER
|
16920-83G01-000 |
— | ||
|
18
|
18
11161-57B00-000
ケース,ディストリビュータ
->11161-57B01,USED WITH 01550-06453 |
11161-57B00-000 |
— | ||
| replacements | |||||
|
18
|
18
11161-57B01-000
CASE,DISTRIBUTOR
->11161-57B01,USED WITH 01550-06453 |
11161-57B01-000 |
— | ||
|
18
|
18
01550-0645A-000 Bolt->11161-57B01,USED WITH 01550-06453 |
01550-0645A-000 |
from US $0.96 |
||
|
18
|
18
01550-06453-000
Bolt
->11161-57B01,USED WITH 01550-06453 |
01550-06453-000 |
— | ||
|
18
|
18
11161-57B01-000
CASE,DISTRIBUTOR
TD01V-103130~,JSAETD01V00125567~ |
11161-57B01-000 |
— | ||
|
19
|
19
11162-71C01-000
Oリング,ケース
|
11162-71C01-000 |
— | ||
| replacement | |||||
|
19
|
19
11162-71C10-000 O-RING,CASEO ring, dli sensor case |
11162-71C10-000 |
from US $2.24 |
||
|
20
|
20
01550-06303-000
Bolt (6x30)
|
01550-06303-000 |
— | ||
| replacement | |||||
|
20
|
20
01550-0630A-000 BOLT |
01550-0630A-000 |
from US $0.96 |
||
|
21
|
21
01550-06553-000
Bolt
|
01550-06553-000 |
— | ||
| replacement | |||||
|
21
|
21
01550-0655B-000 BoltBolt, hydraulic unit no.2 |
01550-0655B-000 |
from US $0.91 |
||
|
21
|
21
01550-06453-000
Bolt
TD01V-103130~,JSAETD01V00125567~ |
01550-06453-000 |
— | ||
|
22
|
22
11191-57B00-000 HOSE,BREATHERTYPE 2 |
11191-57B00-000 |
US $11.08 |
||
|
22
|
22
11192-80F00-000 HOSE,BREATHERTYPE 2,Finland,Norway,Sweden,JSAETD01V00110083~ |
11192-80F00-000 |
US $24 |
||
|
22
|
22
11191-58B00-000 HOSE,BREATHERTYPE 3 |
11191-58B00-000 |
from US $11 |
||
|
23
|
23
09401-18404-000 CLIP |
09401-18404-000 |
from US $1.33 |
||