Speedometer (TYPE 3) Diagram Suzuki SIDEKICK
- Year
- -
- Sales region
- Caribbean
- transmission
- MT
- grade
- JX
Difficulties in parts search?
Difficulties in parts search?
| Description | OEM Part # | Price | |||
|---|---|---|---|---|---|
|
1
|
1
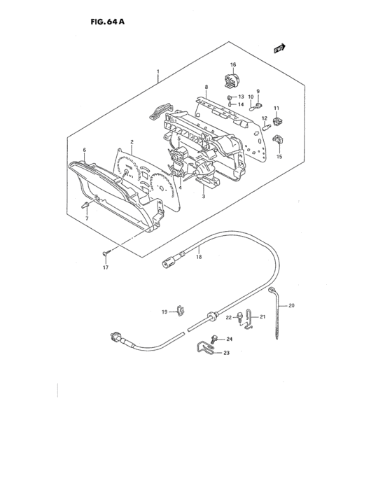
34100-74E60-000
Speedometer assy
MT: |
34100-74E60-000 |
— | ||
|
1
|
1
34100-75E50-000
Speedometer assy
MT: |
34100-75E50-000 |
— | ||
|
1
|
1
34100-76E90-000
Speedometer assy
MT:Saudi Arabia |
34100-76E90-000 |
— | ||
|
2
|
2
34120-74E60-000
Body assy,speedometer
MT |
34120-74E60-000 |
— | ||
|
2
|
2
34120-75E50-000
BODY ASSY,SPEEDOMETER
MT |
34120-75E50-000 |
— | ||
|
2
|
2
34120-76E90-000
Body assy, speedometer
MT:Saudi Arabia |
34120-76E90-000 |
— | ||
|
3
|
3
34220-71E70-000
ボディアッシ,タコメータ
|
34220-71E70-000 |
— | ||
|
4
|
4
34320-71E70-000
ボディアッシ,フューエルメータ
|
34320-71E70-000 |
— | ||
|
5
|
5
34420-71E70-000
BODY ASSY,TEMP METER
|
34420-71E70-000 |
— | ||
|
6
|
6
34113-60A10-000
GLASS,FR
|
34113-60A10-000 |
— | ||
|
7
|
7
34145-80200-000 COVER,TRIP METER NOB |
34145-80200-000 |
US $2.24 |
||
|
8
|
8
34152-71E70-000
Plate, printed
|
34152-71E70-000 |
— | ||
| replacement | |||||
|
8
|
8
34152-76E80-000
PLATE,PRINTED
|
34152-76E80-000 |
— | ||
|
8
|
8
34152-74E40-000
Plate, printed
,,Sweden,Switzerland,Belgium,1,,2,Italy,Austria,Czech Republic |
34152-74E40-000 |
— | ||
|
8
|
8
34152-76E80-000
PLATE,PRINTED
Saudi Arabia |
34152-76E80-000 |
— | ||
|
9
|
9
34172-71E70-000 SOCKET,BULBSocket |
34172-71E70-000 |
from US $2.40 |
||
|
10
|
10
34171-71E70-000 BULB,12V 2W |
34171-71E70-000 |
US $2.24 |
||
|
11
|
11
34172-50E10-000 SOCKET |
34172-50E10-000 |
US $1.60 |
||
|
12
|
12
09471-12092-000 BULB(12V3.4W G30) |
09471-12092-000 |
US $2.56 |
||
|
13
|
13
34175-78900-000 SOCKETMT: |
34175-78900-000 |
US $1.52 |
||
|
14
|
14
09471-12055-000 BULB(14V1.4W,T5)MT: |
09471-12055-000 |
from US $2.40 |
||
|
15
|
15
34155-50E10-000 CIRCUIT,ABS WARNING |
34155-50E10-000 |
US $40.48 |
||
|
16
|
16
34160-66B20-000
Buzzer assy
Saudi Arabia |
34160-66B20-000 |
— | ||
|
17
|
17
03541-05203-000
Screw
|
03541-05203-000 |
— | ||
| replacement | |||||
|
17
|
17
03541-0520A-000 SCREW |
03541-0520A-000 |
from US $0.76 |
||
|
18
|
18
34910-62A40-000 CABLE ASSY,SPEEDOMETERMT:RHD |
34910-62A40-000 |
US $92 |
||
|
18
|
18
34910-60A41-000
CABLE ASSY,SPEEDOMETER
LHD |
34910-60A41-000 |
— | ||
|
19
|
19
09403-07306-000 CLAMPClamp |
09403-07306-000 |
from US $2.56 |
||
|
20
|
20
09407-18403-000
Clamp, switch wire
LHD |
09407-18403-000 |
— | ||
| replacement | |||||
|
20
|
20
09407-18402-000 CLAMP(L:165)Clamp (l:165) LHD |
09407-18402-000 |
from US $1.98 |
||
|
21
|
21
34926-60A00-000 CLAMP,SPEEDOMETER CABLE,NO.3MT |
34926-60A00-000 |
US $9.12 |
||
|
22
|
22
01550-06163-000
Bolt
MT |
01550-06163-000 |
— | ||
| replacements | |||||
|
22
|
22
01550-0616B-000 BOLTMT |
01550-0616B-000 |
from US $0.76 |
||
|
22
|
22
01550-0616A-000 BOLTMT |
01550-0616A-000 |
from US $0.76 |
||