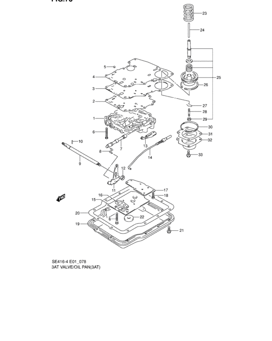
3at valve and oil pan (3AT) Diagram Suzuki SIDEKICK
- Year
- -
- Sales region
- All regions
- transmission
- 3AT
- grade
- JLX
Difficulties in parts search?
Difficulties in parts search?
| Description | OEM Part # | Price | |||
|---|---|---|---|---|---|
|
1
|
1
26510-61A11-000
VALVE ASSY,TRANSMISSION
W/CARBURETOR |
26510-61A11-000 |
— | ||
|
1
|
1
26510-61A30-000
VALVE ASSY,TRANSMISSION
W/FUEL INJECTION |
26510-61A30-000 |
— | ||
|
2
|
2
26566-61A01-000 GASKET,TRANSFER PLATE |
26566-61A01-000 |
US $14.29 |
||
|
3
|
3
26567-61A11-000
Plate,transfer
W/CARBURETOR |
26567-61A11-000 |
— | ||
|
3
|
3
26567-61A30-000
Plate, transfer
W/FUEL INJECTIOM |
26567-61A30-000 |
— | ||
|
4
|
4
26569-61A01-000 GASKET,VALVE BODY |
26569-61A01-000 |
US $20.53 |
||
|
5
|
5
22835-61A00-000
ボール,バルブボディ
|
22835-61A00-000 |
— | ||
|
6
|
6
26571-61A00-000
BOLT,VALVE BODY
|
26571-61A00-000 |
— | ||
|
7
|
7
26565-61A00-000
バルブ,マニュアル
|
26565-61A00-000 |
— | ||
|
8
|
8
25922-61A00-000
LINK,MANUAL VALVE
|
25922-61A00-000 |
— | ||
|
9
|
9
24723-61A01-000
SHAFT,MANUAL SELECT
M.NO.3434794~ |
24723-61A01-000 |
— | ||
|
10
|
10
24724-61A00-000
PIN,MANUAL SELECT SHAFT
|
24724-61A00-000 |
— | ||
|
11
|
11
25921-61A10-000
Lever, selector shaft inner
|
25921-61A10-000 |
— | ||
| replacement | |||||
|
11
|
11
25910-61A10-000
Actuator assy,parking lock
|
25910-61A10-000 |
— | ||
|
12
|
12
25923-61A01-000
Nut, parking lock lever
|
25923-61A01-000 |
— | ||
|
13
|
13
25930-61A00-000
ローラアッシ,デテント
|
25930-61A00-000 |
— | ||
|
14
|
14
25910-61A10-000
Actuator assy,parking lock
|
25910-61A10-000 |
— | ||
|
15
|
15
26950-61A00-000 SCREEN ASSY,OIL PUMP |
26950-61A00-000 |
US $70.69 |
||
|
16
|
16
26961-61A00-000 GASKET,SCREEN |
26961-61A00-000 |
US $9.90 |
||
|
17
|
17
26962-61A00-000
REINFORCEMENT,TRANSFER PLATE
|
26962-61A00-000 |
— | ||
|
18
|
18
26928-61A00-000
BOLT,SERVO PISTON COVER
|
26928-61A00-000 |
— | ||
|
19
|
19
24741-61A00-000 PAN,T/M OIL |
24741-61A00-000 |
US $241.68 |
||
|
20
|
20
24752-61A00-000 GASKET,T/M OIL PAN |
24752-61A00-000 |
from US $13.86 |
||
|
21
|
21
24753-61A00-000
BOLT,T/M OIL PAN
|
24753-61A00-000 |
— | ||
|
22
|
22
24751-61A00-000 MAGNET,T/M OIL PAN |
24751-61A00-000 |
from US $5.85 |
||
|
23
|
23
26923-61A00-000
SPRING,SERVO PISTON RETURN
|
26923-61A00-000 |
— | ||
|
24
|
24
26921-61A00-000
ロッド,サーボピストン
|
26921-61A00-000 |
— | ||
|
25
|
25
26970-61A02-000
Piston assy, servo
|
26970-61A02-000 |
— | ||
|
26
|
26
26912-61A00-000
リング,サーボピストンシール
|
26912-61A00-000 |
— | ||
|
27
|
27
26915-61A00-000
Clip,servo piston
|
26915-61A00-000 |
— | ||
|
28
|
28
26924-61A01-000
Stud bolt, piston adjuster
|
26924-61A01-000 |
— | ||
|
29
|
29
26925-61A01-000
Nut, adjust bolt
|
26925-61A01-000 |
— | ||
|
30
|
30
26922-61A00-000
リング,サーボピストンリテーナ
|
26922-61A00-000 |
— | ||
|
31
|
31
26927-61A00-000 GASKET,SERVO PISTON COVER |
26927-61A00-000 |
US $14.29 |
||
|
32
|
32
26926-61A00-000
カバー,サーボピストン
|
26926-61A00-000 |
— | ||
|
33
|
33
26928-61A00-000
BOLT,SERVO PISTON COVER
|
26928-61A00-000 |
— | ||