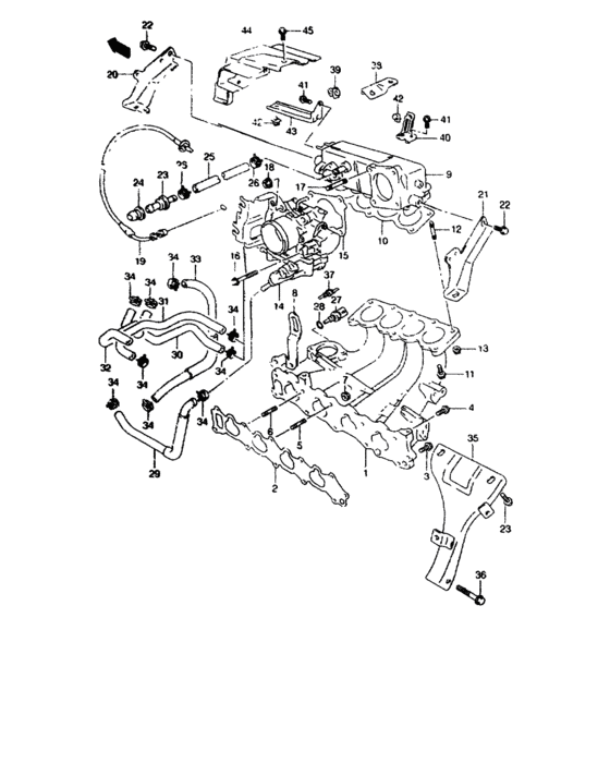
Intake manifold and throttle body Diagram Suzuki SIDEKICK
- Year
- -
- Sales region
- All regions
- transmission
- 3AT
- grade
- JX
Difficulties in parts search?
Difficulties in parts search?
| Description | OEM Part # | Price | |||
|---|---|---|---|---|---|
|
1
|
1
13110-58B01-000
マニホールド,インテーク
|
13110-58B01-000 |
— | ||
| replacement | |||||
|
1
|
1
13110-58B02-000
MANIFOLD,INTK
|
13110-58B02-000 |
— | ||
|
1
|
1
13110-58B20-000
Manifold, intake
,Sweden,2,Italy,Israel,JSAETA02C01150001~,JSAETA02V01150001~,JSAETD01V01150001~,JSAETD01VV1200001~ |
13110-58B20-000 |
— | ||
|
2
|
2
13119-57800-000
Gasket, intake manifold
|
13119-57800-000 |
— | ||
|
3
|
3
01550-08253-000
Bolt, rear
|
01550-08253-000 |
— | ||
| replacements | |||||
|
3
|
3
01550-0825B-000 BOLT |
01550-0825B-000 |
from US $0.96 |
||
|
3
|
3
01550-0825A-000 BOLT |
01550-0825A-000 |
from US $1.06 |
||
|
4
|
4
01550-08353-000
Bolt, rear
|
01550-08353-000 |
— | ||
| replacements | |||||
|
4
|
4
01550-0835B-000 BOLT |
01550-0835B-000 |
from US $1.12 |
||
|
4
|
4
01550-0835A-000 BOLT |
01550-0835A-000 |
from US $1.06 |
||
|
5
|
5
01421-08253-000
Stud bolt, no.2
|
01421-08253-000 |
— | ||
| replacement | |||||
|
5
|
5
01421-0825A-000 BOLT,STUD |
01421-0825A-000 |
from US $1.12 |
||
|
6
|
6
01421-08353-000
Bolt, stud
|
01421-08353-000 |
— | ||
| replacement | |||||
|
6
|
6
01421-0835A-000 BOLT,STUDStud bolt (8x35) |
01421-0835A-000 |
from US $1.44 |
||
|
7
|
7
08316-10083-000
Nut
|
08316-10083-000 |
— | ||
| replacement | |||||
|
7
|
7
08316-1008B-000 NUT |
08316-1008B-000 |
from US $0.76 |
||
|
8
|
8
11852-57B01-000 HOOK,ENGINE |
11852-57B01-000 |
US $12.14 |
||
|
9
|
9
13140-58B00-000
タンク,サージインテーク
|
13140-58B00-000 |
— | ||
| replacement | |||||
|
9
|
9
13140-58BV0-000
Tank,surge intake
|
13140-58BV0-000 |
— | ||
|
9
|
9
13140-58B41-000
Tank,surge intake
,Sweden,2,Italy,Israel,JSAETA02C01150001~,JSAETA02V01150001~,JSAETD01V01150001~,JSAETD01VV1200001~ |
13140-58B41-000 |
— | ||
|
10
|
10
13122-58B00-000
GASKET,SURGE TANK
|
13122-58B00-000 |
— | ||
|
11
|
11
01550-08253-000
Bolt, rear
|
01550-08253-000 |
— | ||
| replacements | |||||
|
11
|
11
01550-0825B-000 BOLT |
01550-0825B-000 |
from US $0.96 |
||
|
11
|
11
01550-0825A-000 BOLT |
01550-0825A-000 |
from US $1.06 |
||
|
12
|
12
01421-08203-000
Bolt, exhaust pipe stud
|
01421-08203-000 |
— | ||
| replacement | |||||
|
12
|
12
01421-0820A-000 BOLT,STUD |
01421-0820A-000 |
from US $3.03 |
||
|
13
|
13
08316-10083-000
Nut
|
08316-10083-000 |
— | ||
| replacement | |||||
|
13
|
13
08316-1008B-000 NUT |
08316-1008B-000 |
from US $0.76 |
||
|
15
|
15
13421-58B00-000 GASKET,THROTTLE BODY |
13421-58B00-000 |
US $2.72 |
||
|
16
|
16
01550-08553-000
Bolt
|
01550-08553-000 |
— | ||
| replacements | |||||
|
16
|
16
01550-0855B-000 Bolt |
01550-0855B-000 |
from US $5.58 |
||
|
16
|
16
01550-0855A-000 BOLTBolt, gear holder |
01550-0855A-000 |
from US $1.22 |
||
|
17
|
17
01421-08553-000
Stud bolt
|
01421-08553-000 |
— | ||
| replacement | |||||
|
17
|
17
01421-0855B-000 BOLT,STUD |
01421-0855B-000 |
US $17.30 |
||
|
18
|
18
08316-10083-000
Nut
|
08316-10083-000 |
— | ||
| replacement | |||||
|
18
|
18
08316-1008B-000 NUT |
08316-1008B-000 |
from US $0.76 |
||
|
19
|
19
15910-57B11-000
CABLE ASSY,ACCEL
LHD |
15910-57B11-000 |
— | ||
|
19
|
19
15910-57B04-000
ケーブルアッシ,アクセル
RHD |
15910-57B04-000 |
— | ||
| replacement | |||||
|
19
|
19
15910-57B0V-000
CABLE,ACCEL
RHD |
15910-57B0V-000 |
— | ||
|
20
|
20
13626-58B00-000 STIFFENER,INTK MANF NO.1 |
13626-58B00-000 |
US $48 |
||
|
21
|
21
13627-58B00-000 STIFFENER,INTK MANF NO.2 |
13627-58B00-000 |
US $32.38 |
||
|
22
|
22
01550-10203-000
Bolt
|
01550-10203-000 |
— | ||
| replacement | |||||
|
22
|
22
01550-1020A-000 BOLTBolt, bal sprocket |
01550-1020A-000 |
from US $0.96 |
||
|
23
|
23
18118-58B00-000 VALVE,PCV |
18118-58B00-000 |
US $26.40 |
||
|
24
|
24
11198-58B00-000 SEAL,PCV VALVESeal, pcv valve |
11198-58B00-000 |
US $5.20 |
||
| replacement | |||||
|
24
|
24
11198-98L00-000 Seal,pcv Valve |
11198-98L00-000 |
US $2.74 |
||
|
25
|
25
09354-80153-600 HOSE(8X15X600)L:600->150 |
09354-80153-600 |
US $28.80 |
||
|
26
|
26
09401-13414-000 CLIPClip, pcv hose |
09401-13414-000 |
from US $1.60 |
||
|
27
|
27
13650-57F00-000 Sensor,water TempSensor, air temp |
13650-57F00-000 |
from US $32.80 |
||
|
28
|
28
09168-12016-000 GASKET(12.2X21X0.8) |
09168-12016-000 |
from US $1.12 |
||
|
29
|
29
13491-58B00-000
ホース,ウォータスロットルボディ,インレット
->13491-58B01,USED WITH 09401-12410(2PCS) |
13491-58B00-000 |
— | ||
| replacements | |||||
|
29
|
29
13491-58B01-000 HOSE,WATER THB INLET->13491-58B01,USED WITH 09401-12410(2PCS) |
13491-58B01-000 |
US $36.80 |
||
|
29
|
29
09401-12410-000 CLIPClip, filter outlet ->13491-58B01,USED WITH 09401-12410(2PCS) |
09401-12410-000 |
from US $1.52 |
||
|
30
|
30
09352-70131-600
HOSE(7X13X600)
L:600->190,->09356-75141-600,USED WITH 09401-12410(2PCS) |
09352-70131-600 |
— | ||
|
31
|
31
13492-58B00-000
Hose, water throttle outlet
Sweden,->13492-58B01,USED WITH 09401-12410(2PCS) |
13492-58B00-000 |
— | ||
| replacements | |||||
|
31
|
31
13492-58B01-000
HOSE,WATER THB OUTLET
Sweden,->13492-58B01,USED WITH 09401-12410(2PCS) |
13492-58B01-000 |
— | ||
|
31
|
31
09401-12410-000 CLIPClip, filter outlet Sweden,->13492-58B01,USED WITH 09401-12410(2PCS) |
09401-12410-000 |
from US $1.52 |
||
|
32
|
32
13493-58B00-000
Hose, isc inlet
Sweden,->13493-58B01,USED WITH 09401-12410(2PCS) |
13493-58B00-000 |
— | ||
| replacements | |||||
|
32
|
32
13493-58B01-000
HOSE,WATER ISC-V INLET
Sweden,->13493-58B01,USED WITH 09401-12410(2PCS) |
13493-58B01-000 |
— | ||
|
32
|
32
09401-12410-000 CLIPClip, filter outlet Sweden,->13493-58B01,USED WITH 09401-12410(2PCS) |
09401-12410-000 |
from US $1.52 |
||
|
33
|
33
13494-58B00-000
ホース,ウォータISCツーパイプ
->13494-58B01,USED WITH 09401-12410(2PCS) |
13494-58B00-000 |
— | ||
| replacements | |||||
|
33
|
33
13494-58B01-000 HOSE,WATER ISC TO PIPE->13494-58B01,USED WITH 09401-12410(2PCS) |
13494-58B01-000 |
US $34.40 |
||
|
33
|
33
09401-12410-000 CLIPClip, filter outlet ->13494-58B01,USED WITH 09401-12410(2PCS) |
09401-12410-000 |
from US $1.52 |
||
|
34
|
34
09401-12404-000 CLIPClip |
09401-12404-000 |
from US $1.52 |
||
|
35
|
35
13620-57B01-000 STIFFENER,INTK MANF |
13620-57B01-000 |
US $40.48 |
||
|
36
|
36
01550-10603-000
Bolt
|
01550-10603-000 |
— | ||
| replacements | |||||
|
36
|
36
01550-1060B-000 Bolt |
01550-1060B-000 |
US $1.60 |
||
|
36
|
36
01550-1060A-000 Bolt |
01550-1060A-000 |
from US $1.60 |
||
|
37
|
37
64850-14F00-000
Gauge assy, water temperature
|
64850-14F00-000 |
— | ||
|
38
|
38
15919-57B11-000
BRACKET,ACCEL CABLE CLAMP
LHD |
15919-57B11-000 |
— | ||
|
39
|
39
09403-06318-000 CLAMPLHD |
09403-06318-000 |
US $1.52 |
||
|
40
|
40
15918-58B00-000
ブラケット,アクセルケーブル
RHD,->15918-58B10,USED WITH 23915-77D00 |
15918-58B00-000 |
— | ||
| replacement | |||||
|
40
|
40
23915-77D00-000 CLAMPRHD,->15918-58B10,USED WITH 23915-77D00 |
23915-77D00-000 |
US $2.83 |
||
|
41
|
41
02162-06123-000
Bolt (6x12)
RHD |
02162-06123-000 |
— | ||
| replacements | |||||
|
41
|
41
02162-0612B-000 SCREWBolt RHD |
02162-0612B-000 |
from US $0.80 |
||
|
41
|
41
02162-0612A-000 SCREWBolt, bracket RHD |
02162-0612A-000 |
from US $0.80 |
||
|
42
|
42
09403-05313-000
Clip, band
RHD |
09403-05313-000 |
— | ||
| replacement | |||||
|
42
|
42
18214-75F00-000 CLAMPRHD |
18214-75F00-000 |
from US $1.82 |
||
|
43
|
43
15919-58B10-000
ブラケット,アクセルケーブルクランプ
RHD |
15919-58B10-000 |
— | ||
|
44
|
44
13471-58B00-000 COVER,THROTTLE |
13471-58B00-000 |
US $43.20 |
||
|
45
|
45
09103-06168-000 BOLT(6X10) |
09103-06168-000 |
US $1.60 |
||