At oil pump (AT) Diagram Suzuki SIDEKICK
- Year
- -
- Sales region
- All regions
- transmission
- AT
- grade
- JX
Difficulties in parts search?
Parts list
Difficulties in parts search?
| Description | OEM Part # | Price | |||
|---|---|---|---|---|---|
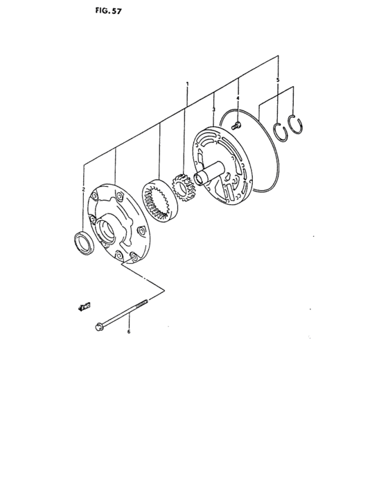
|
1
|
1
22800-57B00-000
ポンプアッシ,オイル
|
22800-57B00-000 |
— | ||
| replacement | |||||
|
1
|
1
22800-54D11-000 PUMP ASSY,OIL |
22800-54D11-000 |
US $1,112.32 |
||
|
2
|
2
29799-57B00-000
シール,オイルポンプボディ
|
29799-57B00-000 |
— | ||
| replacement | |||||
|
2
|
2
29799-54D10-000 SEAL,OIL PUMP BODY |
29799-54D10-000 |
from US $23.72 |
||
|
3
|
3
22820-57B00-000 COVER,OIL PUMP |
22820-57B00-000 |
US $454.08 |
||
|
4
|
4
29999-57B00-000 Bolt |
29999-57B00-000 |
US $5.89 |
||
|
5
|
5
22860-57BT0-000 RING SET,OIL PUMP SEAL |
22860-57BT0-000 |
from US $64.40 |
||
|
6
|
6
29996-57B00-000 BOLT,HSG&CASE NO.1 |
29996-57B00-000 |
US $13.98 |
||