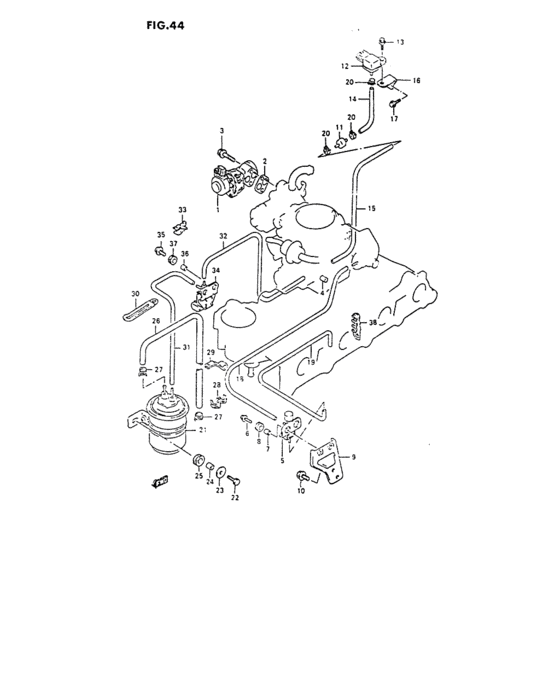
Emission control (2 VALVE:FUEL INJECTION) Diagram Suzuki SIDEKICK
- Year
- -
- Sales region
- All regions
- transmission
- AT
- grade
- JX
Difficulties in parts search?
Difficulties in parts search?
| Description | OEM Part # | Price | |||
|---|---|---|---|---|---|
|
1
|
1
18111-77E00-000
Valve, egr
|
18111-77E00-000 |
— | ||
| replacement | |||||
|
1
|
1
18111-77E02-000 VALVE,EGR |
18111-77E02-000 |
from US $282.71 |
||
|
2
|
2
18529-77E00-000
Gasket, egr valve
|
18529-77E00-000 |
— | ||
| replacement | |||||
|
2
|
2
18529-77E01-000 GASKET,EGR VALVE |
18529-77E01-000 |
from US $2.39 |
||
|
3
|
3
01550-08553-000
Bolt
|
01550-08553-000 |
— | ||
| replacements | |||||
|
3
|
3
01550-0855B-000 Bolt |
01550-0855B-000 |
from US $1.51 |
||
|
3
|
3
01550-0855A-000 BOLTBolt, gear holder |
01550-0855A-000 |
from US $1.22 |
||
|
4
|
4
09250-04003-000 PLUG(OD:8)Plug (od:8) |
09250-04003-000 |
US $1.12 |
||
| replacement | |||||
|
4
|
4
07130-0510B-000 BOLTBolt, sensor |
07130-0510B-000 |
from US $0.96 |
||
|
5
|
5
18117-61A10-000
VALVE,VACUUM SWITCHING
|
18117-61A10-000 |
— | ||
|
6
|
6
09136-06133-000 BOLT(6X16)Screw |
09136-06133-000 |
US $12.50 |
||
|
7
|
7
09180-06106-000 SPACER(6.8X10X7) |
09180-06106-000 |
from US $2.08 |
||
|
8
|
8
09308-10004-000 GROMMET |
09308-10004-000 |
US $1.98 |
||
|
9
|
9
18417-61A00-000 BRACKET,VSV |
18417-61A00-000 |
US $6.66 |
||
|
10
|
10
01550-10203-000
Bolt
|
01550-10203-000 |
— | ||
| replacement | |||||
|
10
|
10
01550-1020A-000 BOLTBolt, bal sprocket |
01550-1020A-000 |
from US $0.96 |
||
|
11
|
11
27965-85400-000 FILTER,VSVFilter assy, vsv |
27965-85400-000 |
from US $10.40 |
||
|
12
|
12
18590-80C40-000 SENSOR,PRESSURESensor, map |
18590-80C40-000 |
from US $339.20 |
||
|
13
|
13
01550-06123-000
Bolt
|
01550-06123-000 |
— | ||
| replacements | |||||
|
13
|
13
01550-0612B-000 BOLTBolt, clamp |
01550-0612B-000 |
from US $0.76 |
||
|
13
|
13
01550-0612A-000 BOLT |
01550-0612A-000 |
from US $0.76 |
||
|
14
|
14
09355-35754-600
ホース,3.5X7.5X600
L:600>50 |
09355-35754-600 |
— | ||
| replacements | |||||
|
14
|
14
09355-35754-601
HOSE(3.5X7.5X601)
L:600>50 |
09355-35754-601 |
— | ||
|
14
|
14
09355-35006-601 Hose(3.5X7.5X601)L:600>50 |
09355-35006-601 |
from US $5.78 |
||
|
15
|
15
09355-35754-600
ホース,3.5X7.5X600
L:600>230 |
09355-35754-600 |
— | ||
| replacements | |||||
|
15
|
15
09355-35754-601
HOSE(3.5X7.5X601)
L:600>230 |
09355-35754-601 |
— | ||
|
15
|
15
09355-35006-601 Hose(3.5X7.5X601)L:600>230 |
09355-35006-601 |
from US $5.78 |
||
|
16
|
16
18595-80C00-000
BRACKET,PRESSURE SENSOR
|
18595-80C00-000 |
— | ||
|
17
|
17
01550-06123-000
Bolt
|
01550-06123-000 |
— | ||
| replacements | |||||
|
17
|
17
01550-0612B-000 BOLTBolt, clamp |
01550-0612B-000 |
from US $0.76 |
||
|
17
|
17
01550-0612A-000 BOLT |
01550-0612A-000 |
from US $0.76 |
||
|
18
|
18
09355-35754-600
ホース,3.5X7.5X600
L:600>280 |
09355-35754-600 |
— | ||
| replacements | |||||
|
18
|
18
09355-35754-601
HOSE(3.5X7.5X601)
L:600>280 |
09355-35754-601 |
— | ||
|
18
|
18
09355-35006-601 Hose(3.5X7.5X601)L:600>280 |
09355-35006-601 |
from US $5.78 |
||
|
19
|
19
09355-35754-600
ホース,3.5X7.5X600
L:600>200 |
09355-35754-600 |
— | ||
| replacements | |||||
|
19
|
19
09355-35754-601
HOSE(3.5X7.5X601)
L:600>200 |
09355-35754-601 |
— | ||
|
19
|
19
09355-35006-601 Hose(3.5X7.5X601)L:600>200 |
09355-35006-601 |
from US $5.78 |
||
|
20
|
20
18119-85C00-000
Clip, kingpin hose
|
18119-85C00-000 |
— | ||
|
21
|
21
18560-61A00-000 CANISTER |
18560-61A00-000 |
US $156.80 |
||
|
22
|
22
01500-08203-000
Bolt
|
01500-08203-000 |
— | ||
| replacement | |||||
|
22
|
22
01500-0820A-000 Bolt |
01500-0820A-000 |
from US $0.80 |
||
|
23
|
23
09160-T0807-500
Flat washer
MY97, |
09160-T0807-500 |
— | ||
|
23
|
23
09160-08133-000
Washer
MY98, |
09160-08133-000 |
— | ||
| replacement | |||||
|
23
|
23
09160-08151-000 WASHER(8.5X26X1.6)Washer, shift rod (8.5x26x1.6) MY98, |
09160-08151-000 |
from US $0.91 |
||
|
24
|
24
09180-08185-000 SPACER(8.5X12X6) |
09180-08185-000 |
US $23.20 |
||
|
25
|
25
09320-12011-000
CUSHION
|
09320-12011-000 |
— | ||
| replacement | |||||
|
25
|
25
09320-12090-000 Cushion(11.8X25X7.5) |
09320-12090-000 |
from US $1.67 |
||
|
26
|
26
09355-54115-600 HOSE(5.4X11.4X600)Hose, vacuum L:600>550 |
09355-54115-600 |
from US $7.20 |
||
|
27
|
27
18119-85C10-000
Clip, vacuum hose
|
18119-85C10-000 |
— | ||
|
28
|
28
18119-85C20-000
Clamp
MY98 |
18119-85C20-000 |
— | ||
|
29
|
29
18119-85C30-000
Clip, hoses to bracket
MY98 |
18119-85C30-000 |
— | ||
|
30
|
30
09404-08420-000 CLAMP(L:120 T:1.0)MY98 |
09404-08420-000 |
from US $2.08 |
||
|
31
|
31
09355-35754-600
ホース,3.5X7.5X600
L:600>150 |
09355-35754-600 |
— | ||
| replacements | |||||
|
31
|
31
09355-35754-601
HOSE(3.5X7.5X601)
L:600>150 |
09355-35754-601 |
— | ||
|
31
|
31
09355-35006-601 Hose(3.5X7.5X601)L:600>150 |
09355-35006-601 |
from US $5.78 |
||
|
32
|
32
09355-35754-600
ホース,3.5X7.5X600
L:600>280 |
09355-35754-600 |
— | ||
| replacements | |||||
|
32
|
32
09355-35754-601
HOSE(3.5X7.5X601)
L:600>280 |
09355-35754-601 |
— | ||
|
32
|
32
09355-35006-601 Hose(3.5X7.5X601)L:600>280 |
09355-35006-601 |
from US $5.78 |
||
|
33
|
33
09406-00137-000
Clamp, hose
|
09406-00137-000 |
— | ||
|
34
|
34
18117-56B10-000
VALVE ASSY,SOLENOID
|
18117-56B10-000 |
— | ||
|
35
|
35
09136-06133-000 BOLT(6X16)Screw |
09136-06133-000 |
US $12.50 |
||
|
36
|
36
09180-06106-000 SPACER(6.8X10X7) |
09180-06106-000 |
from US $2.08 |
||
|
37
|
37
09308-10004-000 GROMMET |
09308-10004-000 |
US $1.98 |
||
|
38
|
38
33881-82011-000 CLAMP,HIGH TENSION CORD |
33881-82011-000 |
US $2.88 |
||