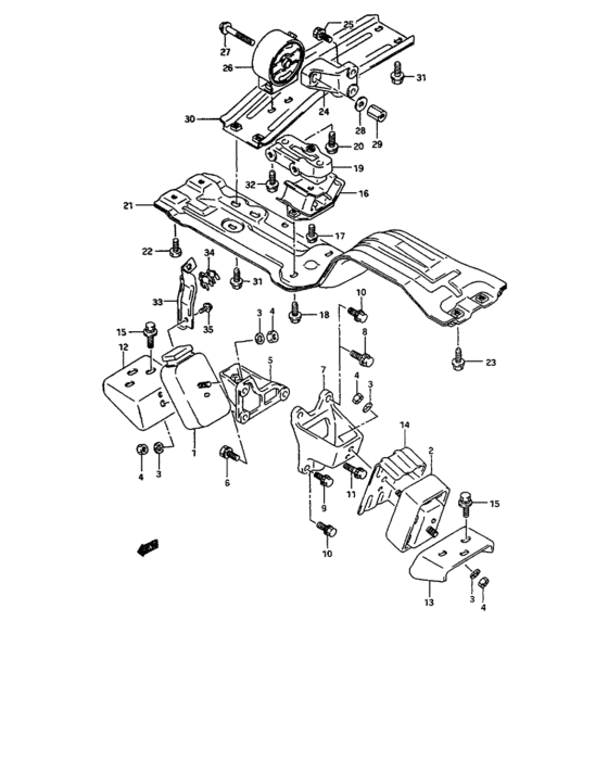
Engine mounting (4DR:AT) Diagram Suzuki SIDEKICK
- Year
- -
- Sales region
- Canada
- transmission
- AT
- grade
- JL
Difficulties in parts search?
Difficulties in parts search?
| Description | OEM Part # | Price | |||
|---|---|---|---|---|---|
|
1
|
1
11610-58B00-000
Mounting, engine front rh
->11610-58B10 |
11610-58B00-000 |
— | ||
| replacement | |||||
|
1
|
1
11610-58B10-000 MOUNTING,ENG FR->11610-58B10 |
11610-58B10-000 |
US $179.20 |
||
|
1
|
1
11610-58B10-000 MOUNTING,ENG FRJS3TD03V R4113350~,2S3TD03V R6413404~ |
11610-58B10-000 |
US $179.20 |
||
|
2
|
2
11620-58B00-000
Mounting, engine front lh
->11610-58B10 |
11620-58B00-000 |
— | ||
| replacement | |||||
|
2
|
2
11610-58B10-000 MOUNTING,ENG FR->11610-58B10 |
11610-58B10-000 |
US $179.20 |
||
|
2
|
2
11610-58B10-000 MOUNTING,ENG FRJS3TD03V R4113350~,2S3TD03V R6413404~ |
11610-58B10-000 |
US $179.20 |
||
|
3
|
3
08321-01103-000
Washer
|
08321-01103-000 |
— | ||
| replacements | |||||
|
3
|
3
08321-0110B-000 WASHER,LOCKWasher, knuckle end |
08321-0110B-000 |
from US $0.80 |
||
|
3
|
3
08321-0110A-000 WASHER,LOCK |
08321-0110A-000 |
from US $0.80 |
||
|
4
|
4
08310-00103-000
Nut
|
08310-00103-000 |
— | ||
| replacements | |||||
|
4
|
4
08310-0010B-000 NUT |
08310-0010B-000 |
from US $0.80 |
||
|
4
|
4
08310-0010A-000 NUT |
08310-0010A-000 |
from US $0.80 |
||
|
5
|
5
11641-56B02-000 BRACKET,ENG FR MTG,R |
11641-56B02-000 |
US $70.29 |
||
|
6
|
6
01570-10303-000
Bolt
|
01570-10303-000 |
— | ||
| replacement | |||||
|
6
|
6
01570-1030A-000 Bolt |
01570-1030A-000 |
from US $1.12 |
||
|
7
|
7
11651-57B00-000 BRACKET,ENG FR MTG,L |
11651-57B00-000 |
US $74.34 |
||
|
8
|
8
01580-10353-000
Bolt
92 MODEL,93 MODEL |
01580-10353-000 |
— | ||
| replacement | |||||
|
8
|
8
01580-1035A-000 Bolt92 MODEL,93 MODEL |
01580-1035A-000 |
from US $6.49 |
||
|
9
|
9
01570-10303-000
Bolt
92 MODEL,93 MODEL |
01570-10303-000 |
— | ||
| replacement | |||||
|
9
|
9
01570-1030A-000 Bolt92 MODEL,93 MODEL |
01570-1030A-000 |
from US $1.12 |
||
|
10
|
10
01570-10303-000
Bolt
94 MODEL,95 MODEL |
01570-10303-000 |
— | ||
| replacement | |||||
|
10
|
10
01570-1030A-000 Bolt94 MODEL,95 MODEL |
01570-1030A-000 |
from US $1.12 |
||
|
11
|
11
01570-10403-000
Bolt, upper
|
01570-10403-000 |
— | ||
| replacement | |||||
|
11
|
11
01570-1040A-000 Bolt |
01570-1040A-000 |
US $1.06 |
||
|
12
|
12
11661-56B00-000 BRACKET,ENG FR MTG FRAME SIDE |
11661-56B00-000 |
US $17.22 |
||
|
13
|
13
11661-57B00-000 BRACKET,ENG FR MTG FRAME SIDE |
11661-57B00-000 |
US $18.77 |
||
|
14
|
14
11681-56B01-000
COVER,ENG FR MTG,L
92 MODEL |
11681-56B01-000 |
— | ||
|
15
|
15
09118-10052-000 BOLT(10X30) |
09118-10052-000 |
from US $1.44 |
||
|
16
|
16
11710-60A01-000 MOUNTING,ENG RR |
11710-60A01-000 |
US $217.60 |
||
|
17
|
17
01580-10253-000
ボルト
|
01580-10253-000 |
— | ||
|
18
|
18
01580-10203-000
ボルト
|
01580-10203-000 |
— | ||
| replacement | |||||
|
18
|
18
01580-1020A-000 Bolt |
01580-1020A-000 |
US $19.50 |
||
|
19
|
19
11741-57B02-000
BRACKET,ENG RR MTG
<-11741-57B01 |
11741-57B02-000 |
— | ||
|
20
|
20
01580-10403-000 Bolt |
01580-10403-000 |
US $21.70 |
||
|
21
|
21
11730-60A10-000
メンバ,エンジンリヤマウンチング
->11730-58B21,USED WITH 01580-10253(2PCS) |
11730-60A10-000 |
— | ||
| replacements | |||||
|
21
|
21
11730-58B23-000 MEMBER,ENG RR MTG->11730-58B21,USED WITH 01580-10253(2PCS) |
11730-58B23-000 |
US $252.80 |
||
|
21
|
21
01580-1025A-000 Bolt->11730-58B21,USED WITH 01580-10253(2PCS) |
01580-1025A-000 |
US $19.50 |
||
|
21
|
21
01580-10253-000
ボルト
->11730-58B21,USED WITH 01580-10253(2PCS) |
01580-10253-000 |
— | ||
|
21
|
21
11730-58B21-000
メンバ,エンジンリヤマウンチング
JS3TD03V R4107644~,2S3TD03V R6404153~ |
11730-58B21-000 |
— | ||
| replacement | |||||
|
21
|
21
11730-58B23-000 MEMBER,ENG RR MTGJS3TD03V R4107644~,2S3TD03V R6404153~ |
11730-58B23-000 |
US $252.80 |
||
|
22
|
22
01500-10203-000
Plug, oil drain
|
01500-10203-000 |
— | ||
| replacement | |||||
|
22
|
22
01500-1020B-000 BOLTBolt, axle bearing housing |
01500-1020B-000 |
from US $0.76 |
||
|
22
|
22
01580-10253-000
ボルト
JS3TD03V R4107644~,2S3TD03V R6404153~ |
01580-10253-000 |
— | ||
|
23
|
23
01580-10253-000
ボルト
|
01580-10253-000 |
— | ||
|
24
|
24
11755-57B01-000
BRACKET,TORQUE STOPPER
<-11755-57B00 |
11755-57B01-000 |
— | ||
|
25
|
25
01580-10353-000
Bolt
|
01580-10353-000 |
— | ||
| replacement | |||||
|
25
|
25
01580-1035A-000 Bolt |
01580-1035A-000 |
from US $6.49 |
||
|
26
|
26
11910-57B01-000 BUSH,TORQUE STOPPER |
11910-57B01-000 |
from US $68.63 |
||
|
27
|
27
01580-10803-000
Bolt
|
01580-10803-000 |
— | ||
| replacement | |||||
|
27
|
27
01580-1080B-000 Bolt |
01580-1080B-000 |
US $27.20 |
||
|
28
|
28
09160-10119-000 WASHER(10.5X22X1.6)Washer, wheel set |
09160-10119-000 |
from US $0.96 |
||
| replacement | |||||
|
28
|
28
09160-10143-000 WASHER(10.5X22X1.6) |
09160-10143-000 |
from US $0.91 |
||
|
29
|
29
09140-10040-000 NUT |
09140-10040-000 |
US $32.40 |
||
|
30
|
30
11761-57B00-000
MEMBER,TORQUE STOPPER
|
11761-57B00-000 |
— | ||
|
31
|
31
01580-10253-000
ボルト
|
01580-10253-000 |
— | ||
|
32
|
32
01580-10203-000
ボルト
|
01580-10203-000 |
— | ||
| replacement | |||||
|
32
|
32
01580-1020A-000 Bolt |
01580-1020A-000 |
US $19.50 |
||
|
33
|
33
18568-56B01-000 BRACKET,CANISTER HOSE CLAMP |
18568-56B01-000 |
US $4.60 |
||
|
34
|
34
09403-13308-000 CLAMP |
09403-13308-000 |
US $14 |
||
|
35
|
35
01550-06103-000
Bolt, front
|
01550-06103-000 |
— | ||
| replacements | |||||
|
35
|
35
01550-0610B-000 BoltBolt |
01550-0610B-000 |
from US $0.80 |
||
|
35
|
35
01550-0610A-000 BOLT |
01550-0610A-000 |
from US $0.80 |
||