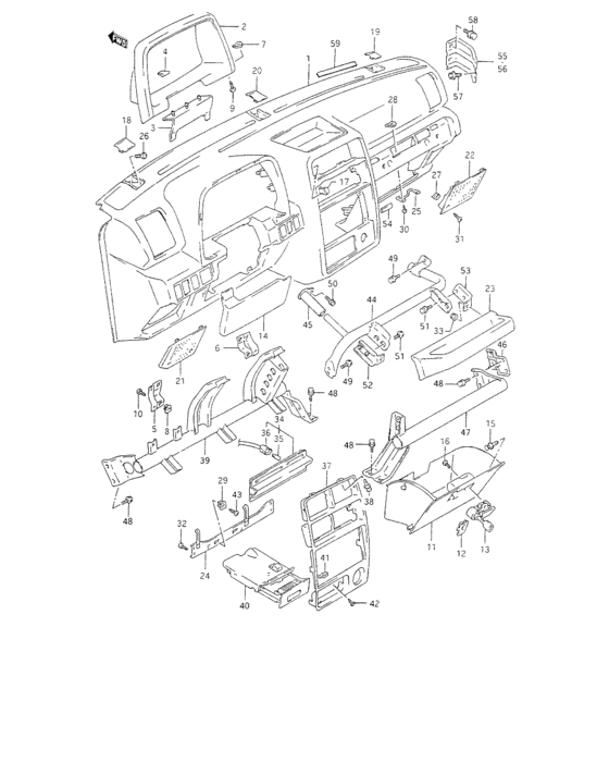
Instrument panel (INSTRUMENT PANEL) Diagram Suzuki SIDEKICK
- Year
- -
- Sales region
- Caribbean
- drive
- 2WD
- transmission
- MT
- grade
- JS
Difficulties in parts search?
Difficulties in parts search?
| Description | OEM Part # | Price | |||
|---|---|---|---|---|---|
|
1
|
1
73111-62A00-5ES
PANEL,INSTRUMENT
|
73111-62A00-5ES |
— | ||
|
2
|
2
73311-62A10-5ES
HOOD,METER CLUSTER
|
73311-62A10-5ES |
— | ||
|
3
|
3
73315-62A00-000
FLAP,COLUMN HOLE
|
73315-62A00-000 |
— | ||
|
4
|
4
73316-62A00-000
Spacer, meter cluster
PRODUCT OF CANADA |
73316-62A00-000 |
— | ||
|
5
|
5
73891-62A00-000
Bracket, speedometer lh
|
73891-62A00-000 |
— | ||
|
6
|
6
73892-62A00-000
Bracket, speedometer rh
|
73892-62A00-000 |
— | ||
|
7
|
7
09148-05013-000 NUTPRODUCT OF CANADA |
09148-05013-000 |
from US $0.91 |
||
|
8
|
8
09148-05018-000 NUT |
09148-05018-000 |
from US $0.63 |
||
|
9
|
9
03141-05123-000
Screw 5 x 12
|
03141-05123-000 |
— | ||
| replacement | |||||
|
9
|
9
03141-0512A-000 SCREWScrew, belt cooling duct |
03141-0512A-000 |
from US $0.76 |
||
|
10
|
10
03541-05163-000
Screw
|
03541-05163-000 |
— | ||
| replacement | |||||
|
10
|
10
03541-0516A-000 SCREW |
03541-0516A-000 |
from US $0.68 |
||
|
11
|
11
73411-62AA0-5ES
Box, side
PRODUCT OF CANADA |
73411-62AA0-5ES |
— | ||
| replacement | |||||
|
11
|
11
73411-62A00-5ES
BOX,I/P SIDE
PRODUCT OF CANADA |
73411-62A00-5ES |
— | ||
|
11
|
11
73411-62A00-5ES
BOX,I/P SIDE
PRODUCT OF JAPAN |
73411-62A00-5ES |
— | ||
|
12
|
12
73414-60A00-5ES COVER,INSTPNL SIDE BOX |
73414-60A00-5ES |
US $1.60 |
||
|
13
|
13
73420-60820-5ES LOCK ASSY,SIDE BOX(OFF BLACK) |
73420-60820-5ES |
US $77.28 |
||
|
14
|
14
73871-62A00-5ES COVER,COLUMN HOLEN/TILT STEERING |
73871-62A00-5ES |
US $14.32 |
||
|
14
|
14
73871-62A10-5ES
COVER,COLUMN HOLE
W/TILT STEERING |
73871-62A10-5ES |
— | ||
|
15
|
15
09409-07315-000 CLIP |
09409-07315-000 |
US $1.44 |
||
|
16
|
16
02142-04103-000
Screw 4x10
|
02142-04103-000 |
— | ||
| replacement | |||||
|
16
|
16
02142-0410A-000 SCREW |
02142-0410A-000 |
from US $0.76 |
||
|
17
|
17
73616-64A00-000
Bush,ctr lvr
|
73616-64A00-000 |
— | ||
|
18
|
18
73811-62A00-5ES
CAP,I/P UPPER SIDE,L
|
73811-62A00-5ES |
— | ||
|
19
|
19
73812-62A00-5ES
Cap, upper side lh
|
73812-62A00-5ES |
— | ||
|
20
|
20
73813-62A00-5ES
Cap, upper center
|
73813-62A00-5ES |
— | ||
|
21
|
21
73821-62A00-5ES
COVER,INSTPNL SPEAKER,L
|
73821-62A00-5ES |
— | ||
|
22
|
22
73822-62A00-5ES
COVER,INSTPNL SPEAKER,R
|
73822-62A00-5ES |
— | ||
|
23
|
23
73850-62A00-5ES
Grip comp,instpnl
|
73850-62A00-5ES |
— | ||
|
24
|
24
73861-62A10-000
Stay,radio & ashtray
|
73861-62A10-000 |
— | ||
|
25
|
25
73951-60A00-000
STRIKER,I/P SIDE BOX
|
73951-60A00-000 |
— | ||
|
26
|
26
09136-06061-000 SCREW(6X16) |
09136-06061-000 |
from US $3.86 |
||
|
27
|
27
09148-04034-000 NUT |
09148-04034-000 |
US $12.90 |
||
| replacement | |||||
|
27
|
27
09148-04015-000 NUT |
09148-04015-000 |
from US $1.60 |
||
|
28
|
28
09148-05013-000 NUT |
09148-05013-000 |
from US $0.91 |
||
|
29
|
29
09148-05018-000 NUT |
09148-05018-000 |
from US $0.63 |
||
|
30
|
30
03141-05123-000
Screw 5 x 12
|
03141-05123-000 |
— | ||
| replacement | |||||
|
30
|
30
03141-0512A-000 SCREWScrew, belt cooling duct |
03141-0512A-000 |
from US $0.76 |
||
|
31
|
31
03241-04123-000
Screw
|
03241-04123-000 |
— | ||
| replacement | |||||
|
31
|
31
03242-0412B-000 SCREW |
03242-0412B-000 |
from US $0.80 |
||
|
32
|
32
03541-05163-000
Screw
|
03541-05163-000 |
— | ||
| replacement | |||||
|
32
|
32
03541-0516A-000 SCREW |
03541-0516A-000 |
from US $0.68 |
||
|
33
|
33
08316-20083-000
Nut
|
08316-20083-000 |
— | ||
| replacement | |||||
|
33
|
33
08316-2008A-000 NUT |
08316-2008A-000 |
from US $0.80 |
||
|
34
|
34
74450-64AA0-5PK
Panel, htr control
PRODUCT OF CANADA |
74450-64AA0-5PK |
— | ||
|
34
|
34
74450-64A00-5PK PANEL,HEATER CONTROLPRODUCT OF JAPAN |
74450-64A00-5PK |
US $110.21 |
||
|
35
|
35
73856-82000-000 BULB,HEATER CONTROL |
73856-82000-000 |
US $10.24 |
||
|
36
|
36
74456-64A00-000 HARNESS,HTR CONTROL |
74456-64A00-000 |
US $18.24 |
||
|
37
|
37
74461-62A00-5PK
GARNISH,I/P CTR
|
74461-62A00-5PK |
— | ||
|
38
|
38
09409-05313-000 CLIP |
09409-05313-000 |
from US $1.36 |
||
|
39
|
39
65920-62A00-000
Holder, steering column lh
|
65920-62A00-000 |
— | ||
|
40
|
40
89810-62A11-5PK
ASHTRAY,FR
|
89810-62A11-5PK |
— | ||
|
41
|
41
09148-05013-000 NUT |
09148-05013-000 |
from US $0.91 |
||
|
42
|
42
03141-05123-000
Screw 5 x 12
|
03141-05123-000 |
— | ||
| replacement | |||||
|
42
|
42
03141-0512A-000 SCREWScrew, belt cooling duct |
03141-0512A-000 |
from US $0.76 |
||
|
43
|
43
03141-05123-000
Screw 5 x 12
|
03141-05123-000 |
— | ||
| replacement | |||||
|
43
|
43
03141-0512A-000 SCREWScrew, belt cooling duct |
03141-0512A-000 |
from US $0.76 |
||
|
44
|
44
75910-62A00-000
Holder, assistant grip
|
75910-62A00-000 |
— | ||
|
45
|
45
75920-62A00-000
Holder, assistant grip no.2
|
75920-62A00-000 |
— | ||
|
46
|
46
75929-62A00-000
Stay, instpn holder outer
|
75929-62A00-000 |
— | ||
|
47
|
47
75960-62A00-000
Holder, instrument
|
75960-62A00-000 |
— | ||
|
48
|
48
09100-08294-000 BOLT(8X13) |
09100-08294-000 |
US $12.50 |
||
|
49
|
49
09100-08294-000 BOLT(8X13) |
09100-08294-000 |
US $12.50 |
||
|
50
|
50
09100-08294-000 BOLT(8X13) |
09100-08294-000 |
US $12.50 |
||
|
51
|
51
01550-08163-000
Bolt, holder
|
01550-08163-000 |
— | ||
| replacements | |||||
|
51
|
51
01550-0816B-000 BOLT |
01550-0816B-000 |
from US $0.91 |
||
|
51
|
51
01550-0816A-000 BOLTBolt, rear |
01550-0816A-000 |
from US $0.91 |
||
|
52
|
52
73981-62A10-000
Bracket, asst grip lh
|
73981-62A10-000 |
— | ||
|
53
|
53
73991-62A10-000
Bracket, asst grip rh
|
73991-62A10-000 |
— | ||
|
54
|
54
73415-70A00-000 PAD92 MODEL |
73415-70A00-000 |
from US $1.60 |
||
|
54
|
54
73415-60AA0-000
Pad, i/p lid
93 MODEL,94 MODEL,95 MODEL,PRODUCT OF CANADA |
73415-60AA0-000 |
— | ||
|
55
|
55
76451-56B01-000 REINFORCEMENT,COWL BOX SIDE |
76451-56B01-000 |
US $11.63 |
||
|
56
|
56
76451-56B01-000 REINFORCEMENT,COWL BOX SIDE |
76451-56B01-000 |
US $11.63 |
||
|
57
|
57
09100-08294-000 BOLT(8X13) |
09100-08294-000 |
US $12.50 |
||
|
58
|
58
01550-06163-000
Bolt
|
01550-06163-000 |
— | ||
| replacements | |||||
|
58
|
58
01550-0616B-000 BOLT |
01550-0616B-000 |
from US $0.76 |
||
|
58
|
58
01550-0616A-000 BOLT |
01550-0616A-000 |
from US $0.76 |
||
|
59
|
59
73112-62A00-000
Protector, i/p
PRODUCT OF JAPAN |
73112-62A00-000 |
— | ||