At rear upper valve body (AT:V) Diagram Suzuki SIDEKICK

Year
-
Sales region
Caribbean
drive
2WD
transmission
AT
grade
JS

Difficulties in parts search?

Parts list
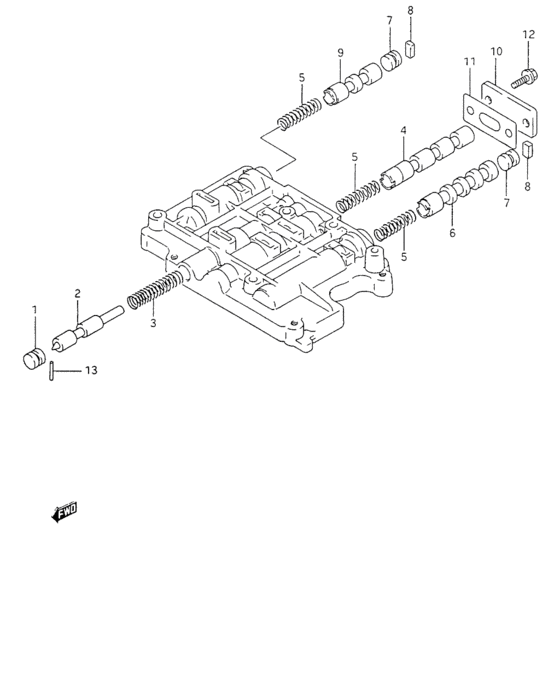
At rear upper valve body

Difficulties in parts search?

At rear upper valve body
Description OEM Part # Price
26520-57B00-000
BODY ASSY,CONT VALVE RR UPR

26520-57B00-000

1
1
29847-57B00-000
Plug, 3-2 kickdown valve

29847-57B00-000

2
2
26559-57B00-000
Valve, clutch sequence

26559-57B00-000

3
3
29634-57B00-000
Spring, sequence valve

29634-57B00-000

4
4
26556-57B00-000
Valve, 1-2 shift

26556-57B00-000

5
5
29635-57B00-000
Spring, shift valve

29635-57B00-000

6
6
26557-57B00-000
Valve, 2-3 shift

26557-57B00-000

7
7
29848-57B00-000
Plug, shift valve

29848-57B00-000

8
8
26573-57B00-000
Retainer, shift valve

26573-57B00-000

9
9
26558-57B00-000
Valve, 3-4 shift

26558-57B00-000

10
10
26526-57B00-000
Plate, valve body

26526-57B00-000

11
11

26588-57B00-000

GASKET,RR UPR VALVE BODY PLATE

26588-57B00-000

US $5.85

12
12

29982-57B00-000

Bolt

29982-57B00-000

US $5.30

13
13
26544-57B00-000
Roller, needle

26544-57B00-000

At rear upper valve body (AT:V) Diagram Suzuki SIDEKICK Caribbean 3809842-327701