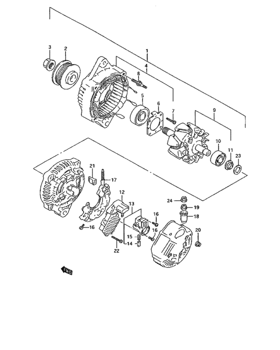
Generator (SV418:~JS3TD21V V4110711,~JS3TECV V4100732) Diagram Suzuki SIDEKICK
- Year
- -
- Sales region
- Caribbean
- drive
- 4WD
- transmission
- AT
- grade
- JA
Difficulties in parts search?
Difficulties in parts search?
| Description | OEM Part # | Price | |||
|---|---|---|---|---|---|
|
1
|
1
31400-77E23-000
ジェネレータアッシ
|
31400-77E23-000 |
— | ||
| replacements | |||||
|
1
|
1
31400-77E23-REM
Alternator
|
31400-77E23-REM |
— | ||
|
1
|
1
31400-77E25-000 GENERATOR ASSY |
31400-77E25-000 |
US $823.68 |
||
|
2
|
2
31171-77E20-000 PULLEY |
31171-77E20-000 |
US $39.52 |
||
|
3
|
3
31775-86510-000 NUT |
31775-86510-000 |
US $2.98 |
||
|
4
|
4
31580-60G10-000
フレームアッシ,ドライブエンド
|
31580-60G10-000 |
— | ||
| replacement | |||||
|
4
|
4
31580-60G11-000
FRAME ASSY,DRIVE END
|
31580-60G11-000 |
— | ||
|
4
|
4
31580-60G11-000
FRAME ASSY,DRIVE END
JS3TD21V T4106901~,JS3TECV V4100001~ |
31580-60G11-000 |
— | ||
|
5
|
5
31582-82111-000
Bearing,drive end
|
31582-82111-000 |
— | ||
|
6
|
6
31585-82111-000 RETAINER,BEARING |
31585-82111-000 |
US $2.88 |
||
|
7
|
7
31586-82110-000
スクリュ
|
31586-82110-000 |
— | ||
|
7
|
7
02112-04163-000
Screw
JS3TD21V T4106901~,JS3TECV V4100001~ |
02112-04163-000 |
— | ||
| replacement | |||||
|
7
|
7
02112-0416A-000 SCREWJS3TD21V T4106901~,JS3TECV V4100001~ |
02112-0416A-000 |
from US $0.68 |
||
|
8
|
8
31587-82110-000 Bolt |
31587-82110-000 |
US $10.82 |
||
|
9
|
9
31710-60G10-000
ROTOR ASSY
|
31710-60G10-000 |
— | ||
|
10
|
10
31612-82110-000
Bearing,end housing
|
31612-82110-000 |
— | ||
|
11
|
11
31613-82610-000 COVER,BEARING |
31613-82610-000 |
from US $2.98 |
||
|
12
|
12
32500-60G10-000
レギュレータアッシ
|
32500-60G10-000 |
— | ||
| replacement | |||||
|
12
|
12
32500-60G13-000 REGULATOR ASSY,GENERATOR |
32500-60G13-000 |
US $386.40 |
||
|
13
|
13
31656-82611-000
Holder assy, brush
|
31656-82611-000 |
— | ||
| replacement | |||||
|
13
|
13
31656-60G10-000 HOLDER ASSY,BRUSH |
31656-60G10-000 |
US $51.20 |
||
|
13
|
13
31656-60G10-000 HOLDER ASSY,BRUSHJS3TD21V T4106901~,JS3TECV V4100001~ |
31656-60G10-000 |
US $51.20 |
||
|
14
|
14
31631-82610-000 BRUSH |
31631-82610-000 |
US $6.15 |
||
|
15
|
15
31635-82610-000 SPRING,BRUSH |
31635-82610-000 |
US $1.95 |
||
|
16
|
16
02112-04063-000
Screw
|
02112-04063-000 |
— | ||
| replacement | |||||
|
16
|
16
02112-0406B-000 SCREW |
02112-0406B-000 |
from US $0.76 |
||
|
17
|
17
31621-77E20-000
Rectifier
|
31621-77E20-000 |
— | ||
|
18
|
18
31514-82610-000 INSULATOR,TERMINAL |
31514-82610-000 |
US $4.97 |
||
|
19
|
19
08361-15063-000
Nut
|
08361-15063-000 |
— | ||
| replacement | |||||
|
19
|
19
08361-1506A-000 NUT |
08361-1506A-000 |
from US $0.74 |
||
|
20
|
20
08316-10053-000
Nut
|
08316-10053-000 |
— | ||
| replacement | |||||
|
20
|
20
08316-1005A-000 NUT |
08316-1005A-000 |
from US $0.77 |
||
|
21
|
21
31622-82610-000
INSULATOR,TERMINAL
|
31622-82610-000 |
— | ||
|
22
|
22
02112-34253-000
No description
|
02112-34253-000 |
— | ||
| replacement | |||||
|
22
|
22
02112-3425B-000 SCREW |
02112-3425B-000 |
from US $0.77 |
||
|
23
|
23
31615-60G10-000 WASHERJS3TD21V T4106901~,JS3TECV V4100001~ |
31615-60G10-000 |
US $5.89 |
||
|
24
|
24
08316-10063-000
Nut
|
08316-10063-000 |
— | ||
| replacement | |||||
|
24
|
24
08316-1006B-000 NUT |
08316-1006B-000 |
from US $0.76 |
||