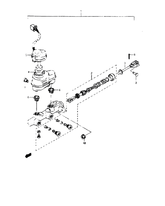
Brake master cylinder (BRAKE MASTER CYLINDER) Diagram Suzuki SIERRA
- Year
- -
- Sales region
- Pacific
- grade
- STD
Difficulties in parts search?
Parts list
Difficulties in parts search?
| Description | OEM Part # | Price | |||
|---|---|---|---|---|---|
|
1
|
1
51100-M8066-000
Cylinder assy, brake master
|
51100-M8066-000 |
— | ||
|
2
|
2
51100-M8086-000
Piston/cup set
|
51100-M8086-000 |
— | ||
|
3
|
3
51180-M8061-000
Rod, push
|
51180-M8061-000 |
— | ||
|
4
|
4
51211-M5431-000
Reservoir
|
51211-M5431-000 |
— | ||
|
5
|
5
51220-M7921-000
Cap
|
51220-M7921-000 |
— | ||
|
6
|
6
51232-M5431-000
Gasket
|
51232-M5431-000 |
— | ||
|
7
|
7
51233-M5431-000
Bolt
|
51233-M5431-000 |
— | ||
|
8
|
8
09200-M1001-000
Pin
|
09200-M1001-000 |
— | ||
|
9
|
9
04111-M2518-600
Cotter pin
|
04111-M2518-600 |
— | ||
|
10
|
10
09159-08075-000 NUT |
09159-08075-000 |
US $0.91 |