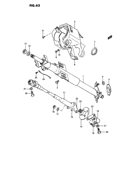
Steering shaft (STEERING SHAFT) Diagram Suzuki SIERRA

Year
-
Sales region
Pacific
grade
DX

Difficulties in parts search?

Parts list
Steering shaft

Difficulties in parts search?

Steering shaft
Description OEM Part # Price
1
1
48200-80010-000
Column assy, steering

KOYO

48200-80010-000

1
1
48200-80020-000
Column assy, steering

NSK

48200-80020-000

2
2
09125-08005-000
スクリュ,8X25

09125-08005-000

replacement
2
2

09139-08015-000

SCREW(8X30)

09139-08015-000

US $1.92

3
3

48491-80000-000

SEAL,STEERING COLUMN

48491-80000-000

US $2.13

4
4
08316-16088-000
Nut

08316-16088-000

replacement
4
4

08316-10087-000

NUT

08316-10087-000

from US $0.80

5
5
48411-80050-000
Cover, steering upper

,,

48411-80050-000

5
5
48411-80150-000
Cover, steering upper

Finland,Norway,Switzerland,Belgium,Germany,Holland,Italy,Austria,Saudi Arabia,Channel Islands,Israel

48411-80150-000

6
6
48420-75080-000
Cover, steering lower

,,

48420-75080-000

6
6
48421-80100-000
Cover, steering lower

Finland,Norway,Switzerland,Belgium,Germany,Holland,Italy,Austria,Saudi Arabia,Channel Islands,Israel

48421-80100-000

7
7

48419-75000-000

SEAL,STEERING COVER

48419-75000-000

US $1.60

8
8
03211-05166-000
Screw, l:16

03211-05166-000

replacement
8
8

03211-0516A-000

SCREW

03211-0516A-000

US $0.80

9
9
02112-05126-000
Screw m5x.08x12

02112-05126-000

replacement
9
9

02112-0512A-000

SCREW

02112-0512A-000

from US $0.80

10
10
08321-21056-000
Lock washer

08321-21056-000

replacements
10
10

08321-0105B-000

WASHER,LOCK

08321-0105B-000

from US $0.77

10
10

08321-0105A-000

WASHER,LOCK

08321-0105A-000

from US $0.76

11
11
48220-80011-000
Shaft, steering lower

KOYO FROM 48220-80010

48220-80011-000

11
11
48220-80030-000
Shaft, steering lower

NSK

48220-80030-000

12
12
09162-12004-000
Lock washer

09162-12004-000

replacement
12
12

08321-0112A-000

WASHER,LOCK

08321-0112A-000

from US $0.76

13
13
09140-12022-000
ナット

09140-12022-000

replacement
13
13

09159-12025-000

NUT

09159-12025-000

US $1.82

13
13
09140-12024-000
Nut, spare tire

Germany,Austria

09140-12024-000

14
14

48251-52000-000

JOINT,RUBBER

48251-52000-000

from US $4

15
15

09180-08007-000

SPACER(8.1X11X9)

09180-08007-000

from US $1.12

16
16
01107-08256-000
Bolt

01107-08256-000

replacement
16
16

01500-0825A-000

Bolt

01500-0825A-000

from US $0.91

16
16
09100-08184-000
BOLT(8X25)

Germany,Austria

09100-08184-000

17
17
08321-31086-000
Lock washer

08321-31086-000

replacements
17
17

08321-0108B-000

WASHER,LOCK

08321-0108B-000

from US $0.76

17
17

08321-0108A-000

WASHER,LOCK

08321-0108A-000

from US $0.80

18
18
08310-12086-000
ナット

08310-12086-000

replacements
18
18

08310-0008A-000

NUT

Nut, bead stopper

08310-0008A-000

from US $0.76

18
18

08310-0008B-000

NUT

08310-0008B-000

from US $0.80

19
19
48270-80000-000
Bride

48270-80000-000

replacement
19
19

48270-80011-000

FLANGE,STRG RUBBER JOINT

48270-80011-000

US $20

20
20
09111-08052-000
ボルト

09111-08052-000

replacement
20
20

09111-08066-000

BOLT(8X30)

09111-08066-000

US $1.92

20
20
09100-08218-000
BOLT(8X30)

Germany,Austria

09100-08218-000

21
21
08321-31086-000
Lock washer

08321-31086-000

replacements
21
21

08321-0108B-000

WASHER,LOCK

08321-0108B-000

from US $0.76

21
21

08321-0108A-000

WASHER,LOCK

08321-0108A-000

from US $0.80

22
22
48262-58000-000
Plaque

48262-58000-000

replacement
22
22

48262-58001-000

PLATE,STRG RUBBER JOINT

48262-58001-000

US $1.60

23
23

09440-18002-000

SPRING

09440-18002-000

from US $1.06

24
24
48528-80000-000
Lead wire,horn earth

48528-80000-000

25
25
03141-04086-000
New Genuine Part

03141-04086-000

replacement
25
25

03141-0408A-000

SCREW

03141-0408A-000

US $0.80

Steering shaft (STEERING SHAFT) Diagram Suzuki SIERRA Pacific 3815976-328298