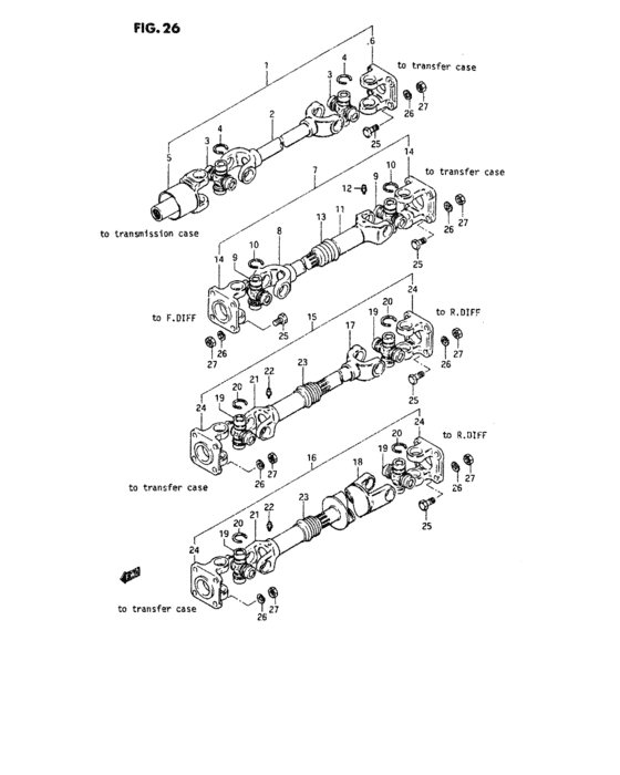
Propeller shaft (PROPELLER SHAFT) Diagram Suzuki SIERRA

Year
-
Sales region
Pacific
grade
DX

Difficulties in parts search?

Parts list
Propeller shaft

Difficulties in parts search?

Propeller shaft
Description OEM Part # Price
1
1
27101-80001-000
Shaft assy, propeller no.1

27101-80001-000

replacement
1
1
27101-80072-000
Shaft assy,propeller

27101-80072-000

2
2
27171-80001-000
Shaft, propeller no.1

FROM 27171-80000

27171-80001-000

3
3
27200-73810-000
Joint assy, universal

27200-73810-000

replacements
3
3
27200-73813-000
JOINT SET,UNIVERSAL

27200-73813-000

3
3

27200-73814-000

Joint Set, Universal Rr

27200-73814-000

from US $52

4
4

09380-25005-000

RING,SNAP

Circlip

09380-25005-000

from US $1.52

5
5
27140-73002-000
Yoke, sliding

FROM 27140-73001

27140-73002-000

replacement
5
5
27140-73003-000
Yoke,sliding

FROM 27140-73001

27140-73003-000

6
6
27131-73002-000
Yoke, joint flange

FROM 27131-73001

27131-73002-000

replacement
6
6
27131-63C00-000
YOKE,JOINT FLANGE

FROM 27131-73001

27131-63C00-000

7
7
27102-80001-000
Shaft assy, propeller no.2

FRONT DRIVE

27102-80001-000

replacement
7
7
27102-80072-000
Shaft assy,propeller

FRONT DRIVE

27102-80072-000

8
8
27150-80001-000
Shaft, propeller no.2

FROM 27150-80000

27150-80001-000

replacement
8
8
27150-80010-000
New Genuine Part

FROM 27150-80000

27150-80010-000

9
9
27200-73810-000
Joint assy, universal

27200-73810-000

replacements
9
9
27200-73813-000
JOINT SET,UNIVERSAL

27200-73813-000

9
9

27200-73814-000

Joint Set, Universal Rr

27200-73814-000

from US $52

10
10

09380-25005-000

RING,SNAP

Circlip

09380-25005-000

from US $1.52

11
11
27180-73002-000
Yoke,sliding

FROM 27180-73001

27180-73002-000

12
12
08351-21008-000
Grease nipple

08351-21008-000

replacement
12
12

08351-2100A-000

NIPPLE

08351-2100A-000

from US $2.40

13
13

27153-62021-000

BOOT,PROPELLER SHAFT

FROM 27153-62020

27153-62021-000

from US $14.08

14
14
27131-73002-000
Yoke, joint flange

FROM 27131-73001

27131-73002-000

replacement
14
14
27131-63C00-000
YOKE,JOINT FLANGE

FROM 27131-73001

27131-63C00-000

15
15
27103-80001-000
Shaft assy, propeller no.3

REAR DRIVE

27103-80001-000

replacement
15
15
27103-80072-000
Shaft assy,propeller

REAR DRIVE

27103-80072-000

16
16
27103-80201-000
Shaft assy, propeller no.3

REAR DRIVE

27103-80201-000

17
17
27160-80001-000
Shaft, propeller no.3

FROM 27160-80000

27160-80001-000

replacement
17
17
27160-80010-000
New Genuine Part

FROM 27160-80000

27160-80010-000

18
18
27160-80201-000
Shaft, propeller no.3

FROM 27160-80200

27160-80201-000

19
19
27200-73810-000
Joint assy, universal

27200-73810-000

replacements
19
19
27200-73813-000
JOINT SET,UNIVERSAL

27200-73813-000

19
19

27200-73814-000

Joint Set, Universal Rr

27200-73814-000

from US $52

20
20

09380-25005-000

RING,SNAP

Circlip

09380-25005-000

from US $1.52

21
21
27180-73002-000
Yoke,sliding

FROM 27180-73001

27180-73002-000

22
22
08351-21008-000
Grease nipple

08351-21008-000

replacement
22
22

08351-2100A-000

NIPPLE

08351-2100A-000

from US $2.40

23
23

27153-62021-000

BOOT,PROPELLER SHAFT

FROM 27153-62020

27153-62021-000

from US $14.08

24
24
27131-73002-000
Yoke, joint flange

FROM 27131-73001

27131-73002-000

replacement
24
24
27131-63C00-000
YOKE,JOINT FLANGE

FROM 27131-73001

27131-63C00-000

25
25
09100-08172-000
Vis

09100-08172-000

replacement
25
25

09100-08270-000

BOLT(8X28)

09100-08270-000

US $1.67

26
26
08321-31086-000
Lock washer

08321-31086-000

replacements
26
26

08321-0108B-000

WASHER,LOCK

08321-0108B-000

from US $0.76

26
26

08321-0108A-000

WASHER,LOCK

08321-0108A-000

from US $0.80

27
27
08310-12086-000
ナット

08310-12086-000

replacements
27
27

08310-0008A-000

NUT

Nut, bead stopper

08310-0008A-000

from US $0.76

27
27

08310-0008B-000

NUT

08310-0008B-000

from US $0.80

Propeller shaft (PROPELLER SHAFT) Diagram Suzuki SIERRA Pacific 3815939-328300