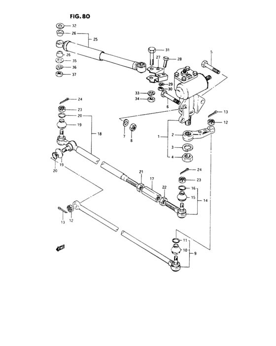
Steering link (LHD) Diagram Suzuki SIERRA
- Year
- -
- Sales region
- Pacific
- grade
- JX
Difficulties in parts search?
Difficulties in parts search?
| Description | OEM Part # | Price | |||
|---|---|---|---|---|---|
|
1
|
1
48600-80090-000
BOX ASSY,STEERING GEAR
<-48600-80070 |
48600-80090-000 |
— | ||
|
2
|
2
48671-80060-000
アーム,ピットマン
|
48671-80060-000 |
— | ||
| replacement | |||||
|
2
|
2
48671-80011-000 ARM,PITMAN |
48671-80011-000 |
US $61.57 |
||
|
3
|
3
08321-21208-000
Washer,lock 20m
|
08321-21208-000 |
— | ||
| replacement | |||||
|
3
|
3
48644-80010-000 WASHER,PITMAN ARM LOCK |
48644-80010-000 |
US $1.92 |
||
|
4
|
4
48674-63240-000 NUT |
48674-63240-000 |
US $5.92 |
||
|
5
|
5
01107-12703-000
Bolt 12x70
|
01107-12703-000 |
— | ||
| replacement | |||||
|
5
|
5
01500-1270A-000 Bolt |
01500-1270A-000 |
US $1.60 |
||
|
6
|
6
01107-12903-000
ボルト
|
01107-12903-000 |
— | ||
| replacement | |||||
|
6
|
6
01500-1290A-000 Bolt |
01500-1290A-000 |
US $1.82 |
||
|
7
|
7
08321-31123-000
ロックワッシャ
|
08321-31123-000 |
— | ||
| replacement | |||||
|
7
|
7
08321-0112A-000 WASHER,LOCK |
08321-0112A-000 |
from US $0.76 |
||
|
8
|
8
08310-11123-000
New Genuine Part
|
08310-11123-000 |
— | ||
| replacement | |||||
|
8
|
8
08310-0012A-000 NUT |
08310-0012A-000 |
from US $0.76 |
||
|
8
|
8
08319-21123-000
Nut
Germany, Austria |
08319-21123-000 |
— | ||
| replacement | |||||
|
8
|
8
08319-2112B-000 NUTGermany, Austria |
08319-2112B-000 |
from US $7.06 |
||
|
9
|
9
48900-80061-000
Rod assy, steering drug
<-48900-80060 |
48900-80061-000 |
— | ||
| replacement | |||||
|
9
|
9
48900-80062-000
ROD ASSY,STRG DRAG
<-48900-80060 |
48900-80062-000 |
— | ||
|
10
|
10
48806-80000-000
BOOT SET
<-48814-80000 |
48806-80000-000 |
— | ||
| replacements | |||||
|
10
|
10
48806-80001-000
Boot Set
<-48814-80000 |
48806-80001-000 |
— | ||
|
10
|
10
48800-80810-000 Boot Set<-48814-80000 |
48800-80810-000 |
US $32 |
||
|
11
|
11
09401-27401-000
New Genuine Part
|
09401-27401-000 |
— | ||
| replacement | |||||
|
11
|
11
09401-27402-000 CLIP |
09401-27402-000 |
US $1.28 |
||
|
12
|
12
08314-41123-000
Nut
|
08314-41123-000 |
— | ||
| replacement | |||||
|
12
|
12
08314-4012A-000 NUT |
08314-4012A-000 |
from US $0.95 |
||
|
13
|
13
04111-30306-000
Cotter pin
|
04111-30306-000 |
— | ||
| replacement | |||||
|
13
|
13
04111-3030A-000 PIN |
04111-3030A-000 |
from US $0.76 |
||
|
14
|
14
48810-83300-000
End, tie rod rh
<-48810-80000 |
48810-83300-000 |
— | ||
| replacement | |||||
|
14
|
14
48810-81A01-000 END,DRAG ROD,L<-48810-80000 |
48810-81A01-000 |
US $81.60 |
||
|
15
|
15
48806-80000-000
BOOT SET
<-48814-80000 |
48806-80000-000 |
— | ||
| replacements | |||||
|
15
|
15
48806-80001-000
Boot Set
<-48814-80000 |
48806-80001-000 |
— | ||
|
15
|
15
48800-80810-000 Boot Set<-48814-80000 |
48800-80810-000 |
US $32 |
||
|
16
|
16
09401-27401-000
New Genuine Part
|
09401-27401-000 |
— | ||
| replacement | |||||
|
16
|
16
09401-27402-000 CLIP |
09401-27402-000 |
US $1.28 |
||
|
17
|
17
48836-63001-000 CONNECTOR,TIE-ROD END |
48836-63001-000 |
US $26.61 |
||
|
18
|
18
48870-80061-000
Tie rod, steering
<-48870-80060 |
48870-80061-000 |
— | ||
| replacements | |||||
|
18
|
18
48870-73A60-000
TIE-ROD,STEERING
<-48870-80060 |
48870-73A60-000 |
— | ||
|
18
|
18
48836-70A00-000 CONNECTOR,TIE-ROD END<-48870-80060 |
48836-70A00-000 |
US $32.80 |
||
|
18
|
18
48838-70A00-000 NUT,TIE-ROD END LOCK,L<-48870-80060 |
48838-70A00-000 |
US $2.56 |
||
|
19
|
19
48806-80000-000
BOOT SET
<-48814-80000 |
48806-80000-000 |
— | ||
| replacements | |||||
|
19
|
19
48806-80001-000
Boot Set
<-48814-80000 |
48806-80001-000 |
— | ||
|
19
|
19
48800-80810-000 Boot Set<-48814-80000 |
48800-80810-000 |
US $32 |
||
|
20
|
20
09401-27401-000
New Genuine Part
|
09401-27401-000 |
— | ||
| replacement | |||||
|
20
|
20
09401-27402-000 CLIP |
09401-27402-000 |
US $1.28 |
||
|
21
|
21
09140-16022-000 NUTLH THREADS |
09140-16022-000 |
US $2.56 |
||
|
22
|
22
09140-16023-000 NUTRH THREADS |
09140-16023-000 |
US $2.56 |
||
|
23
|
23
08314-41123-000
Nut
|
08314-41123-000 |
— | ||
| replacement | |||||
|
23
|
23
08314-4012A-000 NUT |
08314-4012A-000 |
from US $0.95 |
||
|
24
|
24
04111-30306-000
Cotter pin
|
04111-30306-000 |
— | ||
| replacement | |||||
|
24
|
24
04111-3030A-000 PIN |
04111-3030A-000 |
from US $0.76 |
||
|
25
|
25
48730-80011-000
Damper assy, steering
|
48730-80011-000 |
— | ||
| replacement | |||||
|
25
|
25
48730-80012-000 DAMPER ASSY,STRG |
48730-80012-000 |
US $199.12 |
||
|
26
|
26
41681-58010-000 BUSHING,LOWER |
41681-58010-000 |
US $4.80 |
||
|
27
|
27
48741-80060-000
STAY,STEERING DAMPER
|
48741-80060-000 |
— | ||
|
28
|
28
01107-08303-000
ボルト
|
01107-08303-000 |
— | ||
| replacement | |||||
|
28
|
28
01500-0830B-000 Bolt |
01500-0830B-000 |
from US $0.96 |
||
|
29
|
29
08321-31083-000
New Genuine Part
|
08321-31083-000 |
— | ||
| replacements | |||||
|
29
|
29
08321-0108A-000 WASHER,LOCK |
08321-0108A-000 |
from US $0.80 |
||
|
29
|
29
08321-0108B-000 WASHER,LOCK |
08321-0108B-000 |
from US $0.76 |
||
|
30
|
30
08310-11083-000
ナット
|
08310-11083-000 |
— | ||
| replacements | |||||
|
30
|
30
08310-0008A-000 NUTNut, bead stopper |
08310-0008A-000 |
from US $0.76 |
||
|
30
|
30
08310-0008B-000 NUT |
08310-0008B-000 |
from US $0.80 |
||
|
31
|
31
01104-12553-000
New Genuine Part
|
01104-12553-000 |
— | ||
| replacement | |||||
|
31
|
31
01500-1255B-000 Bolt |
01500-1255B-000 |
from US $1.38 |
||
|
32
|
32
08322-21123-000 New Genuine Part |
08322-21123-000 |
US $1.12 |
||
| replacement | |||||
|
32
|
32
08322-0112B-000 WASHER |
08322-0112B-000 |
from US $0.80 |
||
|
33
|
33
08321-31123-000
ロックワッシャ
|
08321-31123-000 |
— | ||
| replacement | |||||
|
33
|
33
08321-0112A-000 WASHER,LOCK |
08321-0112A-000 |
from US $0.76 |
||
|
34
|
34
08310-11123-000
New Genuine Part
|
08310-11123-000 |
— | ||
| replacement | |||||
|
34
|
34
08310-0012A-000 NUT |
08310-0012A-000 |
from US $0.76 |
||
|
35
|
35
09160-10074-000
Rondelle
|
09160-10074-000 |
— | ||
| replacements | |||||
|
35
|
35
09160-10035-000 WASHER(10.5X28X2.3)Washer |
09160-10035-000 |
from US $1.28 |
||
|
35
|
35
09160-10129-000 WASHER(10.5X28X1.6)Washer (10.5x28x1.6) |
09160-10129-000 |
US $1.28 |
||
|
36
|
36
08321-31103-000
ロックワッシャ
|
08321-31103-000 |
— | ||
| replacements | |||||
|
36
|
36
08321-0110A-000 WASHER,LOCK |
08321-0110A-000 |
from US $0.80 |
||
|
36
|
36
08321-0110B-000 WASHER,LOCKWasher, knuckle end |
08321-0110B-000 |
from US $0.80 |
||
|
37
|
37
08310-12103-000
Nut
|
08310-12103-000 |
— | ||
| replacements | |||||
|
37
|
37
08310-0010B-000 NUT |
08310-0010B-000 |
from US $0.80 |
||
|
37
|
37
08310-0010A-000 NUT |
08310-0010A-000 |
from US $0.80 |
||