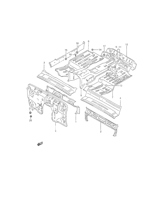
Center panel (CENTER PANEL) Diagram Suzuki SIERRA
- Year
- -
- Sales region
- All regions
- grade
- JX
Difficulties in parts search?
Difficulties in parts search?
| Description | OEM Part # | Price | |||
|---|---|---|---|---|---|
|
1
|
1
59600-83011-000
Panel assy,cowl upper rr
|
59600-83011-000 |
— | ||
|
2
|
2
59600-83131-000
Paneau sup ar mod - v
|
59600-83131-000 |
— | ||
|
3
|
3
59300-83001-000
PANEL ASSY,COWL UPPER
|
59300-83001-000 |
— | ||
| replacement | |||||
|
3
|
3
59300-830V0-000 PANEL ASSY,COWL UPR |
59300-830V0-000 |
US $113.25 |
||
|
4
|
4
59300-80142-000
Panneau tablier mod-v
|
59300-80142-000 |
— | ||
| replacement | |||||
|
4
|
4
59300-80144-000
Panel assy,cowl upper
|
59300-80144-000 |
— | ||
|
5
|
5
61100-83311-000
Panel, dash
<-61100-83310 |
61100-83311-000 |
— | ||
|
5
|
5
61100-83321-000
Panel, dash
W/AIR CON, SPECIAL EDITION,<-61100-83320 |
61100-83321-000 |
— | ||
| replacement | |||||
|
5
|
5
61100-83331-000
Panel, dash
W/AIR CON, SPECIAL EDITION,<-61100-83320 |
61100-83331-000 |
— | ||
|
5
|
5
61100-83331-000
Panel, dash
W/AIR CON, SPECIAL EDITION,<-61100-83330 |
61100-83331-000 |
— | ||
|
6
|
6
61400-83031-000
Panel,front floor,r
86 MODEL,<-61400-83030 |
61400-83031-000 |
— | ||
|
6
|
6
61400-83040-000
Panel, floor rh
87 MODEL,88 MODEL |
61400-83040-000 |
— | ||
| replacement | |||||
|
6
|
6
61400-83041-000
PANEL,FRONT FLOOR,R
87 MODEL,88 MODEL |
61400-83041-000 |
— | ||
|
7
|
7
61500-83010-000
Paneau stage av cg
|
61500-83010-000 |
— | ||
| replacements | |||||
|
7
|
7
61600-83011-000
Paneau tunel
|
61600-83011-000 |
— | ||
|
7
|
7
61500-80260-000
PANEL,FRONT FLOOR,L
|
61500-80260-000 |
— | ||
|
8
|
8
61600-83011-000
Paneau tunel
|
61600-83011-000 |
— | ||
|
9
|
9
61810-83030-000 MEMBER,CTR FL NO.1W/REAR SEAT:BENCH |
61810-83030-000 |
US $64 |
||
|
10
|
10
73722-63001-000 HOOK,RR |
73722-63001-000 |
US $9.64 |
||
|
11
|
11
61810-83040-000
Member, floor no.1
W/REAR SEAT:SEPARATE |
61810-83040-000 |
— | ||
| replacement | |||||
|
11
|
11
61810-83030-000 MEMBER,CTR FL NO.1W/REAR SEAT:SEPARATE |
61810-83030-000 |
US $64 |
||
|
12
|
12
61820-83010-000
メンバ,センタフロア,NO.2
|
61820-83010-000 |
— | ||
| replacement | |||||
|
12
|
12
61820-8300V-000 MEMBER,CTR FL NO.2 |
61820-8300V-000 |
US $124.80 |
||
|
13
|
13
09250-40002-000 CAP(OD:52) |
09250-40002-000 |
from US $1.82 |
||
|
14
|
14
09250-30011-000 CAP(OD:38.5) |
09250-30011-000 |
US $1.60 |
||
| replacement | |||||
|
14
|
14
72999-67H00-000 CAP,OD:40 |
72999-67H00-000 |
from US $4.32 |
||
|
15
|
15
09250-20015-000 CAP(OD:28.5)Cap, air con harness |
09250-20015-000 |
from US $0.79 |
||
|
16
|
16
09250-25007-000 CAP(OD:25.0) |
09250-25007-000 |
from US $0.97 |
||
|
17
|
17
09250-20015-000 CAP(OD:28.5)Cap, air con harness |
09250-20015-000 |
from US $0.79 |
||
|
18
|
18
09125-08003-000 SCREW(8X14) |
09125-08003-000 |
from US $2.45 |
||
|
19
|
19
67627-70000-000
シール,ホール
|
67627-70000-000 |
— | ||
| replacement | |||||
|
19
|
19
84761-50X50-000 SEAL,140X190Seal, rr defogger wire hole |
84761-50X50-000 |
US $6.72 |
||
|
20
|
20
09250-25007-000 CAP(OD:25.0) |
09250-25007-000 |
from US $0.97 |
||
|
21
|
21
09250-30011-000 CAP(OD:38.5) |
09250-30011-000 |
US $1.60 |
||
| replacement | |||||
|
21
|
21
72999-67H00-000 CAP,OD:40 |
72999-67H00-000 |
from US $4.32 |
||
|
22
|
22
02142-06104-000
Screw
|
02142-06104-000 |
— | ||
| replacements | |||||
|
22
|
22
02142-0610B-000 SCREWStopper, cl rlse cam shaft |
02142-0610B-000 |
from US $0.76 |
||
|
22
|
22
02142-0610A-000 SCREW |
02142-0610A-000 |
from US $0.80 |
||
|
23
|
23
67627-70000-000
シール,ホール
|
67627-70000-000 |
— | ||
| replacement | |||||
|
23
|
23
84761-50X50-000 SEAL,140X190Seal, rr defogger wire hole |
84761-50X50-000 |
US $6.72 |
||
|
24
|
24
61550-80001-000
Renfort cg
|
61550-80001-000 |
— | ||
| replacement | |||||
|
24
|
24
61550-57C00-000
MEMBER,FR SEAT,L
|
61550-57C00-000 |
— | ||