Cylinder block (CYLINDER BLOCK) Diagram Suzuki SIERRA

Year
-
Sales region
All regions
drive
4WD
grade
JA

Difficulties in parts search?

Parts list
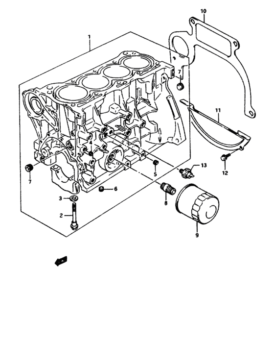
Cylinder block

Difficulties in parts search?

Cylinder block
Description OEM Part # Price
1
1
11200-64B01-000
Block assy, cylinder

11200-64B01-000

replacement
1
1

11200-52G03-000

BLOCK ASSY,CYLINDER

11200-52G03-000

US $2,160.32

1
1
11200-51G01-000
ブロックアッシ,シリンダ

JS4JC31C S4100019~

11200-51G01-000

replacement
1
1

11200-52G03-000

BLOCK ASSY,CYLINDER

JS4JC31C S4100019~

11200-52G03-000

US $2,160.32

2
2
11260-50G00-000
ボルト,ベアリングキャップ

11260-50G00-000

replacement
2
2

11260-50G01-000

BOLT,CRANK BEARING CAP

11260-50G01-000

US $1.98

3
3
09160-10060-000
Washer

09160-10060-000

replacement
3
3

09160-10039-000

WASHER(10.5X22X2.3)

09160-10039-000

from US $1.06

4
4

09246-05006-000

PLUG(1/8PT,H:5.5)

09246-05006-000

from US $1.42

5
5
09246-06002-000
PLUG

09246-06002-000

replacement
5
5

09246-08007-000

PLUG

09246-08007-000

US $1.76

6
6
09246-06002-000
PLUG

09246-06002-000

replacement
6
6

09246-08007-000

PLUG

09246-08007-000

US $1.76

7
7

09246-08002-000

PLUG

09246-08002-000

US $1.76

8
8

11241-73003-000

STAND,OIL FILTER

11241-73003-000

US $6.40

9
9
16510-61A01-000
フィルタアッシ,オイル(TOKYO ROKI)

16510-61A01-000

replacements
9
9
16510-61A20-MHL
Filter assy, oil

16510-61A20-MHL

9
9
16510-61A31-000
FILTER ASSY,OIL WAKO

16510-61A31-000

10
10
11311-63A01-000
PLATE,CLUTCH HSG UPPER

11311-63A01-000

11
11
11320-83001-000
プレート,クラッチハウジング,ロア

11320-83001-000

replacement
11
11

11320-83002-000

PLATE,CLUTCH HSG LOWER

11320-83002-000

US $16.72

12
12
01550-06103-000
Bolt, front

01550-06103-000

replacements
12
12

01550-0610B-000

Bolt

Bolt

01550-0610B-000

from US $0.80

12
12

01550-0610A-000

BOLT

01550-0610A-000

from US $0.80

13
13
37820-82001-000
Switch assy, oil pressure

37820-82001-000

replacement
13
13

37820-820P0-000

SWITCH ASSY,OIL PRESSURE

37820-820P0-000

from US $12.02

Cylinder block (CYLINDER BLOCK) Diagram Suzuki SIERRA All regions 3817213-328735