rear suspension (4WD; 2008-07-01~) Diagram Suzuki SX4
- Year
- 2008 - 2011
- Sales region
- Japan
- Engine
- M15A
- drive
- 4WD
- Number of doors
- 5DR
- grade
- FG
Difficulties in parts search?
Difficulties in parts search?
| Description | OEM Part # | Price | |||
|---|---|---|---|---|---|
|
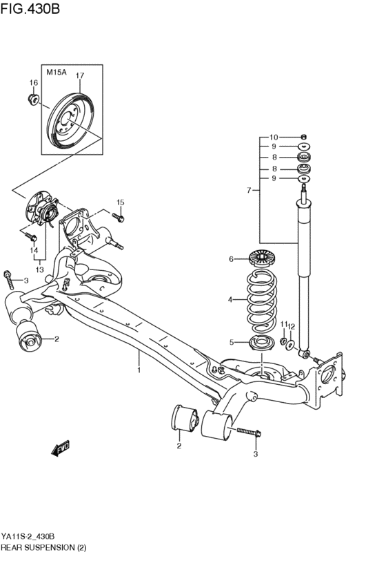
1
|
1
46510-80J10-000
Beam comp,rear spnsn
4WD:M15A; 2008-07-01~ |
46510-80J10-000 |
— | ||
| replacement | |||||
|
1
|
1
46500-80J11-000 BEAM ASSY,RR SPNSN4WD:M15A; 2008-07-01~ |
46500-80J11-000 |
US $904.64 |
||
|
2
|
2
46221-80J00-000
Bushing,trailing arm
4WD; 2008-07-01~ |
46221-80J00-000 |
— | ||
| replacement | |||||
|
2
|
2
46221-80J01-000 BUSHING,TRAILING ARM4WD; 2008-07-01~ |
46221-80J01-000 |
from US $57.11 |
||
|
3
|
3
09135-12015-000 BOLT(12X115)4WD; 2008-07-01~ |
09135-12015-000 |
US $44.20 |
||
|
4
|
4
41311-80J50-000 SPRING,REAR COIL4WD:(FF,FQ,FG,FR,FT); 2008-07-01~ |
41311-80J50-000 |
US $156.80 |
||
|
5
|
5
41312-63J00-000 SEAT,REAR SPRING RUBBER LOWER4WD; 2008-07-01~ |
41312-63J00-000 |
US $24 |
||
|
6
|
6
41341-80J00-000 SEAT,REAR SPRING UPPER4WD; 2008-07-01~ |
41341-80J00-000 |
US $26.40 |
||
|
7
|
7
41800-80J41-000 ABSORBER ASSY,RR SHOCK4WD:(FF,FQ,FG,FR,FT); 2008-07-01~ |
41800-80J41-000 |
US $189.52 |
||
|
8
|
8
41812-63J00-000 BUSHING,RR SHK ABS UPR4WD; 2008-07-01~ |
41812-63J00-000 |
US $11.68 |
||
|
9
|
9
41813-63J00-000 WASHER,RR SHK ABS UPR4WD; 2008-07-01~ |
41813-63J00-000 |
US $2.90 |
||
|
10
|
10
41814-63J00-000 NUT,RR SHOCK ABS UPR4WD; 2008-07-01~ |
41814-63J00-000 |
US $3.75 |
||
|
11
|
11
09159-12045-000 NUT4WD; 2008-07-01~ |
09159-12045-000 |
US $16.20 |
||
| replacement | |||||
|
11
|
11
09159-12049-000 NUT4WD; 2008-07-01~ |
09159-12049-000 |
US $38.60 |
||
|
12
|
12
09160-12109-000 WASHER(12.5X38X3.2)4WD; 2008-07-01~ |
09160-12109-000 |
US $21.30 |
||
|
13
|
13
43402-80J50-000
Hub assy,wheel
4WD; 2008-07-01~ |
43402-80J50-000 |
— | ||
| replacement | |||||
|
13
|
13
43402-80J54-000 HUB ASSY,WHL4WD; 2008-07-01~ |
43402-80J54-000 |
US $513.92 |
||
|
14
|
14
09119-12012-000 BOLT(12X38)4WD; 2008-07-01~ |
09119-12012-000 |
US $2.72 |
||
|
15
|
15
09103-12080-000 BOLT(12X30)4WD; 2008-07-01~ |
09103-12080-000 |
US $2.40 |
||
|
16
|
16
09159-18017-000
Nut
4WD; 2008-07-01~ |
09159-18017-000 |
— | ||
| replacement | |||||
|
16
|
16
09159-18026-000 NUT4WD; 2008-07-01~ |
09159-18026-000 |
from US $3.33 |
||
|
17
|
17
43511-80J00-000
Drum,brake rear
4WD:M15A; 2008-07-01~ |
43511-80J00-000 |
— | ||
| replacement | |||||
|
17
|
17
43511-80J01-000 DRUM,BRAKE RR4WD:M15A; 2008-07-01~ |
43511-80J01-000 |
from US $123.65 |
||