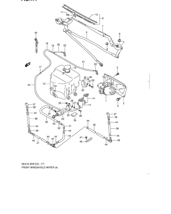
Fr windshield wiper (Finland,Norway,Sweden,Czech Republic,Iceland) Diagram Suzuki VITARA
- Year
- -
- Sales region
- Africa
- transmission
- 3AT
- grade
- JLX
Difficulties in parts search?
Difficulties in parts search?
| Description | OEM Part # | Price | |||
|---|---|---|---|---|---|
|
1
|
1
38101-60A40-000 MOTOR&BRACKET ASSY,WIPER |
38101-60A40-000 |
US $467.38 |
||
|
2
|
2
38252-60A00-000 BRACKET,WIPER |
38252-60A00-000 |
US $22.40 |
||
|
3
|
3
01570-06103-000
Bolt
|
01570-06103-000 |
— | ||
| replacement | |||||
|
3
|
3
01570-0610A-000 Bolt |
01570-0610A-000 |
from US $2.48 |
||
|
4
|
4
09115-06001-000
Bolt, lh
|
09115-06001-000 |
— | ||
| replacement | |||||
|
4
|
4
09115-06005-000 BOLT(6X16) |
09115-06005-000 |
US $1.28 |
||
|
5
|
5
38102-60A10-000
LINK ASSY,WIPER
|
38102-60A10-000 |
— | ||
|
6
|
6
08316-10063-000
Nut
|
08316-10063-000 |
— | ||
| replacement | |||||
|
6
|
6
08316-1006B-000 NUT |
08316-1006B-000 |
from US $0.76 |
||
|
7
|
7
38310-60A00-000 ARM ASSY,WIPERTYPE 1 |
38310-60A00-000 |
US $152.80 |
||
|
7
|
7
38310-56B00-000
ARM ASSY,WIPER
TYPE 2,TYPE 3 |
38310-56B00-000 |
— | ||
|
8
|
8
08313-10083-000
Nut
|
08313-10083-000 |
— | ||
| replacement | |||||
|
8
|
8
08313-1008B-000 NUT |
08313-1008B-000 |
from US $0.96 |
||
|
9
|
9
38340-60A00-000 BLADE ASSY,WIPERTYPE 1 |
38340-60A00-000 |
US $55.20 |
||
|
9
|
9
38340-50F00-000 BLADE ASSY,WIPER,RTYPE 2,TYPE 3,<-38340-56B00 |
38340-50F00-000 |
US $28.34 |
||
|
10
|
10
38346-84040-000
Blade,rubber
TYPE 1 |
38346-84040-000 |
— | ||
|
10
|
10
38346-56B00-000
BLADE
TYPE 2,TYPE 3 |
38346-56B00-000 |
— | ||
|
11
|
11
38319-75000-000 SCREW,WIPER BLADETYPE 1 |
38319-75000-000 |
US $2.40 |
||
|
12
|
12
39132-60A02-000
Tank, washer
|
39132-60A02-000 |
— | ||
|
12
|
12
39132-60A12-000
Tank,washer
W/REAR WASHER |
39132-60A12-000 |
— | ||
|
13
|
13
39133-60A00-000 CAP,WASHER TANK |
39133-60A00-000 |
US $2.54 |
||
|
14
|
14
38410-66113-000 PUMP ASSY,WASHERPump assy, washer |
38410-66113-000 |
from US $59.20 |
||
|
15
|
15
38453-75000-000 GROMMET |
38453-75000-000 |
US $1.60 |
||
|
16
|
16
38491-61A00-000 HOSE,WASHER L:1300Hose, washer (l:1300->80) |
38491-61A00-000 |
US $5.12 |
||
|
17
|
17
38496-61A00-000 VALVE,CHECK |
38496-61A00-000 |
from US $1.71 |
||
|
18
|
18
38491-61A00-000 HOSE,WASHER L:1300Hose, washer (l:1300->80) |
38491-61A00-000 |
US $5.12 |
||
|
19
|
19
38496-71311-000 CONNECTOR,THREE WAY |
38496-71311-000 |
US $4.16 |
||
|
20
|
20
38491-61A00-000 HOSE,WASHER L:1300Hose, washer (l:1300->80) |
38491-61A00-000 |
US $5.12 |
||
|
21
|
21
38491-61A00-000 HOSE,WASHER L:1300Hose, washer (l:1300->80) |
38491-61A00-000 |
US $5.12 |
||
|
22
|
22
38480-60A01-000 NOZZLE,WASHER |
38480-60A01-000 |
US $24.80 |
||
|
23
|
23
39141-85000-000
MOTOR ASSY
|
39141-85000-000 |
— | ||
|
24
|
24
39143-80000-000 PACKING,MOTOR |
39143-80000-000 |
US $2.91 |
||
|
25
|
25
39132-84000-000
BRACKET,MOTOR
|
39132-84000-000 |
— | ||
|
26
|
26
01500-06203-000
Bolt
|
01500-06203-000 |
— | ||
| replacement | |||||
|
26
|
26
01500-0620A-000 BOLT |
01500-0620A-000 |
from US $0.76 |
||
|
27
|
27
08321-01063-000
Washer, lock
<-08321-21064 |
08321-01063-000 |
— | ||
| replacement | |||||
|
27
|
27
08321-0106A-000 WASHER,LOCK<-08321-21064 |
08321-0106A-000 |
from US $0.76 |
||
|
28
|
28
08322-01063-000
Washer
<-08322-21064 |
08322-01063-000 |
— | ||
| replacement | |||||
|
28
|
28
08322-0106B-000 WASHER<-08322-21064 |
08322-0106B-000 |
from US $0.76 |
||
|
29
|
29
08316-10063-000
Nut
<-08316-16064 |
08316-10063-000 |
— | ||
| replacement | |||||
|
29
|
29
08316-1006B-000 NUT<-08316-16064 |
08316-1006B-000 |
from US $0.76 |
||
|
30
|
30
39136-60A00-000
HOSE,WASHER
|
39136-60A00-000 |
— | ||
|
31
|
31
39137-60A00-000
JOINT,WASHER HOSE
|
39137-60A00-000 |
— | ||
|
32
|
32
39193-82000-000 CLIP |
39193-82000-000 |
US $1.84 |
||
|
33
|
33
39134-60A00-000
BRACKET,WASHER TANK
|
39134-60A00-000 |
— | ||
|
34
|
34
02142-06163-000
Screw
|
02142-06163-000 |
— | ||
| replacement | |||||
|
34
|
34
02142-0616A-000 SCREW |
02142-0616A-000 |
from US $0.76 |
||
|
35
|
35
39135-60A00-000
CUSHION,WASHER TANK
|
39135-60A00-000 |
— | ||
|
36
|
36
39110-60A00-000 NOZZLE ASSY,HLC |
39110-60A00-000 |
US $41.58 |
||
|
37
|
37
39111-60A00-000
CASE,HEADLAMP CLEANER NOZZLE
|
39111-60A00-000 |
— | ||
|
38
|
38
39123-56B00-000 HOSE,L:660 |
39123-56B00-000 |
US $13.62 |
||
|
39
|
39
39121-85000-000 VALVE ASSY,CHECK |
39121-85000-000 |
US $9.57 |
||
|
40
|
40
39123-56B00-000 HOSE,L:660 |
39123-56B00-000 |
US $13.62 |
||
|
41
|
41
39123-56B00-000 HOSE,L:660 |
39123-56B00-000 |
US $13.62 |
||
|
42
|
42
39122-85000-000
JOINT
|
39122-85000-000 |
— | ||
|
43
|
43
39123-56B00-000 HOSE,L:660 |
39123-56B00-000 |
US $13.62 |
||
|
44
|
44
39193-82000-000 CLIP |
39193-82000-000 |
US $1.84 |
||
|
45
|
45
09407-12404-000 CLAMP(L:140)<-09407-14405 |
09407-12404-000 |
US $2.08 |
||
|
46
|
46
09404-06434-000
CLAMP(L:80 T:1.0)
<-09404-06405 |
09404-06434-000 |
— | ||
| replacement | |||||
|
46
|
46
09404-06036-000 Clamp(L:80)<-09404-06405 |
09404-06036-000 |
from US $1.82 |
||
|
47
|
47
01550-06123-000
Bolt
|
01550-06123-000 |
— | ||
| replacements | |||||
|
47
|
47
01550-0612B-000 BOLTBolt, clamp |
01550-0612B-000 |
from US $0.76 |
||
|
47
|
47
01550-0612A-000 BOLT |
01550-0612A-000 |
from US $0.76 |
||
|
48
|
48
02142-06103-000
Screw
|
02142-06103-000 |
— | ||
| replacements | |||||
|
48
|
48
02142-0610B-000 SCREWStopper, cl rlse cam shaft |
02142-0610B-000 |
from US $0.76 |
||
|
48
|
48
02142-0610A-000 SCREW |
02142-0610A-000 |
from US $0.80 |
||