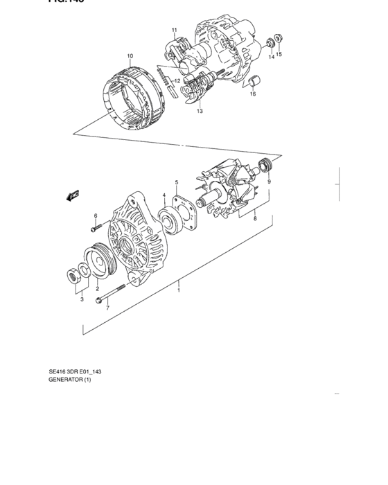
Generator (GENERATOR) Diagram Suzuki VITARA
- Year
- -
- Sales region
- Africa
- transmission
- 3AT
- grade
- JLX
Difficulties in parts search?
Difficulties in parts search?
| Description | OEM Part # | Price | |||
|---|---|---|---|---|---|
|
1
|
1
31400-60A11-000
Generator assy
<-31400-60A10 |
31400-60A11-000 |
— | ||
| replacements | |||||
|
1
|
1
31400-60A13-000
GENERATOR ASSY
<-31400-60A10 |
31400-60A13-000 |
— | ||
|
1
|
1
31400-60A14-000 Generator Assy<-31400-60A10 |
31400-60A14-000 |
US $693.44 |
||
|
2
|
2
31171-86520-000
PULLEY
|
31171-86520-000 |
— | ||
|
2
|
2
31171-60A11-000 PULLEYSEE NOTE 2 |
31171-60A11-000 |
US $92 |
||
|
3
|
3
31775-60C10-000 NUT,PULLEY |
31775-60C10-000 |
US $4.31 |
||
| replacement | |||||
|
3
|
3
31775-50F20-000 NUT |
31775-50F20-000 |
US $2.72 |
||
|
3
|
3
31775-50F20-000 NUTSEE NOTE 2 |
31775-50F20-000 |
US $2.72 |
||
|
4
|
4
31582-60A21-000 BEARING |
31582-60A21-000 |
US $48.21 |
||
|
4
|
4
31582-50F20-000
Bearing,front
SEE NOTE 2 |
31582-50F20-000 |
— | ||
| replacement | |||||
|
4
|
4
31582-50F30-000 BEARING,FRONTSEE NOTE 2 |
31582-50F30-000 |
from US $27.45 |
||
|
5
|
5
31585-60A10-000 RETAINER,BEARING |
31585-60A10-000 |
US $6.66 |
||
|
6
|
6
31586-60A10-000 SCREW SET |
31586-60A10-000 |
US $5.56 |
||
|
7
|
7
31651-86520-000 SCREW SET |
31651-86520-000 |
US $5.78 |
||
|
8
|
8
31710-60A10-000
ROTOR ASSY
|
31710-60A10-000 |
— | ||
|
8
|
8
31710-82C20-000
Rotor assy
SEE NOTE 2 |
31710-82C20-000 |
— | ||
| replacement | |||||
|
8
|
8
31710-82C22-000 ROTOR ASSYSEE NOTE 2 |
31710-82C22-000 |
US $379.04 |
||
|
9
|
9
31612-60A10-000
Bearing,rr
|
31612-60A10-000 |
— | ||
| replacement | |||||
|
9
|
9
31612-60A11-000 BEARING,REAR |
31612-60A11-000 |
US $24 |
||
|
10
|
10
31410-60A10-000 STATOR ASSY |
31410-60A10-000 |
US $360.64 |
||
|
11
|
11
32500-60A10-000
REGULATOR ASSY
|
32500-60A10-000 |
— | ||
|
11
|
11
32500-60F30-000
レギュレータアッシ
SEE NOTE 2 |
32500-60F30-000 |
— | ||
| replacement | |||||
|
11
|
11
32500-60F31-000 REGULATOR ASSYSEE NOTE 2 |
32500-60F31-000 |
US $364.32 |
||
|
12
|
12
31631-60F30-000 BRUSH SET |
31631-60F30-000 |
US $13.28 |
||
|
13
|
13
31621-60A10-000
Rectifier Assy
|
31621-60A10-000 |
— | ||
|
13
|
13
31621-60F30-000 Rectifier AssySEE NOTE 2 |
31621-60F30-000 |
US $252.08 |
||
|
14
|
14
31514-82630-000 INSULATOR |
31514-82630-000 |
US $2.88 |
||
|
15
|
15
08316-10063-000
Nut
|
08316-10063-000 |
— | ||
| replacement | |||||
|
15
|
15
08316-1006B-000 NUT |
08316-1006B-000 |
from US $0.76 |
||
|
16
|
16
31616-82131-000 BUSH |
31616-82131-000 |
US $5.30 |
||
| replacement | |||||
|
16
|
16
31616-82C20-000 BUSH |
31616-82C20-000 |
US $4.97 |
||
|
16
|
16
31616-82C20-000 BUSHTA01C-113151~,TA01V-119476~,JSAETA01C00170447~,JSAETA01V00149925~,JS3TA01C P4140001~,JS3TA01V P4140001~ |
31616-82C20-000 |
US $4.97 |
||