Heating & Air Conditioning - Cooler Piping ([12.2003 - 08.2006] SINGLE A/C (0312-0608)E..IDN) Diagram Toyota AVANZA
- Year
- 2003 - 2006
- Sales region
- U.S.A.
- Frame
- F601
- grade
- E
- body
- VAN
- ENGINE
- K3DE
- DESTINATION
- IDN
- From
- 12.2003
- To
- 08.2006
- Gear Shift Type
- 5F
- Model Mark
- PS1
- Driver's Position
- RHD
- Fuel Induction
- LVVT
Difficulties in parts search?
Difficulties in parts search?
| Description | OEM Part # | Price | |||
|---|---|---|---|---|---|
|
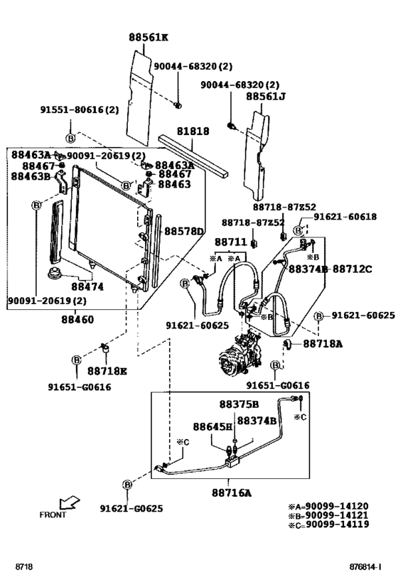
81818
|
81818
81818-BZ010
Packing
[12.2003 - 08.2006] F601 |
81818-BZ010 |
— | ||
|
88374B
|
88374B
88374-30010 Valve, Service, No.1[12.2003 - 08.2006] F601..LVVT |
88374-30010 |
from US $3.08 |
||
|
88375B
|
88375B
88375-30280 Cap, Service Valve (For Cooler Pipe)[12.2003 - 08.2006] F601..LVVT |
88375-30280 |
from US $0.98 |
||
|
88460
|
88460
88460-BZ010
Condenser Assy, Cooler
[12.2003 - 08.2006] F601..LVVT |
88460-BZ010 |
— | ||
|
88463
|
88463
9004B-07001
Bracket, Cooler Condenser, No.1
[12.2003 - 08.2006] F601..LVVT |
9004B-07001 |
— | ||
|
88463A
|
88463A
9004B-07002
Bracket, Cooler Condenser, No.2
[12.2003 - 08.2006] F601..LVVT |
9004B-07002 |
— | ||
|
88463B
|
88463B
9004B-07003
Bracket, Cooler Condenser, No.3
[12.2003 - 08.2006] F601..LVVT |
9004B-07003 |
— | ||
|
88467
|
88467
88467-28050 Cushion, Cooler Condenser, No.1[12.2003 - 08.2006] F601..LVVT |
88467-28050 |
US $2.64 |
||
|
88474
|
88474
88474-17010 Dryer, Cooler[12.2003 - 08.2006] F601..LVVT |
88474-17010 |
from US $60.10 |
||
|
88561J
|
88561J
88561-BZ010
Grille, Air Inlet No.1
[12.2003 - 08.2006] F601..5F..(IDN,MA) |
88561-BZ010 |
— | ||
|
88561K
|
88561K
88561-BZ020
Grille, Air Inlet No.2
[12.2003 - 08.2006] F601..5F..(IDN,MA) |
88561-BZ020 |
— | ||
|
88578D
|
88578D
9004B-54001
Packing, Cooler Pipe, No.1
[12.2003 - 08.2006] F601..4AT..MA;F601..5F..(IDN,MA) |
9004B-54001 |
— | ||
|
88645H
|
88645H
88645-34010 Switch, Pressure[12.2003 - 08.2006] F601..LVVT |
88645-34010 |
from US $31.94 |
||
| replacement | |||||
|
88645H
|
88645H
88645-04040 Switch, Pressure[12.2003 - 08.2006] F601..LVVT |
88645-04040 |
US $120.41 |
||
|
88711
|
88711
88711-BZ010
Hose, Cooler Refrigerant Discharge, No.1
[12.2003 - 08.2006] F601..LVVT |
88711-BZ010 |
— | ||
|
88712C
|
88712C
88712-BZ010
Hose, Suction
[12.2003 - 08.2006] F601..E..IDN |
88712-BZ010 |
— | ||
|
88716A
|
88716A
88716-BZ010
Pipe, Cooler Refrigerant Liquid, A
[12.2003 - 08.2006] F601..E..IDN |
88716-BZ010 |
— | ||
|
88718A
|
88718A
88718-BZ010
Clamp(For Cooler Refrigerant Pipe), No.1
[12.2003 - 08.2006] F601..BRU,IDN,TH |
88718-BZ010 |
— | ||
|
88718E
|
88718E
88718-BZ020
Clamp(For Cooler Refrigerant Pipe), No.5
[12.2003 - 08.2006] F601..BRU,IDN,TH |
88718-BZ020 |
— | ||
|
91621G0625
|
91621G0625
91621-G0625 New Genuine Part |
91621-G0625 |
US $0.73 |
||
|
91651G0616
|
91651G0616
91651-G0616 BOLT WWASHER |
91651-G0616 |
US $1.43 |
||
|
8871887Z52
|
8871887Z52
88718-87Z52
Pipe, Cooler Refrigerant Suction, No.2
|
88718-87Z52 |
— | ||
|
9004468320
|
9004468320
90044-68320
Clip, Engine Under Cover, No.2
|
90044-68320 |
— | ||
| replacement | |||||
|
9004468320
|
9004468320
90044-68378 CLIP |
90044-68378 |
from US $0.57 |
||
|
9009120619
|
9009120619
90091-20619 BOLT |
90091-20619 |
US $0.28 |
||
|
9009914119
|
9009914119
90099-14119 Ring, O(For Cooler Refrigerant Liquid Pipe) |
90099-14119 |
from US $1.62 |
||
| replacement | |||||
|
9009914119
|
9009914119
90099-14119-TH O RING |
90099-14119-TH |
US $0.67 |
||
|
9009914120
|
9009914120
90099-14120 O-Ring, Cooler Evaporator No.1(Discharge) |
90099-14120 |
from US $1.79 |
||
|
9009914121
|
9009914121
90099-14121 O-Ring, Cooler Evaporator No.1(Suction) |
90099-14121 |
from US $1.54 |
||
|
9155180616
|
9155180616
91551-80616 BOLT FLANGE |
91551-80616 |
from US $0.63 |
||
|
9162160618
|
9162160618
91621-60618 New Genuine Part |
91621-60618 |
US $1.46 |
||
| replacement | |||||
|
9162160618
|
9162160618
91651-B0620 New Genuine Part |
91651-B0620 |
US $1.25 |
||
|
9162160625
|
9162160625
91621-60625 New Genuine Part |
91621-60625 |
US $1.75 |
||
| replacement | |||||
|
9162160625
|
9162160625
91621-B0625 New Genuine Part |
91621-B0625 |
US $1.08 |
||