Brake Booster & Vacuum Tube ([06.2016 - ] (1606- )) Diagram Toyota CALYA

Year
2016 - 2018
Sales region
General
Frame
B401
grade
E
ENGINE
3NRVE
TRANSMISSION
MTM
From
06.2016
Gear Shift Type
5F
Driver's Position
RHD

Difficulties in parts search?

Parts list
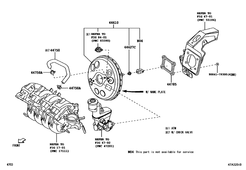
Brake Booster & Vacuum Tube

Difficulties in parts search?

Brake Booster & Vacuum Tube
Description OEM Part # Price
44610
44610
44610-BZ530
Booster Assy, Brake

[06.2016 -] B401..5F

44610-BZ530

44627C
44627C
9004A-17214
Nut, Booster Sleeve Cylinder

[06.2016 -] B401

9004A-17214

44750
44750
44750-BZ280
Hose Assy, Vacuum

[06.2016 -] B401 W/CHECK VALVE

44750-BZ280

44750A
44750A

90044-67161

Clip(For Vacuum Hose)

[06.2016 -] B401

90044-67161

US $2.87

44785
44785

47275-BZ010

Gasket, Brake Booster

[06.2016 -] B401

47275-BZ010

from US $1.77

replacement
44785
44785

47278-87703

Gasket, Brake Booster

[06.2016 -] B401

47278-87703

US $8.96

9004179300
9004179300

90041-79300

Nut, Booster

90041-79300

US $2.33

Brake Booster & Vacuum Tube ([06.2016 - ] (1606- )) Diagram Toyota CALYA General 17953980-928211