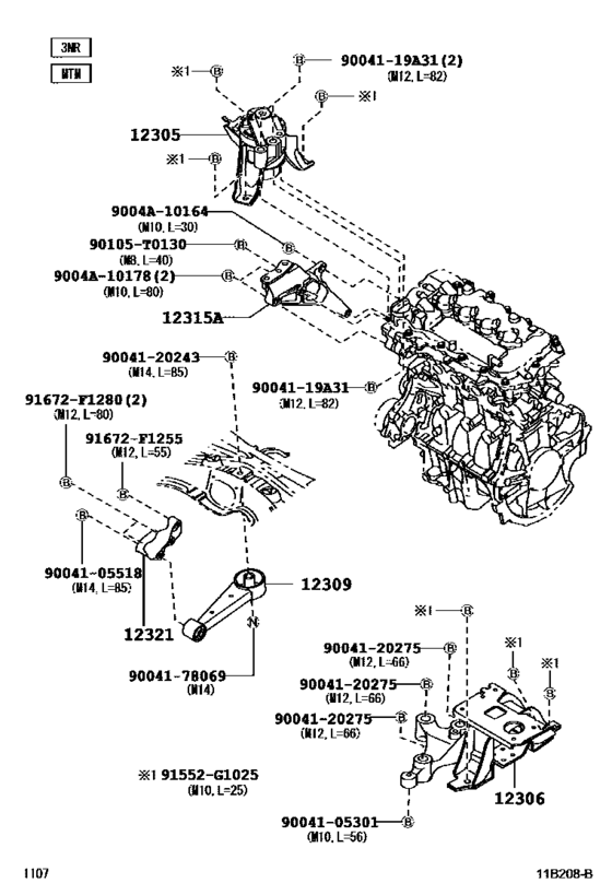
Mounting ([06.2016 - ] 3NR MTM (1606- )3NRVE..5F) Diagram Toyota CALYA
- Year
- 2016 - 2018
- Sales region
- General
- Frame
- B401
- grade
- E
- ENGINE
- 3NRVE
- TRANSMISSION
- MTM
- From
- 06.2016
- Gear Shift Type
- 5F
- Driver's Position
- RHD
Difficulties in parts search?
Difficulties in parts search?
| Description | OEM Part # | Price | |||
|---|---|---|---|---|---|
|
12305
|
12305
12305-BZ170
Insulator Sub-Assy, Engine Mounting, Rh
[06.2016 -] 3NRVE..B401..5F |
12305-BZ170 |
— | ||
|
12306
|
12306
12306-BZ200
Insulator Sub-Assy, Engine Mounting, Lh
[06.2016 -] 3NRVE..B401..5F |
12306-BZ200 |
— | ||
|
12309
|
12309
12309-BZ100
Rod Sub-Assy, Engine Moving Control
[06.2016 -] 3NRVE..B401..5F |
12309-BZ100 |
— | ||
|
12315A
|
12315A
12315-BZ090
Bracket, Engine Mounting, Rh(For Transverse Engine)
[06.2016 -] 3NRVE..B401 RH |
12315-BZ090 |
— | ||
|
12321
|
12321
12321-BZ280
Bracket, Engine Mounting, Rear, No.1
[06.2016 -] 3NRVE..B401 |
12321-BZ280 |
— | ||
|
90105T0130
|
90105T0130
90105-T0130
Bolt(For Head To Camshaft Bearing Cap)
|
90105-T0130 |
— | ||
|
91552G1025
|
91552G1025
91552-G1025 Bolt, Stabilizer Rear Bar |
91552-G1025 |
from US $0.91 |
||
|
91672F1255
|
91672F1255
91672-F1255 New Genuine Part |
91672-F1255 |
US $4.22 |
||
|
91672F1280
|
91672F1280
91672-F1280 New Genuine Part |
91672-F1280 |
US $5.24 |
||
|
9004119A31
|
9004119A31
90041-19A31 New Genuine Part |
90041-19A31 |
US $5.82 |
||
|
9004105301
|
9004105301
90041-05301 BOLT WASHER BASED |
90041-05301 |
from US $1.16 |
||
|
9004105518
|
9004105518
90041-05518
New Genuine Part
|
90041-05518 |
— | ||
|
9004120243
|
9004120243
90041-20243 New Genuine Part |
90041-20243 |
US $5.82 |
||
|
9004120275
|
9004120275
90041-20275 BOLT WWASHER |
90041-20275 |
US $2.87 |
||
|
9004178069
|
9004178069
90041-78069 New Genuine Part |
90041-78069 |
US $4.30 |