Alternator ([08.1988 - ] (8808- )2L#..5F ; (8808- )2LT..KYO) Diagram Toyota CHASER
- Year
- 1988 - 1992
- Sales region
- Japan
- Frame
- LX80
- grade
- KYO
- body
- HT
- ENGINE
- 2L
- TRANSMISSION
- MTM
- From
- 08.1988
- To
- 10.1992
- Gear Shift Type
- 5F
- Fuel Induction
- DSL
Difficulties in parts search?
Difficulties in parts search?
| Description | OEM Part # | Price | |||
|---|---|---|---|---|---|
|
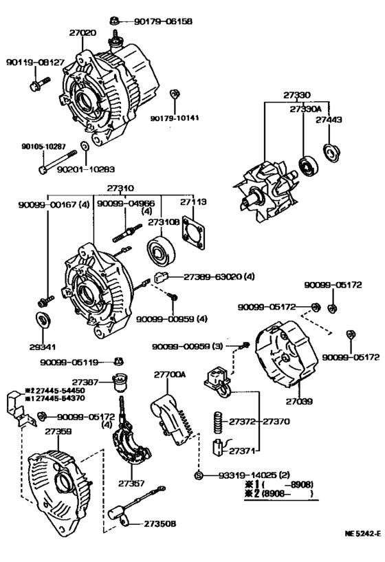
27020
|
27020
27060-54010 Alternator Assy[08.1988 - 08.1989] 2L#..LX80..5F;2LT..LX80..KYO 12V 70A |
27060-54010 |
US $1,820 |
||
| replacement | |||||
|
27020
|
27020
27060-54020 Alternator Assy[08.1988 - 08.1989] 2L#..LX80..5F;2LT..LX80..KYO 12V 70A |
27060-54020 |
US $1,820 |
||
|
27020
|
27020
27060-54080 Alternator Assy[08.1989 - 08.1990] 2L#..LX80..5F;2LT..LX80..KYO 12V 70A |
27060-54080 |
US $1,557.92 |
||
| replacement | |||||
|
27020
|
27020
27060-54110
Alternator Assy
[08.1989 - 08.1990] 2L#..LX80..5F;2LT..LX80..KYO 12V 70A |
27060-54110 |
— | ||
|
27039
|
27039
27039-15170
Cover, Alternator Rear End
[08.1991 - 10.1992] 2L..LX80;2LT..LX80..KYO |
27039-15170 |
— | ||
| replacement | |||||
|
27039
|
27039
27039-15171
Cover, Alternator Rear End
[08.1991 - 10.1992] 2L..LX80;2LT..LX80..KYO |
27039-15171 |
— | ||
|
27039
|
27039
27039-72010
Cover, Alternator Rear End
[08.1988 - 08.1990] 2LT..LX80..KYO;1GFE,1GGE,1GGTE,2L#,4SFI,3YP..GX81,LX80,SX80,YX80..3FC,5F |
27039-72010 |
— | ||
| replacement | |||||
|
27039
|
27039
27039-15171
Cover, Alternator Rear End
[08.1988 - 08.1990] 2LT..LX80..KYO;1GFE,1GGE,1GGTE,2L#,4SFI,3YP..GX81,LX80,SX80,YX80..3FC,5F |
27039-15171 |
— | ||
|
27113
|
27113
27312-64130
Plate, Bearing Retainer, Alternator
[08.1988 - 10.1992] 2L#..LX80 |
27312-64130 |
— | ||
|
27310
|
27310
27310-54370
Frame Assy, Drive End, Alternator
[08.1988 - 08.1989] 2L#..LX80..5F;2LT..LX80..KYO |
27310-54370 |
— | ||
|
27310
|
27310
27310-54500
Frame Assy, Drive End, Alternator
[08.1989 - 08.1990] 2L#..LX80..5F;2LT..LX80..KYO |
27310-54500 |
— | ||
|
27310B
|
27310B
90099-10165 Bearing(For Alternator Drive End Frame)[08.1988 - 10.1992] 2L#..LX80 |
90099-10165 |
from US $8.74 |
||
|
27330
|
27330
27330-64130 Rotor Assy, Alternator[08.1988 - 08.1990] 2L#..LX80..5F;2LT..LX80..KYO |
27330-64130 |
US $265.61 |
||
|
27330A
|
27330A
90099-10140 Bearing(For Alternator Rotor)[08.1988 - 08.1990] 1GFE,1GG#,2L#,4SFI,3YP..GX81,LX80,SX80,YX80 |
90099-10140 |
from US $9.43 |
||
|
27350B
|
27350B
90099-52096 Condenser, Alternator[10.1988 - 01.1989] 2L#..LX80;1GFE,1GGE..GX81..4FC |
90099-52096 |
US $16.31 |
||
|
27350B
|
27350B
90099-52115
Condenser, Alternator
[08.1989 - 08.1990] 2L#..LX80..5F;2LT..LX80..KYO |
90099-52115 |
— | ||
|
27357
|
27357
27357-63020 Holder, Alternator, W/rectifier[08.1988 - 08.1990] 2LT..LX80..KYO;1GFE,1GGE,1GGTE,2L#,4SFI,3YP..GX81,LX80,SX80,YX80..3FC,5F |
27357-63020 |
US $152.01 |
||
|
27359
|
27359
27359-16180
Frame, Alternator Rectifier End
[08.1988 - 08.1990] 2L#..LX80..5F;2LT..LX80..KYO |
27359-16180 |
— | ||
| replacements | |||||
|
27359
|
27359
27359-16181
Frame, Alternator Rectifier End
[08.1988 - 08.1990] 2L#..LX80..5F;2LT..LX80..KYO |
27359-16181 |
— | ||
|
27359
|
27359
27384-16380
Washer
[08.1988 - 08.1990] 2L#..LX80..5F;2LT..LX80..KYO |
27384-16380 |
— | ||
|
27370
|
27370
27370-16011
Holder Assy, Alternator Brush
[08.1988 - 08.1989] 2L#..LX80..5F;2LT..LX80..KYO |
27370-16011 |
— | ||
| replacement | |||||
|
27370
|
27370
27370-58320 Holder Assy, Alternator Brush[08.1988 - 08.1989] 2L#..LX80..5F;2LT..LX80..KYO |
27370-58320 |
from US $15.25 |
||
|
27370
|
27370
27370-54450
Holder Assy, Alternator Brush
[08.1989 - 08.1990] 2L#..LX80..5F;2LT..LX80..KYO |
27370-54450 |
— | ||
| replacement | |||||
|
27370
|
27370
27370-58320 Holder Assy, Alternator Brush[08.1989 - 08.1990] 2L#..LX80..5F;2LT..LX80..KYO |
27370-58320 |
from US $15.25 |
||
|
27371
|
27371
27371-63020
Brush, Alternator
[08.1988 - 08.1989] 2LT..LX80..KYO;1GFE,1GGE,1GGTE,2L#,4SFI..GX81,LX80,SX80..5F |
27371-63020 |
— | ||
| replacement | |||||
|
27371
|
27371
27371-70300 Brush, Alternator[08.1988 - 08.1989] 2LT..LX80..KYO;1GFE,1GGE,1GGTE,2L#,4SFI..GX81,LX80,SX80..5F |
27371-70300 |
from US $2.97 |
||
|
27371
|
27371
27371-70300 Brush, Alternator[08.1989 - 08.1990] 2L#..LX80..5F;2LT..LX80..KYO |
27371-70300 |
from US $2.97 |
||
|
27372
|
27372
27372-63020
Spring, Alternator Brush
[08.1990 - 10.1992] 2LT..LX80..KYO;1GFE,2L,4SFE,3YP..GX81,LX80,SX80,YX80..3FC,5F |
27372-63020 |
— | ||
| replacement | |||||
|
27372
|
27372
27372-87501
Spring, Alternator Brush
[08.1990 - 10.1992] 2LT..LX80..KYO;1GFE,2L,4SFE,3YP..GX81,LX80,SX80,YX80..3FC,5F |
27372-87501 |
— | ||
|
27372
|
27372
27372-72100
Spring, Alternator Brush
[08.1988 - 08.1990] 2LT..LX80..KYO;1GFE,1GGE,1GGTE,2L#,4SFI,3YP..GX81,LX80,SX80,YX80..3FC,5F |
27372-72100 |
— | ||
| replacement | |||||
|
27372
|
27372
27372-87501
Spring, Alternator Brush
[08.1988 - 08.1990] 2LT..LX80..KYO;1GFE,1GGE,1GGTE,2L#,4SFI,3YP..GX81,LX80,SX80,YX80..3FC,5F |
27372-87501 |
— | ||
|
27387
|
27387
27387-70170
Insulator, Terminal
[08.1988 - 08.1990] 2LT..LX80..KYO;1GFE,1GGE,1GGTE,2L#,4SFI,3YP..GX81,LX80,SX80,YX80..3FC,5F |
27387-70170 |
— | ||
|
27443
|
27443
27443-63020 Cover, Alternator Bearing[08.1988 - 10.1992] 1GFE,1GG#,1JZ#,2L#,7MGE,4SF#,3YP..GX81,JZX81,LX80,MX83,SX80,YX80 |
27443-63020 |
from US $1.12 |
||
|
27700A
|
27700A
27700-10061 Regulator Assy, Generator[08.1988 - 01.1992] 2L#..LX80 |
27700-10061 |
US $263.54 |
||
| replacement | |||||
|
27700A
|
27700A
27700-66020 Regulator Assy, Generator[08.1988 - 01.1992] 2L#..LX80 |
27700-66020 |
US $263.54 |
||
|
27700A
|
27700A
27700-54050 Regulator Assy, Generator[01.1992 - 10.1992] 2L#..LX80 |
27700-54050 |
US $260.62 |
||
| replacement | |||||
|
27700A
|
27700A
27700-66020 Regulator Assy, Generator[01.1992 - 10.1992] 2L#..LX80 |
27700-66020 |
US $263.54 |
||
|
29341
|
29341
29341-64130 Seal, Alternator Oil[08.1988 - 10.1992] 2L#..LX80 |
29341-64130 |
from US $5.24 |
||
|
2738963020
|
2738963020
27389-63020
Insulator, Terminal
|
27389-63020 |
— | ||
|
2744554370
|
2744554370
27445-54370
New Genuine Part
|
27445-54370 |
— | ||
|
2744554450
|
2744554450
27445-54450
New Genuine Part
|
27445-54450 |
— | ||
|
9009900167
|
9009900167
90099-00167
New Genuine Part
|
90099-00167 |
— | ||
|
9009900959
|
9009900959
90099-00959
New Genuine Part
|
90099-00959 |
— | ||
|
9009904966
|
9009904966
90099-04966
Bearing(for Alternator Rotor)
|
90099-04966 |
— | ||
|
9009905119
|
9009905119
90099-05119
New Genuine Part
|
90099-05119 |
— | ||
|
9009905172
|
9009905172
90099-05172
New Genuine Part
|
90099-05172 |
— | ||
|
9010510287
|
9010510287
90105-10287 Bolt(For Alternator) |
90105-10287 |
US $6.99 |
||
|
9011908127
|
9011908127
90119-08127 BOLT |
90119-08127 |
US $1.14 |
||
|
9017906158
|
9017906158
90179-06158 Nut, Rear Wiper Link Pivot, No.2 |
90179-06158 |
from US $0.98 |
||
|
9017910141
|
9017910141
90179-10141
Nut(For Counter Gear Shaft)
|
90179-10141 |
— | ||
| replacement | |||||
|
9017910141
|
9017910141
90179-10132 Nut |
90179-10132 |
from US $0.94 |
||
|
9020110283
|
9020110283
90201-10283 Washer, Plate(For Steering Tilt Lever) |
90201-10283 |
from US $0.78 |
||
|
9331914025
|
9331914025
93319-14025 Screw W Washer |
93319-14025 |
US $1.25 |
||