Heating & Air Conditioning - Cooler Unit ([09.1980 - ] (8009- )RX60..WG..SA ; (8009- )RX60..WG..L HD ; (8009- )GX60,LX60,MX62 ; (8 009- )RX60..RH D..EUR,GEN ; (8009- )RX60..GL,SXL..ME,SA) Diagram Toyota CRESSIDA/ CRESSIDA WAGON

Year
1982 - 1984
Sales region
Europe
Frame
GX60
grade
GL
body
SED
ENGINE
1GE
TRANSMISSION
ATM
Model
CRESSIDA
From
09.1982
To
07.1984
Gear Shift Type
4FC
Vehicle Model
Cressida
Driver's Position
RHD
Destination
SA

Difficulties in parts search?

Parts list
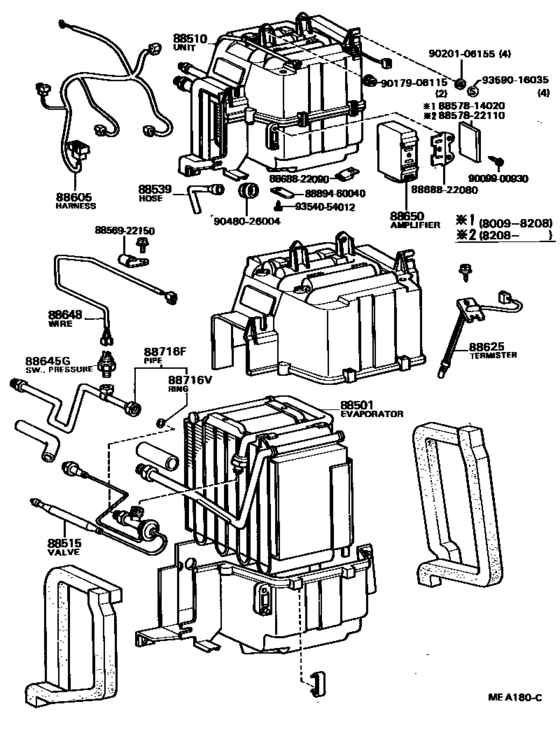
Heating & Air Conditioning - Cooler Unit

Difficulties in parts search?

Heating & Air Conditioning - Cooler Unit
Description OEM Part # Price
8856922150
8856922150
88569-22150
Clamp (For Cooler Wiring Harness), No.2

88569-22150

8857814020
8857814020
88578-14020
Packing, Cooler Stabilizer Amplifier

88578-14020

8857822110
8857822110
88578-22110
Paking, Cooler Air Duct

88578-22110

8868822080
8868822080
88688-22080
Bracket, Cooler Diaphragm

88688-22080

8868822090
8868822090
88688-22090
Bracket, Cooler Diaphragm

88688-22090

8889460040
8889460040
88894-60040
New Genuine Part

88894-60040

9009900930
9009900930
90099-00930
New Genuine Part

90099-00930

9017906115
9017906115

90179-06115

Nut (For Rear Wiper Arm Setting)

90179-06115

US $2.15

9020106155
9020106155

90201-06155

Washer

90201-06155

US $3.20

9048026004
9048026004

90480-26004

Grommet, Heater Hose

90480-26004

US $1.12

9354054012
9354054012

93540-54012

Screw, Headlamp

93540-54012

US $1.61

9359016035
9359016035
93590-16035
New Genuine Part

93590-16035

Heating & Air Conditioning - Cooler Unit ([09.1980 - ] (8009- )RX60..WG..SA ; (8009- )RX60..WG..L HD ; (8009- )GX60,LX60,MX62 ; (8 009- )RX60..RH D..EUR,GEN ; (8009- )RX60..GL,SXL..ME,SA) Diagram Toyota CRESSIDA/ CRESSIDA WAGON Europe 17887860-922874