Heating & Air Conditioning - Cooler Unit ([08.2001 - ] REAR--W(COOL BOX) (0108- )) Diagram Toyota CROWN/ MAJESTA
- Year
- 1999 - 2003
- Sales region
- General
- Frame
- JZS175
- grade
- ROY
- body
- SED
- ENGINE
- 2JZGE
- TRANSMISSION
- ATM
- DESTINATION
- GEN
- Model
- CROWN
- From
- 09.1999
- To
- 12.2003
- Gear Shift Type
- 4FC
- Driver's Position
- RHD
- Fuel Induction
- TWC
Difficulties in parts search?
Difficulties in parts search?
| Description | OEM Part # | Price | |||
|---|---|---|---|---|---|
|
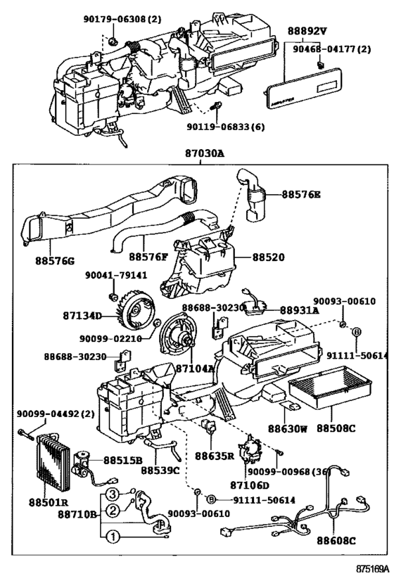
87030A
|
87030A
87030-30050
Unit Assy, Cooling, Rear
[09.1999 - 08.2001] JZS175 W(COOL BOX) |
87030-30050 |
— | ||
|
87030A
|
87030A
87030-30060
Unit Assy, Cooling, Rear
[09.1999 - 08.2001] JZS175 |
87030-30060 |
— | ||
|
87104A
|
87104A
87104-30520 Motor Sub-Assy, Blower[09.1999 - 08.2001] JZS175 |
87104-30520 |
US $161.62 |
||
|
87106D
|
87106D
87106-30420
Servo Sub-Assy, Damper(For Cooling Unit)
[09.1999 - 08.2001] JZS175 |
87106-30420 |
— | ||
|
87134D
|
87134D
87134-30090
Fan, Blower(For Cooling Unit)
[09.1999 - 08.2001] JZS175 |
87134-30090 |
— | ||
|
88501R
|
88501R
88501-3A040
Evaporator Sub-Assy (Rear)
[09.1999 - 03.2001] JZS175 |
88501-3A040 |
— | ||
| replacement | |||||
|
88501R
|
88501R
88501-3A041
Evaporator Sub-Assy (Rear)
[09.1999 - 03.2001] JZS175 |
88501-3A041 |
— | ||
|
88501R
|
88501R
88501-3A041
Evaporator Sub-Assy (Rear)
[03.2001 - 08.2001] JZS175 |
88501-3A041 |
— | ||
|
88508C
|
88508C
88508-30110 Filter Sub-Assy, Air[09.1999 - 08.2001] JZS175 |
88508-30110 |
US $95.12 |
||
|
88515B
|
88515B
88515-30730 Valve, Rear Cooling Unit Expansion[09.1999 - 08.2001] JZS175 |
88515-30730 |
US $231.50 |
||
| replacement | |||||
|
88515B
|
88515B
88515-60130 Valve, Rear Cooling Unit Expansion[09.1999 - 08.2001] JZS175 |
88515-60130 |
from US $204.31 |
||
|
88520
|
88520
88520-30010
Box Assy, Cooling
[09.1999 - 08.2001] JZS175 |
88520-30010 |
— | ||
|
88539C
|
88539C
88539-30850
Hose, Cooler Unit Drain, No.2
[09.1999 - 08.2001] JZS175 |
88539-30850 |
— | ||
|
88576E
|
88576E
88576-3A460
Duct, Cooler Air, No.1
[09.1999 - 08.2001] JZS175 |
88576-3A460 |
— | ||
|
88576F
|
88576F
88576-3A470
Duct, Cooler Air, No.2
[09.1999 - 08.2001] JZS175 |
88576-3A470 |
— | ||
|
88576G
|
88576G
88576-3A480
Duct, Cooler Air, No.3
[09.1999 - 08.2001] JZS175 |
88576-3A480 |
— | ||
|
88608C
|
88608C
88608-3A070
Harness Sub-Assy, Wiring Air Indicator, No.2
[09.1999 - 08.2001] JZS175 |
88608-3A070 |
— | ||
|
88630W
|
88630W
88630-30420
Relay Assy
[09.1999 - 08.2001] JZS175 |
88630-30420 |
— | ||
|
88635R
|
88635R
88635-30450
Resistor, Air Purifier Blower
[09.1999 - 08.2001] JZS175 |
88635-30450 |
— | ||
|
88710B
|
88710B
88710-3A230 Tube Assy, Air Conditioner[09.1999 - 08.2001] JZS175 |
88710-3A230 |
US $133.95 |
||
|
88892V
|
88892V
88891-30690-C0
Cover, Cooler, No.1
[09.1999 - 08.2001] JZS175 BLACK,TRIM0#,1# |
88891-30690-C0 |
— | ||
|
88931A
|
88931A
88931-30090
Sensor, Smoke
[09.1999 - 08.2001] JZS175 |
88931-30090 |
— | ||
|
8868830230
|
8868830230
88688-30230
Bracket, Air Purifier, No.2
|
88688-30230 |
— | ||
|
9004179141
|
9004179141
90041-79141
New Genuine Part
|
90041-79141 |
— | ||
|
9009300610
|
9009300610
90093-00610
New Genuine Part
|
90093-00610 |
— | ||
|
9009900968
|
9009900968
90099-00968 Screw(For Air Conditioner Unit) |
90099-00968 |
US $0.80 |
||
|
9009902210
|
9009902210
90099-02210 New Genuine Part |
90099-02210 |
US $0.87 |
||
|
9009904492
|
9009904492
90099-04492 BOLT |
90099-04492 |
US $2.06 |
||
|
9011906833
|
9011906833
90119-06833 BOLT WWASHER |
90119-06833 |
US $0.44 |
||
|
9017906308
|
9017906308
90179-06308 NUT |
90179-06308 |
from US $0.89 |
||
|
9046804177
|
9046804177
90468-04177 Clip(For Instrument Panel Under Cover) |
90468-04177 |
from US $0.68 |
||
|
9111150614
|
9111150614
91111-50614 New Genuine Part |
91111-50614 |
US $3.20 |
||