Rear Spring & Shock Absorber ([09.2002 - 12.2006] (0209-0612)BU303,WU300..T3) Diagram Toyota DYNA/ TOYOACE
- Year
- 2002 - 2006
- Sales region
- General
- Frame
- BU303
- ENGINE
- 14B
- DESTINATION
- IDN
- DECK
- T3
- From
- 09.2002
- To
- 12.2006
- Loading Capacity
- 48T
- Driver's Position
- RHD
- Fuel Induction
- DSL
- Building Condition
- IV3
- Rear Tire
- ST
Difficulties in parts search?
Difficulties in parts search?
| Description | OEM Part # | Price | |||
|---|---|---|---|---|---|
|
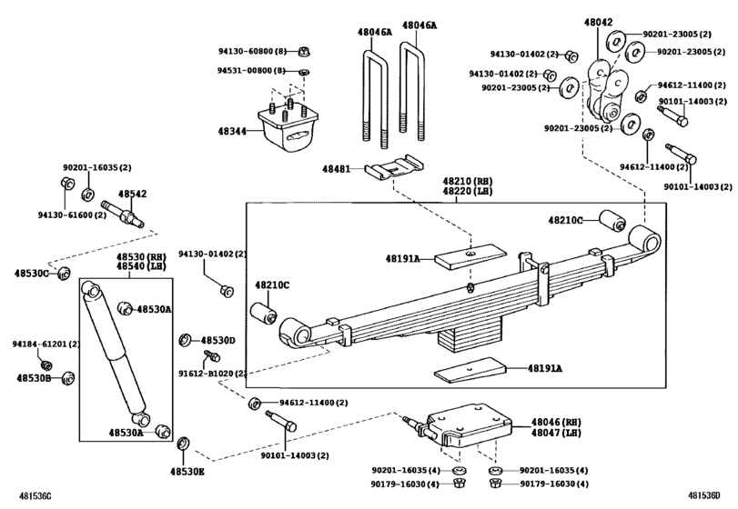
48042
|
48042
48042-36021 Shackle, Spring, No.1[09.2002 - 12.2006] BU303,WU300..T3 |
48042-36021 |
US $80.08 |
||
|
48046
|
48046
48046-25060 Seat Sub-Assy, Spring U Bolt, RhSPRING U BOLT, RH [09.2002 - 12.2006] BU303,WU300..T3 |
48046-25060 |
US $93.18 |
||
|
48046A
|
48046A
90080-11534
Bolt, U(For Rear Spring)
[09.2002 - 12.2006] BU303,WU300..T3 L=350 |
90080-11534 |
— | ||
|
48047
|
48047
48047-25060 Seat Sub-Assy, Spring U Bolt, LhSPRING U BOLT, LH [09.2002 - 12.2006] BU303,WU300..T3 |
48047-25060 |
US $57.80 |
||
|
48191A
|
48191A
48192-37110 Wedge, Caster(For Rear Leaf Spring)[09.2002 - 12.2006] BU303,WU300..T3 |
48192-37110 |
US $36.79 |
||
|
48210
|
48210
48210-0W033
Spring Assy, Rear Rh
[09.2002 - 12.2006] BU303,WU300..T3 MAIN 4+HELPER 3-LEAF |
48210-0W033 |
— | ||
|
48210C
|
48210C
90389-16003 Bimetal Formed Bush(For Front Spring)[09.2002 - 12.2006] BU303,WU300..T3 |
90389-16003 |
US $9.71 |
||
|
48220
|
48220
48210-0W033
Spring Assy, Rear Rh
[09.2002 - 12.2006] BU303,WU300..T3 MAIN 4+HELPER 3-LEAF |
48210-0W033 |
— | ||
|
48344
|
48344
48344-0W010
Stopper, Bumper, Rear
[09.2002 - 12.2006] BU303,WU300..T3 |
48344-0W010 |
— | ||
|
48481
|
48481
48481-0W010
Seat, Rear Spring, Upper
[09.2002 - 12.2006] BU303,WU300..T3 |
48481-0W010 |
— | ||
| replacement | |||||
|
48481
|
48481
48481-F1010
Seat, Rear Spring, Upper
[09.2002 - 12.2006] BU303,WU300..T3 |
48481-F1010 |
— | ||
|
48530
|
48530
48531-09370
Absorber Assy, Shock, Rear Rh
[09.2002 - 12.2006] BU303,WU300..T3 MARK 48531-0W060 |
48531-09370 |
— | ||
|
48530A
|
48530A
90385-16007 Cushion, Front Shock Absorber[09.2002 - 11.2003] BU303,343,WU300,340,XZU342..IDN |
90385-16007 |
from US $1.81 |
||
|
48530A
|
48530A
90385-T0006
Cushion, Front Shock Absorber
[11.2003 - 12.2006] BU303,343,WU300,340,XZU342..IDN |
90385-T0006 |
— | ||
|
48530B
|
48530B
90948-03003 Retainer, Cushion, No.1(For Front Shock Absorber)[09.2002 - 12.2006] BU303,343,WU300,340,XZU342..IDN |
90948-03003 |
from US $1.25 |
||
|
48530C
|
48530C
90948-03004 Retainer, Cushion, No.1(For Front Shock Absorber)[09.2002 - 12.2006] BU303,343,WU300,340,XZU342..IDN |
90948-03004 |
from US $1.31 |
||
|
48530D
|
48530D
90948-03012 Washer, Front Shock Absorber Cushion, No.1[09.2002 - 12.2006] BU303,343,WU300,340,XZU342..IDN |
90948-03012 |
US $1.79 |
||
|
48530E
|
48530E
90948-03004 Retainer, Cushion, No.1(For Front Shock Absorber)[09.2002 - 12.2006] BU303,343,WU300,340,XZU342..IDN |
90948-03004 |
from US $1.31 |
||
|
48540
|
48540
48531-09370
Absorber Assy, Shock, Rear Rh
[09.2002 - 12.2006] BU303,WU300..T3 MARK 48531-0W060 |
48531-09370 |
— | ||
|
48542
|
48542
48542-36020 Pin, Shock Absorber Upper Pivot, Rear[09.2002 - 12.2006] BU303,WU300..T3 |
48542-36020 |
US $21.40 |
||
|
91612B1020
|
91612B1020
91612-B1020 Bolt (For Transfer Case)Cover No.2 |
91612-B1020 |
from US $1.07 |
||
|
9010114003
|
9010114003
90101-14003 New Genuine Part |
90101-14003 |
US $9.46 |
||
|
9017916030
|
9017916030
90179-16030 NUT |
90179-16030 |
US $3.40 |
||
|
9020116035
|
9020116035
90201-16035 New Genuine Part |
90201-16035 |
US $2.15 |
||
|
9020123005
|
9020123005
90201-23005
New Genuine Part
|
90201-23005 |
— | ||
|
9413001402
|
9413001402
94130-01402 Nut, Timer Round |
94130-01402 |
US $2.51 |
||
|
9413060800
|
9413060800
94130-60800 Nut(For Clutch Pedal Stopper) |
94130-60800 |
from US $0.68 |
||
| replacement | |||||
|
9413060800
|
9413060800
90170-A0003 New Genuine Part |
90170-A0003 |
US $2.22 |
||
|
9413061600
|
9413061600
94130-61600 Nut, Hexagon(for Sector Shaft To Pitman Arm Setting) |
94130-61600 |
US $2.15 |
||
|
9418461201
|
9418461201
94184-61201 Nut, Lock(For Power Steering Control Valve) |
94184-61201 |
US $1.97 |
||
|
9453100800
|
9453100800
94531-00800 Washer (For Transfer Shift Outer Lever) |
94531-00800 |
from US $0.86 |
||
|
9461211400
|
9461211400
94612-11400 WASHERPLATE |
94612-11400 |
US $2.87 |
||