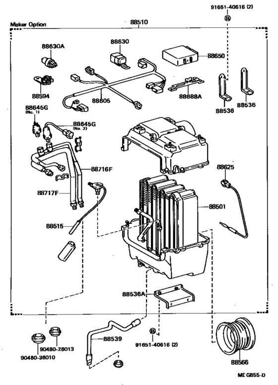
Heating & Air Conditioning - Cooler Unit ([01.1986 - 09.1993] (8601-9309)) Diagram Toyota DYNA/ TOYOACE
- Year
- 1986 - 1995
- Sales region
- Japan
- Frame
- BU60
- grade
- N
- ENGINE
- B
- Model
- DYNA/ TOYOACE QUICK
- From
- 01.1986
- To
- 05.1995
- Gear Shift Type
- 5H
- No.of Doors
- 3D
- Vehicle Model
- DYN
- Building Condition
- CBU
Difficulties in parts search?
Difficulties in parts search?
| Description | OEM Part # | Price | |||
|---|---|---|---|---|---|
|
88501
|
88501
88501-37020
Evaporator Sub-Assy, Cooler, No.1
[09.1993 - 05.1995] BU60 |
88501-37020 |
— | ||
|
88501
|
88501
88501-95401
Evaporator Sub-Assy, Cooler, No.1
[01.1986 - 01.1988] BU60 |
88501-95401 |
— | ||
| replacement | |||||
|
88501
|
88501
88501-95403
Evaporator Sub-Assy, Cooler, No.1
[01.1986 - 01.1988] BU60 |
88501-95403 |
— | ||
|
88501
|
88501
88501-95403
Evaporator Sub-Assy, Cooler, No.1
[01.1988 - 09.1993] BU60 |
88501-95403 |
— | ||
|
88510
|
88510
88510-37030
Unit Assy, Cooler
[09.1993 - 05.1995] BU60 |
88510-37030 |
— | ||
|
88510
|
88510
88510-90F02
Unit Assy, Cooler
[01.1986 - 03.1987] BU60 MAKER OPTION |
88510-90F02 |
— | ||
|
88510
|
88510
88510-90F03
Unit Assy, Cooler
[01.1986 - 03.1987] BU60 DEALER OPTION |
88510-90F03 |
— | ||
|
88510
|
88510
88510-90F04
Unit Assy, Cooler
[03.1987 - 05.1988] BU60 MAKER OPTION |
88510-90F04 |
— | ||
|
88510
|
88510
88510-90F05
Unit Assy, Cooler
[03.1987 - 05.1988] BU60 DEALER OPTION |
88510-90F05 |
— | ||
| replacement | |||||
|
88510
|
88510
88510-90F09
Unit Assy, Cooler
[03.1987 - 05.1988] BU60 DEALER OPTION |
88510-90F09 |
— | ||
|
88510
|
88510
88510-90F06
Unit Assy, Cooler
[10.1987 - 09.1993] BU60..N..3D ヤマトウンユ ク-ルボツクス シヨウ |
88510-90F06 |
— | ||
|
88510
|
88510
88510-90F08
Unit Assy, Cooler
[08.1988 - 09.1993] BU60 メ-カ オプシヨン |
88510-90F08 |
— | ||
|
88510
|
88510
88510-90F09
Unit Assy, Cooler
[08.1988 - 09.1993] BU60 デ-ラ オプシヨン |
88510-90F09 |
— | ||
|
88515
|
88515
88515-16030
Valve, Cooler Expansion
[01.1986 - 09.1993] BU60 |
88515-16030 |
— | ||
| replacement | |||||
|
88515
|
88515
88515-16031 Valve, Cooler Expansion[01.1986 - 09.1993] BU60 |
88515-16031 |
US $121.36 |
||
|
88515
|
88515
88515-28090 Valve, Cooler Expansion[09.1993 - 05.1995] BU60 |
88515-28090 |
US $58.09 |
||
|
88536
|
88536
88688-90F00
Bracket, Cooling Unit, No.1
[01.1986 - 05.1995] BU60 |
88688-90F00 |
— | ||
|
88536A
|
88536A
88688-90D06
Bracket, Cooling Unit, No.2
[01.1986 - 05.1988] BU60 MAKER OPTION |
88688-90D06 |
— | ||
|
88536A
|
88536A
88688-90D12
Bracket, Cooling Unit, No.2
[01.1986 - 05.1988] BU60 DEALER OPTION |
88688-90D12 |
— | ||
|
88539
|
88539
88539-90F00
Hose, Cooler Unit Drain, No.1
[05.1988 - 09.1993] BU60 |
88539-90F00 |
— | ||
|
88566
|
88566
88566-95407
Duct, Cooler Air, No.1
[01.1986 - 05.1995] BU60 |
88566-95407 |
— | ||
|
88594
|
88594
85999-12050
Bracket, Main Relay
[01.1986 - 05.1995] BU60 |
85999-12050 |
— | ||
|
88605
|
88605
88605-37030
Harness Sub-Assy, Cooler Wiring, No.1
[09.1993 - 05.1995] BU60 |
88605-37030 |
— | ||
|
88605
|
88605
88605-90F00
Harness Sub-Assy, Cooler Wiring, No.1
[01.1986 - 08.1988] BU60 |
88605-90F00 |
— | ||
|
88605
|
88605
88605-90F05
Harness Sub-Assy, Cooler Wiring, No.1
[10.1987 - 09.1993] BU60..N..3D ヤマトウンユ ク-ルボツクス シヨウ |
88605-90F05 |
— | ||
|
88605
|
88605
88605-90F07
Harness Sub-Assy, Cooler Wiring, No.1
[08.1988 - 09.1993] BU60 |
88605-90F07 |
— | ||
|
88625
|
88625
88625-90A00
Thermistor, Cooler, No.1
[01.1986 - 05.1988] BU60 MAKER OPTION |
88625-90A00 |
— | ||
| replacement | |||||
|
88625
|
88625
88625-12070 Thermistor, Cooler, No.1[01.1986 - 05.1988] BU60 MAKER OPTION |
88625-12070 |
US $7.69 |
||
|
88625
|
88625
88625-95A00
Thermistor, Cooler, No.1
[01.1986 - 05.1988] BU60 DEALER OPTION |
88625-95A00 |
— | ||
| replacement | |||||
|
88625
|
88625
88625-28150
Thermistor, Cooler No.2
[01.1986 - 05.1988] BU60 DEALER OPTION |
88625-28150 |
— | ||
|
88630
|
88630
88630-90F00
Relay Assy, Cooler
[01.1986 - 05.1995] BU60 |
88630-90F00 |
— | ||
|
88630A
|
88630A
88630-95400
Relay Assy, Cooler
[01.1986 - 05.1988] BU60 DEALER OPTION |
88630-95400 |
— | ||
|
88630A
|
88630A
90987-02005 Relay, Ignition, No.1[01.1986 - 05.1988] BU60 MAKER OPTION |
90987-02005 |
from US $28.80 |
||
|
88645G
|
88645G
88645-10020
Switch, Pressure
[01.1986 - 05.1988] BU60 NO.1,MAKER OPTION |
88645-10020 |
— | ||
|
88645G
|
88645G
88645-17010
Switch, Pressure
[01.1986 - 03.1987] BU60 NO.2 |
88645-17010 |
— | ||
|
88645G
|
88645G
88645-20050
Switch, Pressure
[09.1993 - 05.1995] BU60 メ-カ オプシヨン |
88645-20050 |
— | ||
|
88645G
|
88645G
88645-37010
Switch, Pressure
[09.1993 - 05.1995] BU60 デ-ラ オプシヨン |
88645-37010 |
— | ||
|
88645G
|
88645G
88645-90D01
Switch, Pressure
[03.1987 - 05.1988] BU60 メ-カ オプシヨン,NO.1 |
88645-90D01 |
— | ||
| replacement | |||||
|
88645G
|
88645G
88645-10020
Switch, Pressure
[03.1987 - 05.1988] BU60 メ-カ オプシヨン,NO.1 |
88645-10020 |
— | ||
|
88645G
|
88645G
88645-95J00
Switch, Pressure
[01.1986 - 05.1988] BU60 NO.1,DEALER OPTION |
88645-95J00 |
— | ||
| replacement | |||||
|
88645G
|
88645G
88645-12020 Switch, Pressure[01.1986 - 05.1988] BU60 NO.1,DEALER OPTION |
88645-12020 |
US $27.61 |
||
|
88650
|
88650
88650-90K01
Amplifier Assy, Cooler Stabilizer
[01.1986 - 05.1995] BU60 |
88650-90K01 |
— | ||
|
88688A
|
88688A
88688-90D14
Bracket, Cooling Unit, No.3
[01.1986 - 05.1995] BU60 |
88688-90D14 |
— | ||
|
88716F
|
88716F
88716-26500 Pipe, Cooler Refrigerant Liquid, F[09.1993 - 05.1995] BU60 |
88716-26500 |
US $72.07 |
||
|
88716F
|
88716F
88716-90D18 Pipe, Cooler Refrigerant Liquid, F[01.1986 - 09.1993] BU60 |
88716-90D18 |
US $87.36 |
||
|
88717F
|
88717F
88717-26370 Pipe, Cooler Refrigerant Suction, F[09.1993 - 05.1995] BU60 |
88717-26370 |
US $119.39 |
||
|
88717F
|
88717F
88717-90D14 Pipe, Cooler Refrigerant Suction, F[01.1986 - 09.1993] BU60 |
88717-90D14 |
US $132.50 |
||
|
9048026013
|
9048026013
90480-26013
New Genuine Part
|
90480-26013 |
— | ||
|
9048036010
|
9048036010
90480-36010
Grommet (For Cooler Unit)
|
90480-36010 |
— | ||
|
9165140616
|
9165140616
91651-40616 BOLT |
91651-40616 |
from US $0.72 |
||
| replacement | |||||
|
9165140616
|
9165140616
91621-60614 Bolt(For Transaxle & Engine Setting) |
91621-60614 |
from US $1.43 |
||