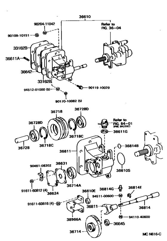
Power Take-Off Case & Gear ([09.1991 - ] (9109- )BU67..DMP..5F ; (9109- )BU66,72..D M2,DM4,DM5) Diagram Toyota DYNA/ TOYOACE
- Year
- 1989 - 1995
- Sales region
- Japan
- Frame
- BU66
- body
- DMP
- ENGINE
- 14B
- Model
- DYNA/TOYOACE
- From
- 10.1989
- To
- 05.1995
- Gear Shift Type
- 5F
- Seating Capacity
- 03S
- Vehicle Model
- DYN
- Deck,cab
- DM5
- Loading Capacity
- 20T
- Fuel Induction
- DSL
- Building Condition
- IV3
- Rear Tire
- WT
Difficulties in parts search?
Difficulties in parts search?
| Description | OEM Part # | Price | |||
|---|---|---|---|---|---|
|
33162B
|
33162B
33162-96300
Gasket, Power Take-Off Cover
[08.1988 - 04.1992] BU66..T2..5F..CBU;BU66..DYN..T2..5F..IV3;BU66..(DM1,DM2,DM3,DM5,T3,T4,TW4)..5F;BU6 0,61,67,68,72,73,74,78,8#,9#..(DMP,TR)..5F..(CBU,IV3) |
33162-96300 |
— | ||
| replacement | |||||
|
33162B
|
33162B
33162-37030 Gasket, Manual Transmission Power Take-Off Cover[08.1988 - 04.1992] BU66..T2..5F..CBU;BU66..DYN..T2..5F..IV3;BU66..(DM1,DM2,DM3,DM5,T3,T4,TW4)..5F;BU6 0,61,67,68,72,73,74,78,8#,9#..(DMP,TR)..5F..(CBU,IV3) |
33162-37030 |
US $5.91 |
||
|
36610
|
36610
36610-36090
Power Take-Off Assy
[09.1991 - 10.1992] BU66..DM2,DM5;BU67..DMP..5F |
36610-36090 |
— | ||
|
36610
|
36610
36610-36120
Power Take-Off Assy
[10.1992 - 05.1995] BU66..DM2,DM5;BU67..DMP..5F |
36610-36120 |
— | ||
| replacements | |||||
|
36610
|
36610
36610-37040
Power Take-Off Assy
[10.1992 - 05.1995] BU66..DM2,DM5;BU67..DMP..5F |
36610-37040 |
— | ||
|
36610
|
36610
84240-36010
Switch Assy, Transmission Position Indicator
[10.1992 - 05.1995] BU66..DM2,DM5;BU67..DMP..5F |
84240-36010 |
— | ||
|
36610
|
36610
36610-96323 Power Take-Off Assy[10.1989 - 09.1991] BU66..DM2,DM5 |
36610-96323 |
US $1,878.24 |
||
|
36610E
|
36610E
90311-12007 Seal, Oil (For Power Take-Off)[09.1991 - 05.1995] BU67..DMP..5F;BU66,72..DM2,DM4,DM5 |
90311-12007 |
US $2.62 |
||
|
36610E
|
36610E
90311-16001 Seal, Oil (For Power Take-Off)[08.1988 - 09.1991] BU67..DMP..5F;BU66,72..DM2,DM3,DM4,DM5 |
90311-16001 |
from US $2.48 |
||
|
36610S
|
36610S
96711-31055 Ring, O (For Power Take-Off)[08.1988 - 05.1995] BU67..DMP..5F;BU66,72..DM2,DM3,DM4,DM5 |
96711-31055 |
US $6.12 |
||
|
36611
|
36611
36611-36040 Case, Power Take-Off[09.1991 - 05.1995] BU67..DMP..5F;BU66,72..DM2,DM4,DM5 |
36611-36040 |
US $685.78 |
||
|
36611
|
36611
36611-96305 Case, Power Take-Off[08.1988 - 09.1991] BU67..DMP..5F;BU66,72..DM2,DM3,DM4,DM5 |
36611-96305 |
US $375.65 |
||
|
36611A
|
36611A
90116-10103 Bolt, Stud (For Power Take-Off Case)[08.1988 - 05.1995] BU67..DMP..5F;BU66,72..DM2,DM3,DM4,DM5 |
90116-10103 |
US $3.58 |
||
|
36611G
|
36611G
90430-22009 Gasket (For Power Take-Off Case Plug)[09.1991 - 05.1995] BU67..DMP..5F;BU66,72..DM2,DM4,DM5 |
90430-22009 |
US $2.48 |
||
|
36624
|
36624
36624-36010 Cap, Power Take-Off Bearing[08.1988 - 09.1991] BU67..DMP..5F;BU66,72..DM2,DM3,DM4,DM5 |
36624-36010 |
US $39.46 |
||
|
36624
|
36624
36624-36030 Cap, Power Take-Off Bearing[09.1991 - 05.1995] BU67..DMP..5F;BU66,72..DM2,DM4,DM5 |
36624-36030 |
US $5.53 |
||
|
36631
|
36631
36631-36030 Gasket, Power Take-Off Bearing Retainer[09.1991 - 05.1995] BU67..DMP..5F;BU66,72..DM2,DM4,DM5 |
36631-36030 |
US $5.10 |
||
|
36631
|
36631
36631-96300 Gasket, Power Take-Off Bearing Retainer[08.1988 - 09.1991] BU67..DMP..5F;BU66,72..DM2,DM3,DM4,DM5 |
36631-96300 |
US $5.82 |
||
|
36642
|
36642
33162-96300
Gasket, Power Take-Off Cover
[08.1988 - 04.1992] BU66..T2..5F..CBU;BU66..DYN..T2..5F..IV3;BU66..(DM1,DM2,DM3,DM5,T3,T4,TW4)..5F;BU6 0,61,67,68,72,73,74,78,8#,9#..(DMP,TR)..5F..(CBU,IV3) |
33162-96300 |
— | ||
| replacement | |||||
|
36642
|
36642
33162-37030 Gasket, Manual Transmission Power Take-Off Cover[08.1988 - 04.1992] BU66..T2..5F..CBU;BU66..DYN..T2..5F..IV3;BU66..(DM1,DM2,DM3,DM5,T3,T4,TW4)..5F;BU6 0,61,67,68,72,73,74,78,8#,9#..(DMP,TR)..5F..(CBU,IV3) |
33162-37030 |
US $5.91 |
||
|
36645
|
36645
36645-36010 Spacer, Power Take-Off Output Shaft[09.1991 - 05.1995] BU67..DMP..5F;BU66,72..DM2,DM4,DM5 |
36645-36010 |
US $57.95 |
||
|
36714
|
36714
36714-36040 Gear, Power Take-Off Output[09.1991 - 05.1995] BU67..DMP..5F;BU66,72..DM2,DM4,DM5 |
36714-36040 |
US $70.47 |
||
|
36714
|
36714
36714-96302 Gear, Power Take-Off Output[08.1988 - 09.1991] BU67..DMP..5F;BU66,72..DM2,DM3,DM4,DM5 |
36714-96302 |
US $353.81 |
||
|
36714A
|
36714A
97103-06304 Bearing (For Power Take-Off Output Gear)[09.1991 - 05.1995] BU67..DMP..5F;BU66,72..DM2,DM4,DM5 |
97103-06304 |
US $9.61 |
||
|
36718
|
36718
36718-36040 Gear, Power Take-Off Idler[09.1991 - 05.1995] BU66..DM2,DM5;BU67..DMP..5F |
36718-36040 |
US $125.22 |
||
|
36718
|
36718
36718-96304 Gear, Power Take-Off Idler[08.1988 - 09.1991] BU66..DM2,DM5;BU67..DMP..5F |
36718-96304 |
US $527.07 |
||
|
36718C
|
36718C
90521-56002 Ring, Hole Snap(For Power Take-Off Idler Gear)[08.1988 - 05.1995] BU67..DMP..5F;BU66,72..DM2,DM3,DM4,DM5 |
90521-56002 |
US $3.20 |
||
|
36728
|
36728
36728-36040 Shaft, Power Take-Off Idler[09.1991 - 05.1995] BU67..DMP..5F;BU66,72..DM2,DM4,DM5 |
36728-36040 |
US $20.97 |
||
|
36728
|
36728
36728-96300 Shaft, Power Take-Off Idler[08.1988 - 09.1991] BU67..DMP..5F;BU66,72..DM2,DM3,DM4,DM5 |
36728-96300 |
US $165.98 |
||
|
36728D
|
36728D
97103-06304 Bearing (For Power Take-Off Output Gear)[09.1991 - 05.1995] BU67..DMP..5F;BU66,72..DM2,DM4,DM5 |
97103-06304 |
US $9.61 |
||
|
36811
|
36811
36811-36040 Fork, Powr Take-Off Shift, No.1[09.1991 - 05.1995] BU67..DMP..5F;BU66,72..DM2,DM4,DM5 |
36811-36040 |
US $23.73 |
||
|
36811
|
36811
36811-96300 Fork, Powr Take-Off Shift, No.1[08.1988 - 09.1991] BU67..DMP..5F;BU66,72..DM2,DM3,DM4,DM5 |
36811-96300 |
US $168.90 |
||
|
36814
|
36814
36814-36040 Shaft, Powr Take-Off Fork, No.1[09.1991 - 05.1995] BU67..DMP..5F;BU66,72..DM2,DM4,DM5 |
36814-36040 |
US $29.99 |
||
|
36814
|
36814
36814-96303 Shaft, Powr Take-Off Fork, No.1[08.1988 - 09.1991] BU67..DMP..5F;BU66,72..DM2,DM3,DM4,DM5 |
36814-96303 |
US $189.28 |
||
|
36814B
|
36814B
96711-24021 Ring, O (For Front Power Take-Off Shaft)[09.1991 - 05.1995] BU67..DMP..5F;BU66,72..DM2,DM4,DM5 |
96711-24021 |
US $3.44 |
||
|
36814E
|
36814E
96160-00900 Ring, E(For Injection Pump Lever)[09.1991 - 05.1995] BU67..DMP..5F;BU66,72..DM2,DM4,DM5 |
96160-00900 |
from US $1.61 |
||
|
36814G
|
36814G
90901-09002 Bolt (For Power Take-Off Shift Shaft)[09.1991 - 05.1995] BU67..DMP..5F;BU66,72..DM2,DM4,DM5 |
90901-09002 |
US $3.49 |
||
|
38966A
|
38966A
38966-36010 Bracket, Cable Clamp, No.6[09.1991 - 05.1995] BU67..DMP..5F;BU66,72..DM2,DM4,DM5 |
38966-36010 |
US $33.92 |
||
|
38966A
|
38966A
38966-96301 Bracket, Cable Clamp, No.6[08.1988 - 09.1991] BU67..DMP..5F;BU66,72..DM2,DM4,DM5 |
38966-96301 |
US $16.60 |
||
|
9010910151
|
9010910151
90109-10151 New Genuine Part |
90109-10151 |
US $3.20 |
||
|
9011910029
|
9011910029
90119-10029 Bolt (For Control Shaft Cover) |
90119-10029 |
US $2.18 |
||
| replacement | |||||
|
9011910029
|
9011910029
90119-10288 Bolt (For Control Shaft Cover) |
90119-10288 |
US $0.70 |
||
|
9017010082
|
9017010082
90170-10082 Nut, Hexagon (For Control Rod Setting) |
90170-10082 |
from US $2.87 |
||
|
9020411042
|
9020411042
90204-11042 WASHER |
90204-11042 |
US $1.46 |
||
|
9046108202
|
9046108202
90461-08202 Clamp(For Brake Master Cylinder) |
90461-08202 |
US $8.30 |
||
|
9161160812
|
9161160812
91611-60812
Bolt(For Drive Plate & Torque Converter Setting)
|
91611-60812 |
— | ||
| replacement | |||||
|
9161160812
|
9161160812
91611-B0812 Bolt |
91611-B0812 |
from US $0.76 |
||
|
9161160816
|
9161160816
91611-60816
Screw Or Bolt(For Valve Rocker Shaft Lock)
|
91611-60816 |
— | ||
| replacement | |||||
|
9161160816
|
9161160816
91611-B0816 Bolt |
91611-B0816 |
from US $1.01 |
||
|
9411040600
|
9411040600
94110-40600 Nut, Rock |
94110-40600 |
from US $0.66 |
||
|
9451100600
|
9451100600
94511-00600 Washer, Lock, No.2 |
94511-00600 |
US $2.15 |
||
|
9451201000
|
9451201000
94512-01000 Washer, No.1 (For Propeller Shaft & Differential Setting) |
94512-01000 |
from US $0.80 |
||