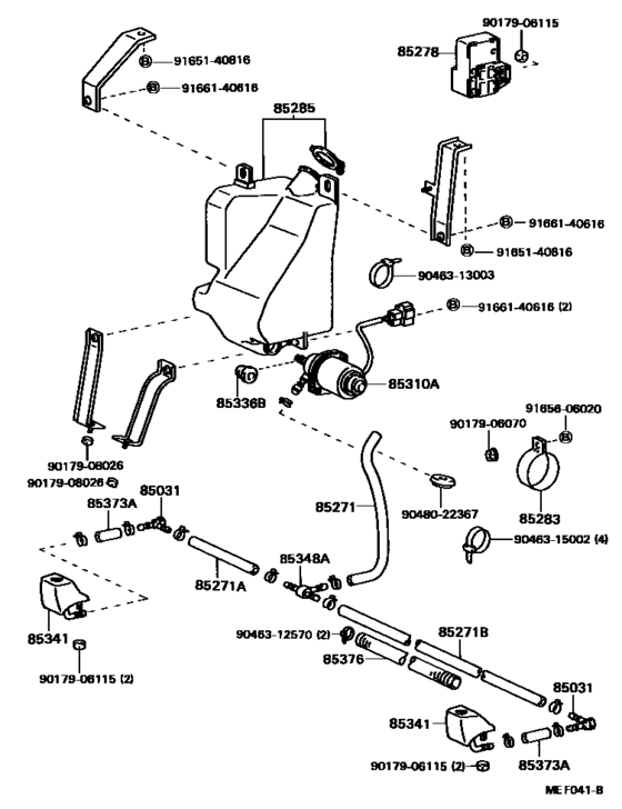
Headlamp Cleaner ([09.1984 - ] (8409- )) Diagram Toyota DYNA/ TOYOACE
- Year
- 1984 - 1987
- Sales region
- Europe
- Frame
- RU75
- body
- TR
- ENGINE
- 22R
- DESTINATION
- GEN
- From
- 09.1984
- To
- 08.1987
- Gear Shift Type
- 5F
- Deck,cab
- T3
- Driver's Position
- LHD
- Building Condition
- CBU
- Deck(Material)
- TB
- Rear Tire
- WT
Difficulties in parts search?
Parts list
Difficulties in parts search?
| Description | OEM Part # | Price | |||
|---|---|---|---|---|---|
|
9017906070
|
9017906070
90179-06070
Nut(For Steering Inter Shaft Dust Seal Cover)
|
90179-06070 |
— | ||
| replacement | |||||
|
9017906070
|
9017906070
90179-06159 Nut, Rear Wiper Link Pivot, No.1 |
90179-06159 |
from US $0.59 |
||
|
9017906115
|
9017906115
90179-06115 Nut (For Rear Wiper Arm Setting) |
90179-06115 |
US $2.15 |
||
|
9017908026
|
9017908026
90179-08026 Nut (For Front Wiper Arm Setting) |
90179-08026 |
US $1.43 |
||
|
9046312570
|
9046312570
90463-12570 CLAMP |
90463-12570 |
US $3.58 |
||
|
9046313003
|
9046313003
90463-13003 Clamp, Hood Lock Control Wire |
90463-13003 |
US $3.23 |
||
|
9046315002
|
9046315002
90463-15002 Clamp (For Accelerator Wire Set) |
90463-15002 |
US $2.15 |
||
|
9048022367
|
9048022367
90480-22367
New Genuine Part
|
90480-22367 |
— | ||
|
9165140816
|
9165140816
91651-40816 BOLT |
91651-40816 |
from US $0.98 |
||
|
9165606020
|
9165606020
91656-06020
New Genuine Part
|
91656-06020 |
— | ||
|
9166140616
|
9166140616
91661-40616 New Genuine Part |
91661-40616 |
US $1.43 |
||