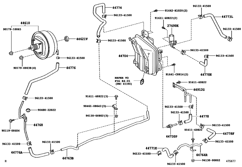
Brake Booster & Vacuum Tube ([12.2006 - ] (0612- )DCRTH,DCRTJ..IDN) Diagram Toyota DYNA/ TOYOACE
- Year
- 2006 - 2010
- Sales region
- General
- Frame
- WU342
- ENGINE
- W04D
- DESTINATION
- IDN
- DECK
- T3
- From
- 12.2006
- To
- 05.2010
- Loading Capacity
- 75T
- Driver's Position
- RHD
- Fuel Induction
- DCRTJ
- Building Condition
- IV3
- Rear Tire
- WT
Difficulties in parts search?
Difficulties in parts search?
| Description | OEM Part # | Price | |||
|---|---|---|---|---|---|
|
27690K
|
27690K
27690-78130 Solenoid Assy, W/bracket(For Exhaust Brake)[10.2006 - 05.2010] W04D..WU302,342..(DCRTH,DCRTJ)..IDN |
27690-78130 |
from US $79.42 |
||
|
44610
|
44610
44610-37171 Booster Assy, Brake[10.2006 - 05.2010] WU302,342..(DCRTH,DCRTJ)..IDN |
44610-37171 |
US $790.92 |
||
|
44621V
|
44621V
44621-36070 Seal, Booster Body[12.2006 - 05.2010] WU302,342..(DCRTH,DCRTJ)..IDN |
44621-36070 |
from US $3.78 |
||
|
44704
|
44704
44704-37201
Reservoir Sub-Assy, Vacuum
[12.2006 - 11.2008] WU302,342..IDN |
44704-37201 |
— | ||
| replacement | |||||
|
44704
|
44704
44704-37202
Reservoir Sub-Assy, Vacuum
[12.2006 - 11.2008] WU302,342..IDN |
44704-37202 |
— | ||
|
44704
|
44704
44704-37202
Reservoir Sub-Assy, Vacuum
[12.2008 - 05.2010] WU302,342..(DCRTH,DCRTJ)..IDN |
44704-37202 |
— | ||
|
44730P
|
44730P
44730-60050 Valve Assy, Vacuum Check(For Clutch Vacuum)[10.2006 - 05.2010] WU302,342..(DCRTH,DCRTJ)..IDN |
44730-60050 |
from US $22.85 |
||
|
44763B
|
44763B
44764-0W070
Tube, Tube Connector To Tube Connector
[12.2006 - 05.2010] WU302,342..(DCRTH,DCRTJ)..IDN |
44764-0W070 |
— | ||
|
44764R
|
44764R
44764-0W100
Tube, Connector To Vacuum Reservoir
[12.2006 - 05.2010] WU302,342..(DCRTH,DCRTJ)..IDN |
44764-0W100 |
— | ||
|
44768
|
44768
44768-0W010
Tube, Booster Vacuum
[12.2006 - 05.2010] WU302,342..(DCRTH,DCRTJ)..IDN |
44768-0W010 |
— | ||
|
44771K
|
44771K
44771-0W020
Hose, Vacuum Tube To Vacuum Pump
[12.2006 - 05.2010] WU302,342..(DCRTH,DCRTJ)..IDN |
44771-0W020 |
— | ||
|
44773L
|
44773L
44773-0W020
Hose, Solenoid To Exhaust Retarder
[12.2006 - 05.2010] WU302,342..(DCRTH,DCRTJ)..IDN |
44773-0W020 |
— | ||
|
44774
|
44774
44774-0W010
Hose, Union To Connector Tube
[12.2006 - 05.2010] WU302,342..(DCRTH,DCRTJ)..IDN |
44774-0W010 |
— | ||
|
44776
|
44776
44776-37060 Hose, Brake BoosterBRAKE BOOSTER [12.2006 - 05.2010] WU302,342..(DCRTH,DCRTJ)..IDN |
44776-37060 |
US $13.83 |
||
|
44776A
|
44776A
44776-0W010
Hose, Vacuum Reservoir To Brake Booster
[12.2006 - 05.2010] WU302,342..(DCRTH,DCRTJ)..IDN |
44776-0W010 |
— | ||
|
44778
|
44778
44778-0W010
Hose, Connector To Check Valve
[12.2006 - 05.2010] WU302,342..(DCRTH,DCRTJ)..IDN |
44778-0W010 |
— | ||
|
44778E
|
44778E
44778-0W010
Hose, Connector To Check Valve
[12.2006 - 05.2010] WU302,342..(DCRTH,DCRTJ)..IDN |
44778-0W010 |
— | ||
|
44778F
|
44778F
44778-0W010
Hose, Connector To Check Valve
[12.2006 - 05.2010] WU302,342..(DCRTH,DCRTJ)..IDN |
44778-0W010 |
— | ||
|
44912G
|
44912G
44912-0W021 Tube, 3 Way To Magnetic Valve3 WAY TO MAGNETIC VALVE [12.2006 - 05.2010] WU302,342..(DCRTH,DCRTJ)..IDN |
44912-0W021 |
US $25.04 |
||
|
91641C0814
|
91641C0814
91641-C0814 BOLT W-WASHER |
91641-C0814 |
US $1.79 |
||
|
91642K1020
|
91642K1020
91642-K1020 BOLT WWASHER |
91642-K1020 |
US $3.05 |
||
|
9011908604
|
9011908604
90119-08604 BOLT |
90119-08604 |
US $2.87 |
||
|
9017908038
|
9017908038
90179-08038 Nut (For Transmission Control Cable) |
90179-08038 |
from US $0.80 |
||
|
9017910065
|
9017910065
90179-10065 Nut, Master Cylinder Push Rod Clevis Lock |
90179-10065 |
from US $1.61 |
||
|
9046108642
|
9046108642
90461-08642 New Genuine Part |
90461-08642 |
US $3.14 |
||
|
9048022022
|
9048022022
90480-22022 GROMMET |
90480-22022 |
from US $1.65 |
||
|
9161160822
|
9161160822
91611-60822 Bolt |
91611-60822 |
from US $1.19 |
||
|
9413000802
|
9413000802
94130-00802 Nut, No.1 (For Center Support Bearing) |
94130-00802 |
from US $0.84 |
||
| replacement | |||||
|
9413000802
|
9413000802
90170-A0001
New Genuine Part
|
90170-A0001 |
— | ||
|
9613341500
|
9613341500
96133-41500 Clamp Or Clip(For Air Hose, No.5) |
96133-41500 |
from US $2.32 |
||