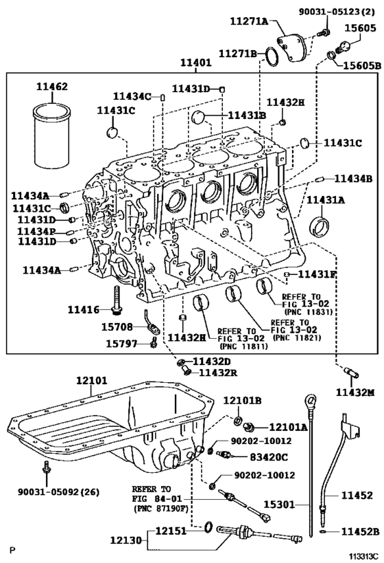
Cylinder Block ([06.2004 - 10.2006] (0406-0610)N04C..XZU304,334,378..IV4) Diagram Toyota DYNA/ TOYOACE
- Year
- 2004 - 2006
- Sales region
- Japan
- Frame
- XZU334
- ENGINE
- N04C
- TRANSMISSION
- ATM
- DECK
- T3
- CAB
- DCB
- Model
- DYNA/TOYOACE
- From
- 06.2004
- To
- 10.2006
- Gear Shift Type
- 6FC
- Body Shape
- 1NO
- Loading Capacity
- 30T
- Fuel Induction
- DSLL
- Building Condition
- IV4
- Rear Tire
- WT
Difficulties in parts search?
Difficulties in parts search?
| Description | OEM Part # | Price | |||
|---|---|---|---|---|---|
|
11271A
|
11271A
17455-78110 Cover, Cylinder Block, Rear[06.2004 - 05.2007] N04C..XZU304,305..20T..DCRL..1NO;N04C..XZU304,314,334,344,354,378..DSLL |
17455-78110 |
US $47.17 |
||
| replacement | |||||
|
11271A
|
11271A
S1745-82800 Cover, Cylinder Block, Rear[06.2004 - 05.2007] N04C..XZU304,305..20T..DCRL..1NO;N04C..XZU304,314,334,344,354,378..DSLL |
S1745-82800 |
US $64.79 |
||
|
11271B
|
11271B
90301-69001 Ring, O(For Cylinder Block Rear Plate)[06.2004 -] N04C..XZU304,305,308,314,334,338,344,348,354,368,378,388 |
90301-69001 |
from US $6.88 |
||
|
11401
|
11401
11401-78190
Block Sub-Assy, Cylinder
[06.2004 - 10.2006] N04C..XZU304,334,378..IV4,IV7 |
11401-78190 |
— | ||
|
11416
|
11416
90910-02156 Bolt(For Crankshaft Bearing Cap Set)[06.2004 - 05.2007] N04C..XZU304,305,308,314,334,338,344,348,354,368,378,388 |
90910-02156 |
US $6.45 |
||
|
11431A
|
11431A
90033-31026 Plug, Tight, No.4[06.2004 - 05.2007] N04C..XZU304,305,308,314,334,338,344,348,354,368,378,388 |
90033-31026 |
US $3.20 |
||
|
11431B
|
11431B
90033-31035 Plug, Tight, No.2(For Cylinder Block)[06.2004 - 05.2007] N04C..XZU304,305,308,314,334,338,344,348,354,368,378,388 |
90033-31035 |
US $2.48 |
||
|
11431C
|
11431C
90033-31034 Plug, Tight, No.3(For Cylinder Block)[06.2004 - 05.2007] N04C..XZU304,305,308,314,334,338,344,348,354,368,378,388 |
90033-31034 |
from US $1.72 |
||
|
11431D
|
11431D
90033-31020 Plug, Tight, No.3[06.2004 - 05.2007] N04C..XZU304,305,308,314,334,338,344,348,354,368,378,388 |
90033-31020 |
US $1.16 |
||
|
11431F
|
11431F
90331-14005 Plug, Tight, No.1[06.2004 - 05.2007] N04C..XZU304,305,308,314,334,338,344,348,354,368,378,388 |
90331-14005 |
US $1.31 |
||
|
11432D
|
11432D
90202-10011 Gasket, W/head Taper Screw Plug[06.2004 -] N04C..XZU304,305,308,314,334,338,344,348,354,368,378,388 |
90202-10011 |
US $1.61 |
||
|
11432H
|
11432H
90344-21001 Plug, W/head Taper Screw, No.5[06.2004 - 05.2007] N04C..XZU304,305,308,314,334,338,344,348,354,368,378,388 |
90344-21001 |
US $2.91 |
||
|
11432M
|
11432M
12229-78020 Union(For Cylinder Block)[06.2004 -] N04C..XZU304,305,308,314,334,338,344,348,354,368,378,388 |
12229-78020 |
US $4.66 |
||
| replacement | |||||
|
11432M
|
11432M
S1222-11690 Union(For Cylinder Block)[06.2004 -] N04C..XZU304,305,308,314,334,338,344,348,354,368,378,388 |
S1222-11690 |
US $5.39 |
||
|
11432R
|
11432R
90033-41017 Plug, W/head Straight Screw, No.1(For Cylinder Block)[06.2004 -] N04C..XZU304,305,308,314,334,338,344,348,354,368,378,388 |
90033-41017 |
US $3.06 |
||
|
11434A
|
11434A
90250-08015 Pin, Straight(For Flywheel Housing)[06.2004 - 04.2007] N04C..XZU304,305,308,314,334,338,344,348,354,368,378,388 長さ=24,外径=8 |
90250-08015 |
US $0.87 |
||
|
11434B
|
11434B
90032-50060 Pin, Straight(For Clutch Housing Set)[06.2004 - 05.2007] N04C..XZU304,305,308,314,334,338,344,348,354,368,378,388 長さ=24,外径=12 |
90032-50060 |
US $2.18 |
||
|
11434C
|
11434C
90250-08016 Pin, Straight, No.1[06.2004 - 04.2007] N04C..XZU304,305,308,314,334,338,344,348,354,368,378,388 長さ=16,外径=8 |
90250-08016 |
US $1.60 |
||
|
11434P
|
11434P
90250-05022 Pin, Straight(For Oil Pump Set)[06.2004 - 05.2007] N04C..XZU304,305,308,314,334,338,344,348,354,368,378,388 長さ=10,外径=5 |
90250-05022 |
US $1.46 |
||
|
11452
|
11452
11409-78040 Guide, Oil Level Gage[06.2004 - 10.2006] N04C..XZU304,308,334,378,388..DCB,VAN |
11409-78040 |
US $82.99 |
||
| replacement | |||||
|
11452
|
11452
S1210-24070
Guide, Oil Level Gage
[06.2004 - 10.2006] N04C..XZU304,308,334,378,388..DCB,VAN |
S1210-24070 |
— | ||
|
11452B
|
11452B
90033-01058 Ring, O(For Oil Level Gage Guide)[06.2004 - 05.2007] N04C,S05D..XZU30#,31#,321,33#,34#,35#,368,378,388 |
90033-01058 |
US $1.97 |
||
|
11462
|
11462
11461-78021 Liner, Cylinder[06.2004 - 05.2007] N04C..XZU304,305,308,314,334,338,344,348,354,368,378,388 マーク A |
11461-78021 |
US $231.50 |
||
| replacement | |||||
|
11462
|
11462
S1146-71762 Liner, Cylinder[06.2004 - 05.2007] N04C..XZU304,305,308,314,334,338,344,348,354,368,378,388 マーク A |
S1146-71762 |
US $174.72 |
||
|
11462
|
11462
11461-78031 Liner, Cylinder[06.2004 - 05.2007] N04C..XZU304,305,308,314,334,338,344,348,354,368,378,388 マーク B |
11461-78031 |
US $257.71 |
||
| replacement | |||||
|
11462
|
11462
S1146-71772
Liner, Cylinder
[06.2004 - 05.2007] N04C..XZU304,305,308,314,334,338,344,348,354,368,378,388 マーク B |
S1146-71772 |
— | ||
|
11462
|
11462
11461-78051 Liner, Cylinder[06.2004 - 05.2007] N04C..XZU304,305,308,314,334,338,344,348,354,368,378,388 マーク C |
11461-78051 |
US $231.50 |
||
| replacement | |||||
|
11462
|
11462
S1146-71792 Liner, Cylinder[06.2004 - 05.2007] N04C..XZU304,305,308,314,334,338,344,348,354,368,378,388 マーク C |
S1146-71792 |
US $174.72 |
||
|
12101
|
12101
12101-78100 Pan Sub-Assy, Oil[06.2004 - 10.2006] N04C..XZU304,334,378..IV4 |
12101-78100 |
US $557.65 |
||
|
12101A
|
12101A
90033-41020 Plug(For Oil Pan Drain)[06.2004 - 05.2007] N04C,S05D..XZU30#,31#,321,33#,34#,35#,368,378,388 |
90033-41020 |
from US $2.09 |
||
|
12101B
|
12101B
90034-30046 Gasket(For Oil Pan Drain Plug)[06.2005 - 05.2007] N04C,S05D..XZU30#,31#,321,33#,34#,35#,368,378,388 |
90034-30046 |
US $2.04 |
||
| replacement | |||||
|
12101B
|
12101B
90034-30047 Gasket(For Oil Pan Drain Plug)[06.2005 - 05.2007] N04C,S05D..XZU30#,31#,321,33#,34#,35#,368,378,388 |
90034-30047 |
from US $1.50 |
||
|
12101B
|
12101B
90202-18002 Gasket(For Oil Pan Drain Plug)[06.2004 - 06.2005] N04C,S05D..XZU30#,31#,321,33#,34#,35#,368,378,388 |
90202-18002 |
US $2.04 |
||
| replacement | |||||
|
12101B
|
12101B
90034-30047 Gasket(For Oil Pan Drain Plug)[06.2004 - 06.2005] N04C,S05D..XZU30#,31#,321,33#,34#,35#,368,378,388 |
90034-30047 |
from US $1.50 |
||
|
12130
|
12130
12130-78031 Heater Assy, Oil Pan[06.2004 - 10.2006] N04C..XZU304,334,378..IV4 |
12130-78031 |
US $792.06 |
||
| replacement | |||||
|
12130
|
12130
28580-E0130 Heater Assy, Oil Pan[06.2004 - 10.2006] N04C..XZU304,334,378..IV4 |
28580-E0130 |
US $633.36 |
||
|
12151
|
12151
12151-78040 Washer, Plate(For Oil Pan Hearter)[06.2004 - 10.2006] N04C..XZU304,334,378..IV4 |
12151-78040 |
US $5.82 |
||
| replacement | |||||
|
12151
|
12151
23128-E0010 Gasket, Oil Pan[06.2004 - 10.2006] N04C..XZU304,334,378..IV4 |
23128-E0010 |
US $4.37 |
||
|
15301
|
15301
15301-78090 Gage Sub-Assy, Oil Level[06.2004 - 10.2006] N04C..XZU304,308,334,378,388..DCB,VAN |
15301-78090 |
US $46.16 |
||
| replacement | |||||
|
15301
|
15301
S1530-17030 Gage Sub-Assy, Oil Level[06.2004 - 10.2006] N04C..XZU304,308,334,378,388..DCB,VAN |
S1530-17030 |
US $38.58 |
||
|
15605
|
15605
15703-78030 Valve Sub-Assy, Oil Check[06.2004 - 05.2007] N04C..XZU304,305,308,314,334,338,344,348,354,368,378,388 |
15703-78030 |
US $54.16 |
||
| replacement | |||||
|
15605
|
15605
15602-E0010 Valve Sub-Assy, Oil Check[06.2004 - 05.2007] N04C..XZU304,305,308,314,334,338,344,348,354,368,378,388 |
15602-E0010 |
US $40.77 |
||
|
15605B
|
15605B
90034-30043 Gasket(For Oil Check Valve)[06.2004 -] N04C..XZU304,305,308,314,334,338,344,348,354,368,378,388 |
90034-30043 |
US $2.91 |
||
|
15708
|
15708
11418-78010 Nozzle Sub-Assy, Oil, No.1[06.2004 - 05.2007] N04C..XZU304,305,314,334,344,354,368,378,388..DCRL,DSLL |
11418-78010 |
US $27.37 |
||
| replacement | |||||
|
15708
|
15708
S110B-E0010 Nozzle Sub-Assy, Oil, No.1[06.2004 - 05.2007] N04C..XZU304,305,314,334,344,354,368,378,388..DCRL,DSLL |
S110B-E0010 |
US $21.40 |
||
|
15797
|
15797
90031-05123 Bolt(For Cylinder Head Cover)[06.2004 - 05.2007] N04C..XZU304,305,308,314,334,338,344,348,354,368,378,388 |
90031-05123 |
US $9.14 |
||
|
83420C
|
83420C
83420-20011 Gage Assy, Water Temperature Sender[06.2004 - 05.2005] XZU304,334,378..IV4 |
83420-20011 |
US $57.62 |
||
|
83420C
|
83420C
83420-89102 Gage Assy, Water Temperature Sender[05.2005 - 10.2006] XZU304,334,378..IV4 |
83420-89102 |
US $41.50 |
||
| replacement | |||||
|
83420C
|
83420C
S8342-01240 Gage Assy, Oil Temperature Sender[05.2005 - 10.2006] XZU304,334,378..IV4 |
S8342-01240 |
US $20.53 |
||
|
9003105092
|
9003105092
90031-05092 New Genuine Part |
90031-05092 |
US $1.43 |
||
|
9003105123
|
9003105123
90031-05123 Bolt(For Cylinder Head Cover) |
90031-05123 |
US $9.14 |
||
|
9020210012
|
9020210012
90202-10012 New Genuine Part |
90202-10012 |
US $1.43 |
||