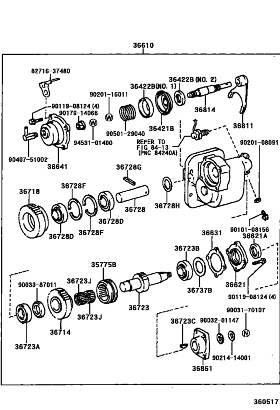
Power Take-Off Case & Gear ([07.1999 - ] (9907- )XZU300,320,330,34#) Diagram Toyota DYNA/ TOYOACE
- Year
- 1999 - 2002
- Sales region
- Europe
- Frame
- XZU340
- ENGINE
- 15BFTE
- TRANSMISSION
- MTM
- From
- 07.1999
- To
- 12.2002
- Loading Capacity
- 40T
- Rear Tire
- WT
Difficulties in parts search?
Difficulties in parts search?
| Description | OEM Part # | Price | |||
|---|---|---|---|---|---|
|
35775B
|
35775B
35775-37010 Sleeve, Output Shaft[07.1999 - 12.2002] XZU300,320,330,34# |
35775-37010 |
US $14.12 |
||
|
36421B
|
36421B
36421-93100
Diaphragm (For Power Take-Off)
[07.1999 - 12.2002] XZU30#,320,330,34# |
36421-93100 |
— | ||
| replacement | |||||
|
36421B
|
36421B
36421-37010 Diaphragm (For Power Take-Off)[07.1999 - 12.2002] XZU30#,320,330,34# |
36421-37010 |
from US $22.15 |
||
|
36422B
|
36422B
36422-93100 Plate, Diaphragm (For Power Take-Off)[07.1999 - 12.2002] XZU30#,320,330,34# NO.1 |
36422-93100 |
US $5.91 |
||
|
36422B
|
36422B
36422-93101 Plate, Diaphragm (For Power Take-Off)[07.1999 - 12.2002] XZU30#,320,330,34# NO.2 |
36422-93101 |
US $5.91 |
||
|
36610
|
36610
36610-37100 Power Take-Off Assy[07.1999 - 12.2002] XZU300,320,330,340 |
36610-37100 |
US $1,863.68 |
||
|
36621
|
36621
36621-93200 Retainer, Power Take-Off Bearing[07.1999 - 12.2002] XZU30#,320,330,34# |
36621-93200 |
US $33.78 |
||
|
36621A
|
36621A
90311-25110 Seal, Oil (For Power Take-Off Bearing Retainer)[07.1999 - 12.2002] XZU30#,320,330,34# |
90311-25110 |
from US $5.20 |
||
|
36631
|
36631
36632-93101 Gasket, Power Take-Off Bearing Retainer[07.1999 - 12.2002] XZU30#,320,330,34# |
36632-93101 |
US $5.10 |
||
|
36641
|
36641
36641-93100 Cap, Power Take-Off Shift Shaft[07.1999 - 12.2002] XZU30#,320,330,34# |
36641-93100 |
US $19.36 |
||
|
36714
|
36714
36714-37090 Gear, Power Take-Off Output[07.1999 - 12.2002] XZU300,320,330,34# |
36714-37090 |
US $113.57 |
||
| replacements | |||||
|
36714
|
36714
35775-37030 Sleeve, Output Shaft[07.1999 - 12.2002] XZU300,320,330,34# |
35775-37030 |
US $42.22 |
||
|
36714
|
36714
36714-37091 Gear, Power Take-Off Output[07.1999 - 12.2002] XZU300,320,330,34# |
36714-37091 |
US $70.18 |
||
|
36718
|
36718
36718-37040 Gear, Power Take-Off Idler[07.1999 - 12.2002] XZU300,320,330,34# |
36718-37040 |
US $119.39 |
||
|
36723
|
36723
36723-37030 Shaft, Power Take-Off Output, No.1[07.1999 - 12.2002] XZU300,320,330,34# |
36723-37030 |
US $63.19 |
||
|
36723A
|
36723A
90366-22001 Bearing(For Power Take-Off Idler Gear Front)[07.1999 - 12.2002] XZU300,320,330,34# |
90366-22001 |
US $20.44 |
||
|
36723B
|
36723B
90366-22001 Bearing(For Power Take-Off Idler Gear Front)[07.1999 - 12.2002] XZU30#,320,330,34# T=16.25 |
90366-22001 |
US $20.44 |
||
|
36723C
|
36723C
90280-07011 Key, Woodruff (For Power Take-Off Output Shaft)[07.1999 - 12.2002] XZU30#,320,330,34# |
90280-07011 |
US $1.31 |
||
|
36723J
|
36723J
90364-28020 Bearing (For Power Take-Off Output Shaft)[07.1999 - 12.2002] XZU30#,320,330,34# |
90364-28020 |
US $11.36 |
||
|
36728
|
36728
36728-37020 Shaft, Power Take-Off Idler[07.1999 - 12.2002] XZU300,320,330,34# |
36728-37020 |
US $23.73 |
||
|
36728D
|
36728D
90366-25011 Bearing (For Output Shaft Rear)[07.1999 - 12.2002] XZU300,320,330,34# |
90366-25011 |
US $25.92 |
||
|
36728F
|
36728F
90521-56108 Ring, Hole Snap(For Power Take-Off Idler Gear)[07.1999 - 12.2002] XZU30#,320,330,34# |
90521-56108 |
US $9.76 |
||
|
36728G
|
36728G
90254-04002 Plate Or Pin, Lock (For Power Take-Off)[07.1999 - 12.2002] XZU30#,320,330,34# |
90254-04002 |
US $0.96 |
||
|
36728H
|
36728H
90564-25001 Shim (For Power Take-Off Idler Shaft)[07.1999 - 12.2002] XZU30#,320,330,34# T=0.05 |
90564-25001 |
US $0.87 |
||
|
36728H
|
36728H
90564-25002 Shim (For Power Take-Off Idler Shaft)[07.1999 - 12.2002] XZU30#,320,330,34# T=0.1 |
90564-25002 |
US $1.31 |
||
|
36728H
|
36728H
90564-25003 Shim (For Power Take-Off Idler Shaft)[07.1999 - 12.2002] XZU30#,320,330,34# T=0.2 |
90564-25003 |
US $1.31 |
||
|
36728H
|
36728H
90564-25004 Shim (For Power Take-Off Idler Shaft)[07.1999 - 12.2002] XZU30#,320,330,34# T=0.5 |
90564-25004 |
US $1.31 |
||
|
36737B
|
36737B
90564-42001 Shim (For Power Take-Off Idler Shaft)[07.1999 - 12.2002] XZU30#,320,330,34# T=0.02-0.08 |
90564-42001 |
US $1.02 |
||
|
36737B
|
36737B
90564-42002 Shim (For Power Take-Off Idler Shaft)[07.1999 - 12.2002] XZU30#,320,330,34# T=0.07-0.13 |
90564-42002 |
US $1.02 |
||
|
36737B
|
36737B
90564-42003 Shim (For Power Take-Off Idler Shaft)[07.1999 - 12.2002] XZU30#,320,330,34# T=0.17-0.23 |
90564-42003 |
US $1.02 |
||
|
36737B
|
36737B
90564-42004 Shim (For Power Take-Off Idler Shaft)[07.1999 - 12.2002] XZU30#,320,330,34# T=0.47-0.53 |
90564-42004 |
US $1.02 |
||
|
36811
|
36811
36811-93104 Fork, Powr Take-Off Shift, No.1[07.1999 - 12.2002] XZU30#,320,330,34# |
36811-93104 |
US $12.41 |
||
|
36814
|
36814
36814-37030 Shaft, Powr Take-Off Fork, No.1[07.1999 - 12.2002] XZU300,320,330,34# |
36814-37030 |
US $25.33 |
||
|
36851
|
36851
36851-37010 Retainer, Power Take-Off Joint[07.1999 - 12.2002] XZU30#,320,330,34# |
36851-37010 |
US $16.45 |
||
|
8271637480
|
8271637480
82716-37480 Bracket, Wiring Harness Clamp, Lh |
82716-37480 |
US $1.46 |
||
|
9003170107
|
9003170107
90031-70107 New Genuine Part |
90031-70107 |
US $1.31 |
||
|
9003201147
|
9003201147
90032-01147 New Genuine Part |
90032-01147 |
US $1.31 |
||
|
9003387011
|
9003387011
90033-87011 New Genuine Part |
90033-87011 |
US $7.28 |
||
|
9010108156
|
9010108156
90101-08156 New Genuine Part |
90101-08156 |
US $2.48 |
||
|
9011908124
|
9011908124
90119-08124 New Genuine Part |
90119-08124 |
US $1.60 |
||
|
9017914066
|
9017914066
90179-14066 New Genuine Part |
90179-14066 |
US $2.62 |
||
|
9020108091
|
9020108091
90201-08091 New Genuine Part |
90201-08091 |
US $1.02 |
||
|
9020115011
|
9020115011
90201-15011 New Genuine Part |
90201-15011 |
US $0.73 |
||
|
9021414001
|
9021414001
90214-14001 Washer, Lock (For Center Bearing Shaft) |
90214-14001 |
US $7.13 |
||
|
9040751002
|
9040751002
90407-51002 Union, Vacuum Hose(For Manifold Side) |
90407-51002 |
US $4.66 |
||
|
9050129040
|
9050129040
90501-29040 New Genuine Part |
90501-29040 |
US $4.66 |
||
|
9453101400
|
9453101400
94531-01400 New Genuine Part |
94531-01400 |
US $0.87 |
||