Radio Receiver & Amplifier & Condenser ([11.2010 - ] (1011- )) Diagram Toyota FJ CRUISER

Year
2010 - 2018
Sales region
General
Frame
GSJ15
ENGINE
1GRFE
TRANSMISSION
ATM
DESTINATION
GEN
From
11.2010
Driver's Position
RHD

Difficulties in parts search?

Parts list
Radio Receiver & Amplifier & Condenser

Difficulties in parts search?

Radio Receiver & Amplifier & Condenser
Description OEM Part # Price
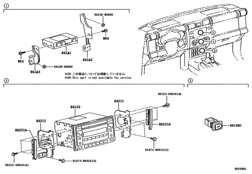
861A1
861A1

861A0-48030

Computer, Multi-Media Interface

[08.2012 -] GSJ15..GEN..RHD; GSJ15..ATM..GCC AUDIO-JBL 10SPEAKER WITH(SUB WOOFER); GSJ15..ATM..GCC VSC-WITH(A-TRC & CRAWL CONTROL)&AUDIO-JBL 10SPEAKER WITH(SUB WOOFER)

861A0-48030

US $286.83

861A2
861A2
861A2-35020
Bracket, Multi-Media Interface, No.1

[08.2012 -] GSJ15..GEN..RHD; GSJ15..ATM..GCC AUDIO-JBL 10SPEAKER WITH(SUB WOOFER); GSJ15..ATM..GCC VSC-WITH(A-TRC & CRAWL CONTROL)&AUDIO-JBL 10SPEAKER WITH(SUB WOOFER)

861A2-35020

861A3
861A3
861A3-35020
Bracket, Multi-Media Interface, No.2

[08.2012 -] GSJ15..GEN..RHD; GSJ15..ATM..GCC AUDIO-JBL 10SPEAKER WITH(SUB WOOFER)

861A3-35020

861A3
861A3
861A3-35030
Bracket, Multi-Media Interface, No.2

[08.2012 -] GSJ15..SA; GSJ15..CHI;GSJ15..GEN..RHD VSC-WITH(A-TRC & CRAWL CONTROL); GSJ15..ATM..GCC VSC-WITH(A-TRC & CRAWL CONTROL)&AUDIO-JBL 10SPEAKER WITH(SUB WOOFER)

861A3-35030

86190C
86190C

86190-48030

Adapter Assy, Stereo Jack, No.1

STEREO JACK, NO.1

[08.2012 -] GSJ15..GEN..RHD; GSJ15..ATM..GCC AUDIO-JBL 10SPEAKER WITH(SUB WOOFER); GSJ15..ATM..GCC VSC-WITH(A-TRC & CRAWL CONTROL)&AUDIO-JBL 10SPEAKER WITH(SUB WOOFER)

86190-48030

from US $86.68

86211
86211

86211-35061

Bracket, Radio, No.1

RADIO, NO.1

[11.2010 -] GSJ15..CHI,GCC,GEN,SA

86211-35061

US $6.41

86212
86212

86212-35061

Bracket, Radio, No.2

RADIO, NO.2

[11.2010 -] GSJ15..CHI,GCC,GEN,SA

86212-35061

US $6.41

86221A
86221A

86221-52050

Panel, Radio Receiver

[11.2010 -] GSJ15..GEN;GSJ15..MTM..GCC

86221-52050

from US $1.79

86221D
86221D

86221-52060

Panel, Radio Receiver

[11.2010 -] GSJ15..GEN;GSJ15..MTM..GCC

86221-52060

from US $1.79

9015350010
9015350010

90153-50010

BOLT

90153-50010

from US $0.68

9167380616
9167380616

91673-80616

Bolt, W/washer

91673-80616

from US $0.63

9415080600
9415080600

94150-80600

NUT FLANGE

94150-80600

from US $0.65

Radio Receiver & Amplifier & Condenser ([11.2010 - ] (1011- )) Diagram Toyota FJ CRUISER General 18005106-932772