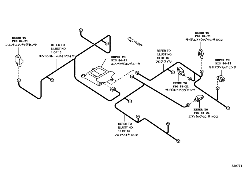
Wiring & Clamp ([08.2016 - ] エアバッグ (1608- )) Diagram Toyota GT86

Year
2017 - 2018
Sales region
Japan
Frame
ZN6
grade
LHP
ENGINE
FA20
TRANSMISSION
ATM
CATEGORY
E
From
02.2017
Gear Shift Type
6FC
No.of Doors
2D
Vehicle Model
GT86

Difficulties in parts search?

Parts list
Wiring & Clamp

Difficulties in parts search?

Wiring & Clamp

Nothing

Wiring & Clamp ([08.2016 - ] エアバッグ (1608- )) Diagram Toyota GT86 Japan 17646359-901742