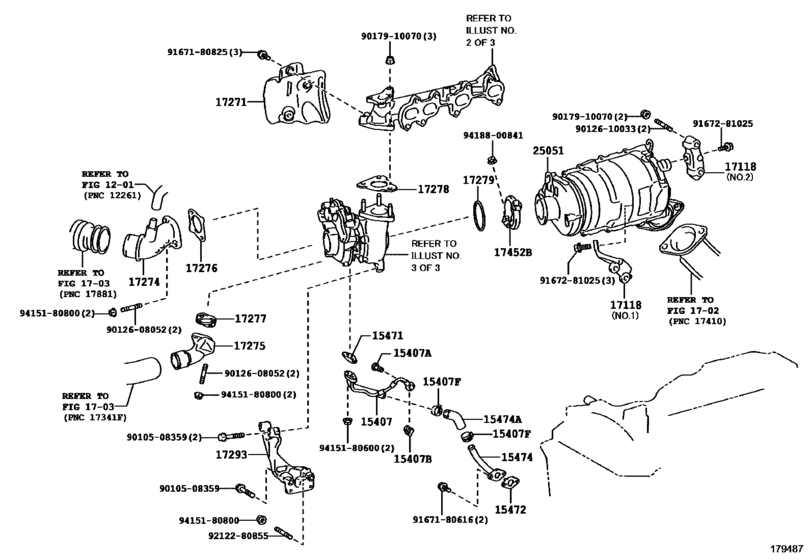
Manifold ([01.2017 - ] (1701- )1GDFTV) Diagram Toyota HIACE
- Year
- 2017 - 2018
- Sales region
- General
- Frame
- GDH201
- grade
- STD
- body
- V
- Roof
- SRF
- ENGINE
- 1GDFTV
- DESTINATION
- GEN
- Model
- HIACE
- From
- 01.2017
- Gear Shift Type
- 6FC
- No.of Doors
- 5D
- Seating Capacity
- 06S
- Vehicle Model
- Hiace
- Driver's Position
- RHD
- Fuel Induction
- DCR
- Side Window
- SP
Difficulties in parts search?
Difficulties in parts search?
| Description | OEM Part # | Price | |||
|---|---|---|---|---|---|
|
15407
|
15407
15407-0E020 Pipe Sub-Assy, Turbo Oil Inlet[01.2017 -] 1GDFTV..GDH201 |
15407-0E020 |
US $32.76 |
||
|
15407A
|
15407A
90401-12097 Bolt, Union(For Turbo Oil Inlet Pipe)[01.2017 -] 1GDFTV..GDH201 |
90401-12097 |
from US $2.94 |
||
|
15407B
|
15407B
90904-30004 Gasket(For Turbo Oil Inlet Pipe)[01.2017 -] 1GDFTV..GDH201 |
90904-30004 |
from US $5.38 |
||
|
15407F
|
15407F
96137-42501 Clamp Or Clip, Oil Hose[01.2017 -] 1GDFTV..GDH201 |
96137-42501 |
from US $4.30 |
||
|
15471
|
15471
15471-11020 Gasket, Turbo Oil Inlet[01.2017 -] 1GDFTV..GDH201 |
15471-11020 |
from US $2.85 |
||
|
15472
|
15472
15472-11010 Gasket, Turbo Oil Outlet, No.1[01.2017 -] 1GDFTV..GDH201 |
15472-11010 |
from US $2.59 |
||
|
15474
|
15474
15474-0E010 Pipe, Turbo Oil Outlet[01.2017 -] 1GDFTV..GDH201 |
15474-0E010 |
US $36.17 |
||
|
15474A
|
15474A
15491-11010 Hose, Turbo Oil Outlet[01.2017 -] 1GDFTV..GDH201 |
15491-11010 |
US $16.97 |
||
|
17118
|
17118
17118-11390 Stay, Manifold[01.2017 -] 1GDFTV..GDH201 NO.3 |
17118-11390 |
from US $34.26 |
||
|
17118
|
17118
17568-11170 Stay, Manifold[01.2017 -] 1GDFTV..GDH201 NO.1 |
17568-11170 |
US $47.17 |
||
|
17118
|
17118
17569-11140 Stay, Manifold[01.2017 -] 1GDFTV..GDH201 NO.2 |
17569-11140 |
US $36.69 |
||
|
17271
|
17271
17271-11021 Insulator, Turbo, No.1[01.2017 -] 1GDFTV..GDH201 |
17271-11021 |
US $75.71 |
||
|
17274
|
17274
17274-11040
Elbow, Compressor Inlet
[01.2017 -] 1GDFTV..GDH201 |
17274-11040 |
— | ||
|
17275
|
17275
17275-11020
Elbow, Compressor Outlet
[01.2017 -] 1GDFTV..GDH201 |
17275-11020 |
— | ||
|
17276
|
17276
17276-67010 Gasket, Compressor Inlet[01.2017 -] 1GDFTV..GDH201 |
17276-67010 |
from US $2.09 |
||
|
17277
|
17277
17277-11030 Gasket, Compressor Outlet[01.2017 -] 1GDFTV..GDH201 |
17277-11030 |
US $4.84 |
||
|
17278
|
17278
17278-11041 Gasket, Turbo To Exhaust Manifold[01.2017 -] 1GDFTV..GDH201 |
17278-11041 |
from US $66.65 |
||
|
17279
|
17279
17279-11020 Gasket, Turbine Outlet Elbow[01.2017 -] 1GDFTV..GDH201 |
17279-11020 |
from US $29.07 |
||
|
17293
|
17293
17293-11011 Stay, Turbocharger[01.2017 -] 1GDFTV..GDH201 |
17293-11011 |
US $90.27 |
||
|
17452B
|
17452B
17452-11070 Clamp, Exhaust Pipe[01.2017 -] 1GDFTV..GDH201 |
17452-11070 |
US $40.15 |
||
|
25051
|
25051
25051-11060 Converter Sub-Assy, Exhaust Manifold[01.2017 -] 1GDFTV..GDH201 *114=*403 |
25051-11060 |
US $2,264.40 |
||
|
9010508359
|
9010508359
90105-08359 New Genuine Part |
90105-08359 |
US $1.46 |
||
|
9012608052
|
9012608052
90126-08052 Bolt, Stud(For Oil Pan) |
90126-08052 |
from US $0.78 |
||
|
9012610033
|
9012610033
90126-10033 Bolt, Stud(For Exhaust Manifold, Rh) |
90126-10033 |
from US $4.60 |
||
|
9017910070
|
9017910070
90179-10070 Nut, Exhaust Pipe Set Stud Bolt |
90179-10070 |
from US $1.35 |
||
| replacement | |||||
|
9017910070
|
9017910070
90080-17187 Nut, Exhaust Pipe Set Stud Bolt |
90080-17187 |
US $44.70 |
||
|
9167180616
|
9167180616
91671-80616 BOLT FLANGE |
91671-80616 |
from US $0.64 |
||
|
9167180825
|
9167180825
91671-80825 Bolt, Compressor, No.1 |
91671-80825 |
from US $0.78 |
||
|
9167281025
|
9167281025
91672-81025 Bolt, Center Support Bearing Bracket |
91672-81025 |
from US $1.13 |
||
|
9212280855
|
9212280855
92122-80855 New Genuine Part |
92122-80855 |
US $1.60 |
||
|
9415180600
|
9415180600
94151-80600 Nut, Cap(For Cylinder Head Cover) |
94151-80600 |
from US $0.66 |
||
|
9415180800
|
9415180800
94151-80800 Nut (For Transmission Control Cable) |
94151-80800 |
from US $0.80 |
||
|
9418800841
|
9418800841
94188-00841 NUT LOCK |
94188-00841 |
from US $0.80 |
||