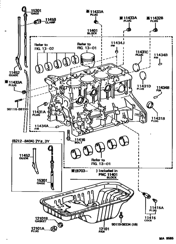
Cylinder Block ([12.1982 - ] (8212- )2Y#,3Y,4Y) Diagram Toyota HIACE
- Year
- 1986 - 1987
- Sales region
- Europe
- Frame
- YH61
- grade
- STD
- body
- V
- Roof
- SRF
- ENGINE
- 3Y
- TRANSMISSION
- MTM
- DESTINATION
- GEN
- Model
- HIACE VAN/WAGON/COMMUTER BUS
- From
- 08.1986
- To
- 08.1987
- Gear Shift Type
- 4H
- No.of Doors
- V4D
- Seating Capacity
- 06S
- Vehicle Model
- Hiace Van, Commuter Bus
- Driver's Position
- LHD
- Side Window
- VSG
Difficulties in parts search?
Difficulties in parts search?
| Description | OEM Part # | Price | |||
|---|---|---|---|---|---|
|
11401
|
11401
11401-79086
Block Sub-Assy, Cylinder
[02.1985 - 08.1987] 3Y..YH51,61,71 |
11401-79086 |
— | ||
| replacement | |||||
|
11401
|
11401
11401-79736
Block Sub-Assy, Cylinder
[02.1985 - 08.1987] 3Y..YH51,61,71 |
11401-79736 |
— | ||
|
11415
|
11415
96431-53828 Cock Sub-Assy, Water Drain(For Cylinder Block)[04.1985 - 07.1988] 2L..LH5#,6#,71; 2Y,3Y,4Y..YH5#,6#,71 |
96431-53828 |
US $8.12 |
||
|
11415A
|
11415A
96432-23814
Plug, Water Drain Cock(For Cylinder Block)
[04.1985 - 07.1988] 2L..LH5#,6#,71 L=24; 2Y,3Y,4Y..YH5#,6#,71 L=24 |
96432-23814 |
— | ||
|
11416
|
11416
90910-02032 Bolt(For Crankshaft Bearing Cap Set)[12.1982 - 07.1988] 2Y#,3Y,4Y..YH5#,6#,71 |
90910-02032 |
US $3.99 |
||
|
11431A
|
11431A
96411-01800 Plug, Tight, No.1(For Cylinder Block)[12.1982 - 07.1988] 2Y#,3Y,4Y..YH5#,6#,71 |
96411-01800 |
US $3.03 |
||
|
11431B
|
11431B
96411-43500 Plug, Tight, No.1[12.1982 - 07.1988] L,2L..LH5#,6#,7# OD=35; 2Y#,3Y,4Y..YH5#,6#,71 OD=35 |
96411-43500 |
from US $3.59 |
||
|
11431C
|
11431C
96411-45000 Plug, Tight, No.1(For Cam Housing)[12.1982 - 07.1988] L,2L..LH5#,6#,7# OD=50; 2Y#,3Y,4Y..YH5#,6#,71 OD=50 |
96411-45000 |
from US $3.84 |
||
|
11431D
|
11431D
96411-45000 Plug, Tight, No.1(For Cam Housing)[12.1982 - 07.1988] 2Y#,3Y,4Y..YH5#,6#,71 OD=50 |
96411-45000 |
from US $3.84 |
||
|
11432B
|
11432B
90344-53011 Plug, W/head Taper Screw, No.1[07.1984 - 07.1988] 2Y,3Y,4Y..YH5#,6#,71 |
90344-53011 |
US $4.30 |
||
|
11433A
|
11433A
90072-34402
Plug, W/head Taper Screw, No.2
[07.1984 - 07.1988] 2Y,3Y,4Y..YH5#,6#,71 |
90072-34402 |
— | ||
| replacement | |||||
|
11433A
|
11433A
90344-51005 Plug, W/head Taper Screw, No.1[07.1984 - 07.1988] 2Y,3Y,4Y..YH5#,6#,71 |
90344-51005 |
US $3.58 |
||
|
11434A
|
11434A
90250-08120 Pin, Straight, No.1[12.1982 - 07.1988] 2Y#,3Y,4Y..YH5#,6#,71 L=18,OD=8,L=18,OD=8 |
90250-08120 |
from US $1.01 |
||
|
11434B
|
11434B
90250-08120 Pin, Straight, No.1[12.1982 - 07.1988] 2Y#,3Y,4Y..YH5#,6#,71 L=18,OD=8,L=18,OD=8 |
90250-08120 |
from US $1.01 |
||
|
11434B
|
11434B
90250-10113 Pin, Straight(For Timing Gear Cover Set)[12.1982 - 07.1988] 2Y#,3Y,4Y..YH5#,6#,71 L=22,OD=10,L=22,OD=10 |
90250-10113 |
from US $1.17 |
||
|
11434J
|
11434J
90253-15016 Pin, Straight(For End Plate)[12.1982 - 07.1988] 2Y#,3Y,4Y..YH5#,6#,71 |
90253-15016 |
from US $1.37 |
||
|
11452
|
11452
11452-71020
Guide, Oil Level Gage
[04.1984 - 07.1988] 2Y,3Y,4Y..YH5#,6#,71 |
11452-71020 |
— | ||
|
11459
|
11459
11459-71011
Support, Oil Level Gage Guide
[04.1984 - 07.1988] 2Y,3Y,4Y..YH5#,6#,71 |
11459-71011 |
— | ||
|
12101
|
12101
12101-71021 Pan Sub-Assy, Oil[08.1985 - 07.1988] 3Y..YH51..4HC..SA;3Y..YH51..(4FC,4H,5F,5H)..(ARL,GEN,SA);2Y,3Y,4Y..YH53,60,61,63,7 1..ARL,GEN,SA |
12101-71021 |
US $164.24 |
||
|
12101A
|
12101A
90341-12012 Plug(For Oil Pan Drain)[04.1985 - 07.1988] 2Y,3Y,4Y..YH5#,6#,71 |
90341-12012 |
from US $2.87 |
||
| replacement | |||||
|
12101A
|
12101A
90341-T0004 Plug(For Oil Pan Drain)[04.1985 - 07.1988] 2Y,3Y,4Y..YH5#,6#,71 |
90341-T0004 |
US $3.59 |
||
|
12101B
|
12101B
90430-12011
Gasket(For Oil Pan Drain Plug)
[04.1985 - 03.1988] 2Y,3Y,4Y..YH5#,6#,71 ID=12 |
90430-12011 |
— | ||
| replacement | |||||
|
12101B
|
12101B
90430-12028 Gasket (For Drain Plug)[04.1985 - 03.1988] 2Y,3Y,4Y..YH5#,6#,71 ID=12 |
90430-12028 |
from US $1.11 |
||
|
15301
|
15301
15301-71020 Gage Sub-Assy, Oil Level[04.1984 - 07.1988] 2Y,3Y,4Y..YH5#,6#,71 |
15301-71020 |
US $11.79 |
||
|
9011608159
|
9011608159
90116-08159 Bolt, Stud(For Water Pump Set) |
90116-08159 |
US $3.40 |
||
|
9011908334
|
9011908334
90119-08334
New Genuine Part
|
90119-08334 |
— | ||
| replacement | |||||
|
9011908334
|
9011908334
90119-08378 New Genuine Part |
90119-08378 |
US $2.33 |
||