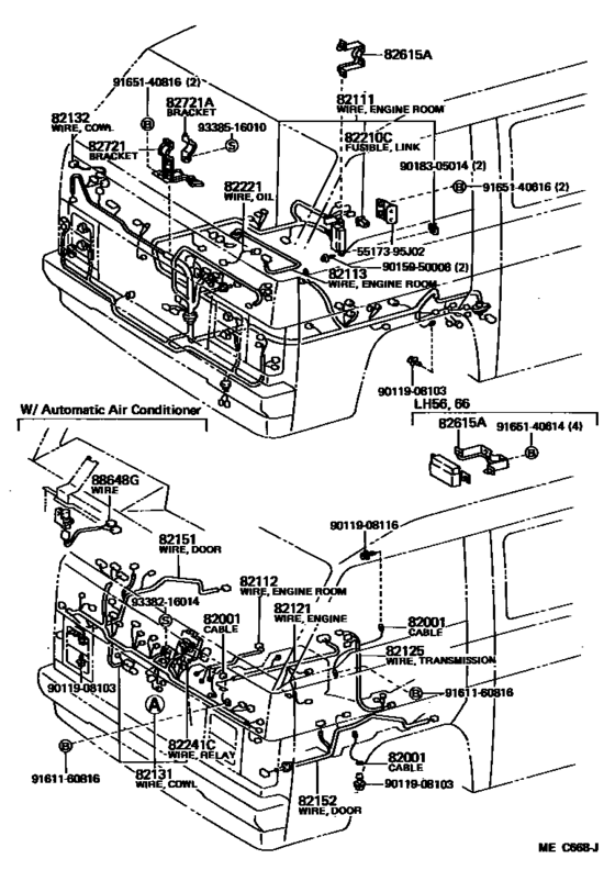
Wiring & Clamp ([12.1982 - ] (8212- )) Diagram Toyota HIACE
- Year
- 1982 - 1985
- Sales region
- Japan
- Frame
- YH71B
- grade
- DLX
- body
- COM
- Roof
- HRF
- ENGINE
- 3YJ
- TRANSMISSION
- MTM
- Model
- HIACE VAN/WAGON/COMMUTER BUS
- From
- 12.1982
- To
- 08.1985
- Gear Shift Type
- 4H
- Seating Capacity
- 15S
- Vehicle Model
- Hiace Van,Wagon
- Fuel Induction
- CBR
- Rear Tire
- ST
Difficulties in parts search?
Difficulties in parts search?
| Description | OEM Part # | Price | |||
|---|---|---|---|---|---|
|
82001
|
82001
82046-95J01 Cable, Bond, No.1[12.1984 - 08.1987] YH5#,6#,71 L=300 |
82046-95J01 |
US $31.16 |
||
|
82001
|
82001
90980-07021 Cable, Bond, No.1[12.1982 - 01.1984] YH5#,61,71..CTM,DLX,GL,SCM L=280 |
90980-07021 |
US $23.30 |
||
|
82001
|
82001
90980-07051 Cable, Bond, No.1[12.1982 - 12.1984] YH5#,6#,71 L=300 |
90980-07051 |
US $11.36 |
||
|
82001
|
82001
90980-07215 Cable, Bond, No.1[01.1984 - 08.1985] YH71..15S L=230 |
90980-07215 |
US $4.80 |
||
|
82111
|
82111
82111-90C00
Wire, Engine Room Main
[12.1982 - 01.1984] YH71..15S |
82111-90C00 |
— | ||
|
82111
|
82111
82111-95J50
Wire, Engine Room Main
[01.1984 - 08.1985] YH52,62,71 |
82111-95J50 |
— | ||
|
82111
|
82111
82111-95N21
Wire, Engine Room Main
[08.1985 - 08.1986] YH71..15S; YH62 |
82111-95N21 |
— | ||
|
82121
|
82121
82121-95J04 Wire, Engine[12.1982 - 08.1987] YH5#,6#,71..COM,V |
82121-95J04 |
US $30.58 |
||
|
82125
|
82125
82125-95J00 Wire, Transmission[12.1982 - 08.1985] YH51,61,71..(COM,WG)..(DLX,STD); LH50,6#,7#..5H..(DLX,GL) |
82125-95J00 |
US $35.67 |
||
|
82131
|
82131
82131-90C00
Wire, Cowl
[12.1982 - 01.1984] YH71..15S |
82131-90C00 |
— | ||
|
82131
|
82131
82131-95J38
Wire, Cowl
[01.1984 - 08.1985] YH52,62,71 |
82131-95J38 |
— | ||
|
82131
|
82131
82131-95J86 Wire, Cowl[08.1985 - 08.1987] YH71..15S |
82131-95J86 |
US $697.42 |
||
|
82210C
|
82210C
90982-08188 Fusible Link[01.1984 - 08.1987] YH52,62,71 30A,メス端子,30A |
90982-08188 |
from US $4.17 |
||
|
82210C
|
82210C
90982-08189 Fusible Link[12.1982 - 08.1987] LH5#,6#,7#,YH5#,6#,71 40A,メス端子,40A |
90982-08189 |
US $7.88 |
||
|
82210C
|
82210C
90982-08202 Fusible Link[12.1982 - 08.1987] LH5#,6#,7#,YH5#,6#,71 60A,オス端子,60A |
90982-08202 |
US $12.54 |
||
|
82721
|
82721
82701-95J00 Bracket, Wiring Harness, No.1[12.1982 - 08.1987] LH5#,6#,7#,YH5#,6#,71 |
82701-95J00 |
US $11.79 |
||
|
82721A
|
82721A
82723-95J00 Bracket, Wiring Harness, No.2[12.1982 - 08.1987] LH5#,6#,7#,YH5#,6#,71 |
82723-95J00 |
US $4.22 |
||
|
5517395J02
|
5517395J02
55173-95J02
Stay, Parking Brake
|
55173-95J02 |
— | ||
|
9011908103
|
9011908103
90119-08103 New Genuine Part |
90119-08103 |
US $1.61 |
||
|
9011908116
|
9011908116
90119-08116 Bolt W Washer |
90119-08116 |
US $4.30 |
||
|
9015950008
|
9015950008
90159-50008 New Genuine Part |
90159-50008 |
US $1.31 |
||
|
9018305014
|
9018305014
90183-05014
New Genuine Part
|
90183-05014 |
— | ||
|
9161160816
|
9161160816
91611-60816
Screw Or Bolt(For Valve Rocker Shaft Lock)
|
91611-60816 |
— | ||
| replacement | |||||
|
9161160816
|
9161160816
91611-B0816 Bolt |
91611-B0816 |
from US $1.01 |
||
|
9165140614
|
9165140614
91651-40614 Bolt |
91651-40614 |
from US $0.78 |
||
|
9165140616
|
9165140616
91651-40616 BOLT |
91651-40616 |
from US $0.74 |
||
| replacement | |||||
|
9165140616
|
9165140616
91621-60614 Bolt(For Transaxle & Engine Setting) |
91621-60614 |
from US $1.46 |
||
|
9165140816
|
9165140816
91651-40816 BOLT |
91651-40816 |
from US $0.98 |
||
|
9338216014
|
9338216014
93382-16014 SCREW |
93382-16014 |
US $2.15 |
||
|
9338516010
|
9338516010
93385-16010 New Genuine Part |
93385-16010 |
US $1.97 |
||