Brake Booster & Vacuum Tube ([07.2011 - ] (1107- )GGN15,25,35..RHD) Diagram Toyota HILUX/4RUNNER TRUCK
- Year
- 2011 - 2013
- Sales region
- U.S.A.
- Frame
- GGN15
- grade
- DLX
- ENGINE
- 1GRFE
- DESTINATION
- ARL
- DECK
- SD
- CAB
- SCB
- Model
- HILUX
- From
- 07.2011
- To
- 08.2013
- Gear Shift Type
- 5F
- Vehicle Model
- Hilux
- Driver's Position
- RHD
- Fuel Induction
- HTWC
- Building Condition
- IV3
Difficulties in parts search?
Difficulties in parts search?
| Description | OEM Part # | Price | |||
|---|---|---|---|---|---|
|
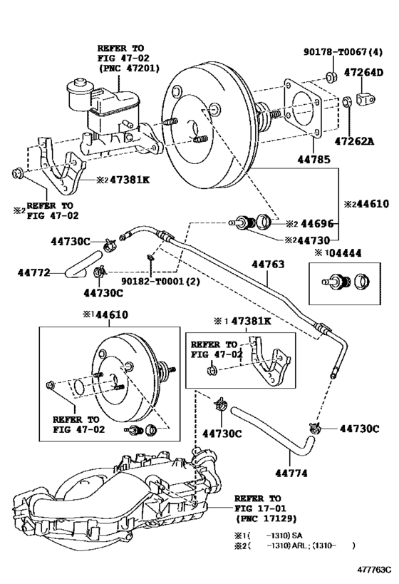
44610
|
44610
44610-0K110
Booster Assy, Brake
[07.2011 - 12.2015] GGN25..5F;GGN25..5FC..DLX;GGN15,TGN10,16,26..RHD |
44610-0K110 |
— | ||
|
44696
|
44696
90080-48050
Grommet, Check Valve
[07.2011 -] KUN26..(DCB,SCB,THDCB)..4FC..(ARL,GEN,PHL);KUN26..(DCB,SMT,THDCB)..(5F,5FC)..(GEN, PHL,TH);GGN15,25,KUN1#,25,3#,TGN1#,26,36..ANCOM,ARL,GCC,GEN,IDN,PHL,PKN,TH |
90080-48050 |
— | ||
|
44730
|
44730
44730-22150 Valve Assy, Vacuum Check(For Brake)[07.2011 -] GGN15,25,KUN1#,2#,3#,TGN1#,26,36..(DCB,SCB,SMT,THDCB,THSCB,XTR)..(ANCOM,ARL,GCC,GE N,IDN,PHL,PKN,TH) |
44730-22150 |
from US $21.84 |
||
|
44730C
|
44730C
90466-T0019 Clip(For Vacuum Hose)[07.2011 - 12.2015] KUN15,2#,3#..LHD;LAN15,25,TGN10,15,16,26..RHD;GGN15,25,35,KUN10,LAN35,TGN36..ARL,G CC,SA |
90466-T0019 |
US $1.37 |
||
|
44763
|
44763
44763-0K010
Tube, Booster Vacuum
[07.2011 -] GGN15,25,35,KUN1#,2#,3#,TGN10,15,16,26,36..RHD |
44763-0K010 |
— | ||
|
44772
|
44772
44772-0K010
Hose, Check Valve To Connector Tube
[07.2011 -] GGN25..5F;KUN35..XTR;GGN25..5FC..DLX;KUN26..RHD..(DCB,SCB)..4FC..(ARL,GEN,MA);KUN2 6..RHD..(DCB,SMT)..(5F,5FC)..(GEN,TH);GGN15,KUN1#,25,3#,TGN10,16,26..RHD..(ARL,GEN ,IDN,MA,PKN,TH) |
44772-0K010 |
— | ||
|
44774
|
44774
44774-0K030
Hose, Union To Connector Tube
[07.2011 - 12.2015] GGN15,25,35..RHD |
44774-0K030 |
— | ||
|
44785
|
44785
44785-17010 Gasket, Brake Booster[07.2011 -] KUN26..4FC..CO;LAN15,25,35..RHD;GGN15,25,KUN1#,2#,3#,TGN1#,26,36..(DCB,SCB,SMT,THD CB,THSCB,XTR)..(ANCOM,ARL,GCC,GEN,IDN,PHL,PKN,TH) |
44785-17010 |
from US $2.16 |
||
|
47262A
|
47262A
90016-AC101
Nut, Master Cylinder Push Rod Clevis Lock
[07.2011 -] TGN16..4FC..GCC;KUN16,3#..ARL,GEN,PHL,TH;TGN16..5F..(ARL,GCC,GEN,TH);TGN26..LHD..( ANCOM,GCC,GEN);KUN26..(DCB,SCB,THDCB)..4FC..(ARL,GEN,PHL);GGN25,KUN26..(DCB,SMT,TH DCB)..(5F,5FC)..(ANCOM,GEN,PHL,TH);GGN15,25,KUN10,15,25,TGN10,11,15,36..(4FC, |
90016-AC101 |
— | ||
|
47262A
|
47262A
94120-41000 Nut(For Clutch Pedal Stopper)[07.2011 -] TGN16..4FC..GCC;KUN16,3#..ARL,GEN,PHL,TH;TGN16..5F..(ARL,GCC,GEN,TH);TGN26..LHD..( ANCOM,GCC,GEN);KUN26..(DCB,SCB,THDCB)..4FC..(ARL,GEN,PHL);GGN25,KUN26..(DCB,SMT,TH DCB)..(5F,5FC)..(ANCOM,GEN,PHL,TH);GGN15,25,KUN10,15,25,TGN10,11,15,36..(4FC, |
94120-41000 |
from US $0.76 |
||
| replacement | |||||
|
47262A
|
47262A
90170-A0002 Nut[07.2011 -] TGN16..4FC..GCC;KUN16,3#..ARL,GEN,PHL,TH;TGN16..5F..(ARL,GCC,GEN,TH);TGN26..LHD..( ANCOM,GCC,GEN);KUN26..(DCB,SCB,THDCB)..4FC..(ARL,GEN,PHL);GGN25,KUN26..(DCB,SMT,TH DCB)..(5F,5FC)..(ANCOM,GEN,PHL,TH);GGN15,25,KUN10,15,25,TGN10,11,15,36..(4FC, |
90170-A0002 |
US $2.33 |
||
|
47264D
|
47264D
47264-0K010
Clevis, Brake Master Cylinder Push Rod
[07.2011 -] GGN25..5F;GGN25..5FC..DLX;KUN26..(DCB,SCB,THDCB)..4FC..(ARL,GEN,PHL);GGN25,KUN26.. (DCB,SMT,THDCB)..(5F,5FC)..(ANCOM,GEN,PHL,TH);GGN15,KUN1#,25,3#,TGN1#,26,36..ANCOM ,ARL,GCC,GEN,IDN,PHL,PKN,TH |
47264-0K010 |
— | ||
|
47381K
|
47381K
47381-0K010
Bracket, Brake Booster Tube Clamp
[07.2011 -] GGN25..5F;GGN25..5FC..DLX;KUN26..(DCB,SCB,THDCB)..4FC..(ARL,GEN,PHL);GGN25,KUN26.. (DCB,SMT,THDCB)..(5F,5FC)..(ANCOM,GEN,PHL,TH);GGN15,KUN1#,25,3#,TGN1#,26,36..ANCOM ,ARL,GCC,GEN,IDN,PHL,PKN,TH |
47381-0K010 |
— | ||
|
90178T0067
|
90178T0067
90178-T0067
New Genuine Part
|
90178-T0067 |
— | ||
|
90182T0001
|
90182T0001
90182-T0001 New Genuine Part |
90182-T0001 |
US $0.73 |
||