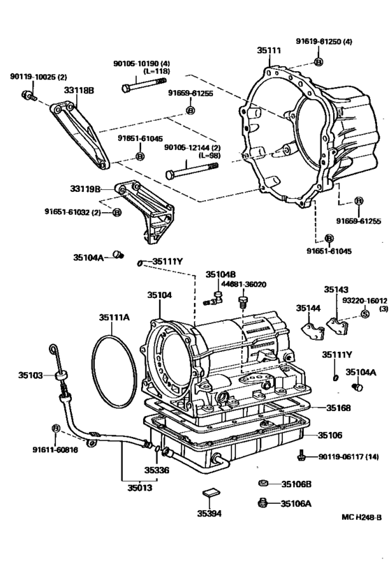
Transmission Case & Oil Pan (Atm) ([08.1988 - ] (8808- )LN85,86..4FC) Diagram Toyota HILUX/4RUNNER TRUCK
- Year
- 1988 - 1990
- Sales region
- General
- Frame
- LN85
- grade
- STD
- ENGINE
- 2L
- TRANSMISSION
- ATM
- DESTINATION
- ARL
- Model
- HILUX 2WD
- From
- 08.1988
- To
- 08.1990
- Body
- RCB
- Gear Shift Type
- 4FC
- Vehicle Model
- Hilux (2WD)
- Driver's Position
- RHD
- Fuel Induction
- DSL
- Body
- T1
- Building Condition
- CBU
Difficulties in parts search?
Difficulties in parts search?
| Description | OEM Part # | Price | |||
|---|---|---|---|---|---|
|
33118B
|
33118B
33118-25020 Plate, Stiffener, Rh(Mtm)[08.1988 - 06.1998] LN85,86,90..4FC |
33118-25020 |
US $22.01 |
||
|
33119B
|
33119B
33119-25020 Plate, Stiffener, Lh(Mtm)[08.1988 - 06.1998] LN85,86,90..4FC |
33119-25020 |
US $31.62 |
||
|
35013
|
35013
35013-30180 Tube Sub-Assy, Transmission Oil Filler[08.1988 - 06.1998] LN85,86,90..4FC |
35013-30180 |
US $46.45 |
||
|
35103
|
35103
35103-35110 Gage Sub-Assy, Transmission Oil Level[08.1988 - 06.1998] LN85,86,90..4FC |
35103-35110 |
US $19.22 |
||
|
35104
|
35104
35104-26021 Case Sub-Assy, Automatic Transmission[08.1988 - 06.1998] LN85,86,90,RN85,90..4FC |
35104-26021 |
US $981.34 |
||
|
35104A
|
35104A
90341-08001 Plug, Transaxle Case, No.1[08.1988 - 06.1998] LN85,86,90,RN85,90..4FC |
90341-08001 |
from US $1.52 |
||
|
35104B
|
35104B
90930-03108 Plug, Breather, No.1 (Atm)[08.1988 - 08.1997] LN85,86,RN85,90..4FC |
90930-03108 |
US $19.70 |
||
|
35106
|
35106
35106-30040
Pan Sub-Assy, Automatic Transmission Oil
[08.1988 - 03.1990] LN85..4FC |
35106-30040 |
— | ||
| replacement | |||||
|
35106
|
35106
35106-30041
Pan Sub-Assy, Automatic Transmission Oil
[08.1988 - 03.1990] LN85..4FC |
35106-30041 |
— | ||
|
35106
|
35106
35106-30041
Pan Sub-Assy, Automatic Transmission Oil
[03.1990 - 06.1998] LN85,86,90..4FC |
35106-30041 |
— | ||
|
35106A
|
35106A
90341-10006
Plug (For Transfer Oil Pan)
[08.1988 - 06.1998] LN85,86,90,RN85,90..4FC |
90341-10006 |
— | ||
| replacement | |||||
|
35106A
|
35106A
90341-10011 Drain Plug (No Type)[08.1988 - 06.1998] LN85,86,90,RN85,90..4FC |
90341-10011 |
from US $1.79 |
||
|
35106B
|
35106B
35178-30010 Drain Plug Gasket[08.1988 - 06.1998] LN85,86,90,RN85,90..4FC |
35178-30010 |
from US $1.77 |
||
|
35111
|
35111
35111-22060
Housing, Automatic Transmission
[08.1988 - 06.1995] LN85,86..4FC |
35111-22060 |
— | ||
| replacement | |||||
|
35111
|
35111
35111-26030 Housing, Automatic Transmission[08.1988 - 06.1995] LN85,86..4FC |
35111-26030 |
US $818.27 |
||
|
35111A
|
35111A
90301-99054 Ring, O (For Automatic Transmission Housing)[08.1988 - 06.1998] LN85,86,90,RN85,90..4FC |
90301-99054 |
US $13.63 |
||
|
35111Y
|
35111Y
90301-06196 O Ring, Transaxle Case, No.1[08.1988 - 06.1998] LN85,86,90,RN85,90..4FC |
90301-06196 |
from US $2.24 |
||
|
35143
|
35143
35143-22010 Cover, Transmission Case, Rear[08.1988 - 06.1998] LN85,86,90,RN85,90..4FC |
35143-22010 |
US $6.26 |
||
|
35144
|
35144
35144-22010
Gasket, Transmission Case Rear Cover
[08.1988 - 12.1990] LN85,RN85,90..4FC |
35144-22010 |
— | ||
| replacement | |||||
|
35144
|
35144
35144-28010 Gasket, Transmission Case Rear Cover[08.1988 - 12.1990] LN85,RN85,90..4FC |
35144-28010 |
US $2.62 |
||
|
35168
|
35168
35168-22011 Gasket, Automatic Transmission Oil Pan[08.1988 - 06.1998] LN85,86,90,RN85,90..4FC |
35168-22011 |
from US $9.79 |
||
|
35336
|
35336
90301-09173 Ring, O(For Transmission Oil Filler Tube)[08.1988 - 06.1998] LN85,86,90,RN85,90..4FC |
90301-09173 |
from US $2.01 |
||
|
35394
|
35394
35394-30011 Magnet, Oil Cleaner (For Transmission)[08.1988 - 06.1998] LN85,86,90..4FC |
35394-30011 |
from US $5.62 |
||
|
4468136020
|
4468136020
44681-36020 Plug, Automatic Transmission Case |
44681-36020 |
US $2.91 |
||
|
9010510190
|
9010510190
90105-10190 New Genuine Part |
90105-10190 |
US $3.20 |
||
|
9010512144
|
9010512144
90105-12144 New Genuine Part |
90105-12144 |
US $3.20 |
||
|
9011906117
|
9011906117
90119-06117
Bolt (For Automatic Transmission Oil Pan)
|
90119-06117 |
— | ||
| replacement | |||||
|
9011906117
|
9011906117
90119-06173 Bolt, Stud (For Automatic Transmission Oil Pan Setting) |
90119-06173 |
from US $0.76 |
||
|
9011910025
|
9011910025
90119-10025 Bolt (For Transmission Control Cable Bracket) |
90119-10025 |
US $1.89 |
||
| replacement | |||||
|
9011910025
|
9011910025
91612-61030 Bolt (For Transmission Control Cable Bracket) |
91612-61030 |
from US $1.07 |
||
|
9161160816
|
9161160816
91611-60816
Screw Or Bolt(For Valve Rocker Shaft Lock)
|
91611-60816 |
— | ||
| replacement | |||||
|
9161160816
|
9161160816
91611-B0816 Bolt |
91611-B0816 |
from US $1.01 |
||
|
9161961250
|
9161961250
91619-61250 Bolt(For Transmission Case & Engine Setting) |
91619-61250 |
from US $1.95 |
||
|
9165161032
|
9165161032
91651-61032 BOLT |
91651-61032 |
US $2.06 |
||
|
9165161045
|
9165161045
91651-61045 BOLT |
91651-61045 |
US $0.96 |
||
|
9165961255
|
9165961255
91659-61255 New Genuine Part |
91659-61255 |
US $3.06 |
||
|
9322016012
|
9322016012
93220-16012 SCREW |
93220-16012 |
US $1.40 |
||