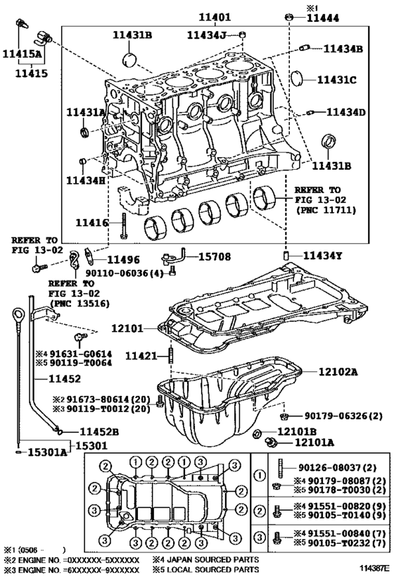
Cylinder Block ([01.2005 - ] (0501- )1TRFE) Diagram Toyota HILUX/4RUNNER TRUCK
- Year
- 2009 - 2011
- Sales region
- U.S.A.
- Frame
- TGN10
- grade
- STD
- ENGINE
- 1TRFE
- DESTINATION
- IDN
- DECK
- SD
- CAB
- SCB
- Model
- HILUX
- From
- 08.2009
- To
- 07.2011
- Gear Shift Type
- 5F
- Vehicle Model
- Hilux
- Driver's Position
- RHD
- Fuel Induction
- HTWC
- Building Condition
- IV3
Difficulties in parts search?
Difficulties in parts search?
| Description | OEM Part # | Price | |||
|---|---|---|---|---|---|
|
11401
|
11401
11401-09400
Block Sub-Assy, Cylinder
[08.2008 - 08.2011] 1TRFE..TGN10,15 *191 |
11401-09400 |
— | ||
| replacement | |||||
|
11401
|
11401
11401-09402
Block Sub-Assy, Cylinder
[08.2008 - 08.2011] 1TRFE..TGN10,15 *191 |
11401-09402 |
— | ||
|
11415
|
11415
90910-09129 Cock Sub-Assy, Water Drain(For Cylinder Block)[06.2009 - 08.2011] 1TRFE..TGN10,15 |
90910-09129 |
from US $6.63 |
||
|
11415A
|
11415A
90910-09087 Plug, Water Drain Cock(For Cylinder Block)[08.2008 - 08.2011] 1TRFE..TGN10,15 |
90910-09087 |
from US $3.02 |
||
|
11416
|
11416
90910-02092 Bolt(For Crankshaft Bearing Cap Set)[08.2008 - 05.2010] 2TRFE..TGN36..CBU;1TRFE,2TRFE..TGN1#;2TRFE..TGN26..ANCOM..CBU;2TRFE..TGN36..ANCOM. .IV3;2TRFE..TGN26..LHD..(GCC,GEN,LA,SA) (J) |
90910-02092 |
US $4.37 |
||
| replacement | |||||
|
11416
|
11416
90910-02179 Bolt(For Crankshaft Bearing Cap Set)[08.2008 - 05.2010] 2TRFE..TGN36..CBU;1TRFE,2TRFE..TGN1#;2TRFE..TGN26..ANCOM..CBU;2TRFE..TGN36..ANCOM. .IV3;2TRFE..TGN26..LHD..(GCC,GEN,LA,SA) (J) |
90910-02179 |
US $4.84 |
||
|
11416
|
11416
90910-02179 Bolt(For Crankshaft Bearing Cap Set)[05.2010 - 04.2012] 1TRFE..TGN15..CBU;2TRFE..TGN16..XTR;2TRFE..TGN16..ARL,GCC,SA,TH;1TRFE,2TRFE..TGN10 ,11,26,36 (J) |
90910-02179 |
US $4.84 |
||
|
11416
|
11416
90910-T2002 Bolt(For Crankshaft Bearing Cap Set)[08.2008 - 04.2012] 2TRFE..TGN16..XTR;2TRFE..TGN26..ANCOM..CBU;2TRFE..TGN36..ANCOM..IV3;1TRFE,2TRFE..T GN15,36..CBU;2TRFE..TGN26..LHD..(GCC,GEN,LA,SA);1TRFE,2TRFE..TGN10,11,16..ARL,GCC, IDN,SA,TH (L) |
90910-T2002 |
US $5.39 |
||
|
11421
|
11421
90126-06015 Bolt, Stud(For Oil Pan)[08.2008 - 04.2012] 2TRFE..TGN16..XTR;2TRFE..TGN26..ANCOM..CBU;2TRFE..TGN36..ANCOM..IV3;1TRFE,2TRFE..T GN15,36..CBU;2TRFE..TGN26..LHD..(GCC,GEN,LA,SA);1TRFE,2TRFE..TGN10,11,16..ARL,GCC, IDN,SA,TH |
90126-06015 |
from US $1.23 |
||
|
11431A
|
11431A
90331-T0004
Plug, Tight, No.3
[08.2008 - 04.2012] 2TRFE..TGN16..XTR;2TRFE..TGN26..ANCOM..CBU;2TRFE..TGN36..ANCOM..IV3;1TRFE,2TRFE..T GN15,36..CBU;2TRFE..TGN26..LHD..(GCC,GEN,LA,SA);1TRFE,2TRFE..TGN10,11,16..ARL,GCC, IDN,SA,TH (L) |
90331-T0004 |
— | ||
|
11431A
|
11431A
96411-63000 Plug, Tight[08.2008 - 04.2012] 2TRFE..TGN16..XTR;2TRFE..TGN26..ANCOM..CBU;2TRFE..TGN36..ANCOM..IV3;1TRFE,2TRFE..T GN15,36..CBU;2TRFE..TGN26..LHD..(GCC,GEN,LA,SA);1TRFE,2TRFE..TGN10,11,16..ARL,GCC, IDN,SA,TH (J) |
96411-63000 |
from US $3.76 |
||
|
11431B
|
11431B
90331-T0005
Plug, Tight, No.5
[08.2008 - 04.2012] 2TRFE..TGN16..XTR;2TRFE..TGN26..ANCOM..CBU;2TRFE..TGN36..ANCOM..IV3;1TRFE,2TRFE..T GN15,36..CBU;2TRFE..TGN26..LHD..(GCC,GEN,LA,SA);1TRFE,2TRFE..TGN10,11,16..ARL,GCC, IDN,SA,TH (L) |
90331-T0005 |
— | ||
|
11431B
|
11431B
96411-63500 Plug, Tight[08.2008 - 04.2012] 2TRFE..TGN16..XTR;2TRFE..TGN26..ANCOM..CBU;2TRFE..TGN36..ANCOM..IV3;1TRFE,2TRFE..T GN15,36..CBU;2TRFE..TGN26..LHD..(GCC,GEN,LA,SA);1TRFE,2TRFE..TGN10,11,16..ARL,GCC, IDN,SA,TH (J) |
96411-63500 |
from US $3.58 |
||
|
11431C
|
11431C
90331-T0007
Plug, Tight, No.3(For Cylinder Block)
[08.2008 - 08.2011] 1TRFE..TGN10,15 (L) |
90331-T0007 |
— | ||
|
11431C
|
11431C
96411-64000 Plug, Tight, No.2[08.2008 - 08.2011] 1TRFE..TGN10,15 (J) |
96411-64000 |
from US $4.12 |
||
|
11434B
|
11434B
90250-T0018 Pin, Straight(For Clutch Housing Set)[08.2008 - 04.2012] 2TRFE..TGN16..XTR;2TRFE..TGN26..ANCOM..CBU;2TRFE..TGN36..ANCOM..IV3;1TRFE,2TRFE..T GN15,36..CBU;2TRFE..TGN26..LHD..(GCC,GEN,LA,SA);1TRFE,2TRFE..TGN10,11,16..ARL,GCC, IDN,SA,TH L=22,OD=10,(L) |
90250-T0018 |
US $0.98 |
||
|
11434D
|
11434D
90250-T0017
Pin, Straight(For Engine Rear Oil Seal)
[08.2008 - 04.2012] 2TRFE..TGN16..XTR;2TRFE..TGN26..ANCOM..CBU;2TRFE..TGN36..ANCOM..IV3;1TRFE,2TRFE..T GN15,36..CBU;2TRFE..TGN26..LHD..(GCC,GEN,LA,SA);1TRFE,2TRFE..TGN10,11,16..ARL,GCC, IDN,SA,TH L=14,OD=6,(L) |
90250-T0017 |
— | ||
|
11434H
|
11434H
90253-T0005
Pin, Ring (For Timing Belt Cover Set)
[08.2008 - 08.2011] 1TRFE..TGN10,15 (L) |
90253-T0005 |
— | ||
|
11434J
|
11434J
90253-T0007
Pin, Ring (For Cylinder Head Set)
[08.2008 - 04.2012] 2TRFE..TGN16..XTR;2TRFE..TGN26..ANCOM..CBU;2TRFE..TGN36..ANCOM..IV3;1TRFE,2TRFE..T GN15,36..CBU;2TRFE..TGN26..LHD..(GCC,GEN,LA,SA);1TRFE,2TRFE..TGN10,11,16..ARL,GCC, IDN,SA,TH (L) |
90253-T0007 |
— | ||
|
11434Y
|
11434Y
90253-T0006
Pin, Straight(For Oil Pan)
[08.2008 - 08.2010] 1TRFE,2TRFE..TGN1#,26..ARL,GCC,GEN,IDN,TH |
90253-T0006 |
— | ||
|
11444
|
11444
11444-75020 Plug, Hole[08.2008 - 04.2012] 2TRFE..TGN16..XTR;2TRFE..TGN26..ANCOM..CBU;2TRFE..TGN36..ANCOM..IV3;1TRFE,2TRFE..T GN15,36..CBU;2TRFE..TGN26..LHD..(GCC,GEN,LA,SA);1TRFE,2TRFE..TGN10,11,16..ARL,GCC, IDN,SA,TH |
11444-75020 |
US $2.04 |
||
|
11452
|
11452
11409-0C021 Guide, Oil Level Gage[08.2008 - 08.2010] 1TRFE,2TRFE..TGN1#,26..ARL,GCC,GEN,IDN,TH |
11409-0C021 |
US $11.49 |
||
|
11452B
|
11452B
90301-T0025 Ring, O(For Oil Level Gage Guide)[08.2008 - 08.2010] 1TRFE,2TRFE..TGN1#,26..ARL,GCC,GEN,IDN,TH |
90301-T0025 |
US $2.24 |
||
|
11496
|
11496
11496-0C010
Gasket, Oil Hole Cover Plate
[08.2008 - 08.2011] 1TRFE..TGN10,15 (L) |
11496-0C010 |
— | ||
|
12101
|
12101
12101-0C020 Pan Sub-Assy, OilOIL [08.2008 - 08.2010] 1TRFE,2TRFE..TGN1#,26..ARL,GCC,GEN,IDN,TH |
12101-0C020 |
US $124.41 |
||
|
12101A
|
12101A
90341-T0004 Plug(For Oil Pan Drain)[08.2008 - 08.2010] 1TRFE,2TRFE..TGN1#,26..ARL,GCC,GEN,IDN,TH; 2KDFTV..KUN25,35..THDCB ECUADOR & COLOMBIA SPEC,*130 |
90341-T0004 |
US $3.59 |
||
|
12101B
|
12101B
90430-12031 Gasket (For Oil Pan Drain Plug)[08.2008 - 04.2012] 2KDFTV..KUN35..SR..(PHL,SA);2KDFTV..KUN25..GCC,GEN,MA,PKN,SA;2KDFTV..KUN35..DLX..( GEN,PHL,SA,TH);1KDFTV,2KDFTV..KUN1#,26,36..ARL,GCC,GEN,IDN,PHL,SA,TH *163 OR *184; 2TRFE..TGN16..XTR;2TRFE..TGN26..ANCOM..CBU;2TRFE..TGN36..ANCOM..IV3;1 |
90430-12031 |
from US $0.84 |
||
|
12102A
|
12102A
12102-0C020 Pan Sub-Assy, Oil, No.2OIL, NO.2 [08.2008 - 08.2010] 1TRFE,2TRFE..TGN1#,26..ARL,GCC,GEN,IDN,TH |
12102-0C020 |
US $107.33 |
||
|
15301
|
15301
15301-0C010 Gage Sub-Assy, Oil LevelOIL LEVEL [08.2008 - 08.2010] 1TRFE,2TRFE..TGN1#,26..ARL,GCC,GEN,IDN,TH |
15301-0C010 |
US $11.04 |
||
|
15301A
|
15301A
90301-T0018 Ring, O(For Oil Level Gage)O(FOR OIL LEVEL GAGE) [08.2008 - 08.2010] 1TRFE,2TRFE..TGN1#,26..ARL,GCC,GEN,IDN,TH; 2KDFTV..KUN25,35..THDCB ECUADOR & COLOMBIA SPEC,*130 |
90301-T0018 |
US $0.39 |
||
|
15708
|
15708
15708-75010 Nozzle Sub-Assy, Oil, No.1[08.2008 - 04.2012] 2TRFE..TGN16..XTR;2TRFE..TGN26..ANCOM..CBU;2TRFE..TGN36..ANCOM..IV3;1TRFE,2TRFE..T GN15,36..CBU;2TRFE..TGN26..LHD..(GCC,GEN,LA,SA);1TRFE,2TRFE..TGN10,11,16..ARL,GCC, IDN,SA,TH |
15708-75010 |
US $13.98 |
||
| replacement | |||||
|
15708
|
15708
15708-75020 Nozzle Sub-Assy, Oil, No.1[08.2008 - 04.2012] 2TRFE..TGN16..XTR;2TRFE..TGN26..ANCOM..CBU;2TRFE..TGN36..ANCOM..IV3;1TRFE,2TRFE..T GN15,36..CBU;2TRFE..TGN26..LHD..(GCC,GEN,LA,SA);1TRFE,2TRFE..TGN10,11,16..ARL,GCC, IDN,SA,TH |
15708-75020 |
from US $7.20 |
||
|
90105T0140
|
90105T0140
90105-T0140
New Genuine Part
|
90105-T0140 |
— | ||
|
90105T0232
|
90105T0232
90105-T0232
New Genuine Part
|
90105-T0232 |
— | ||
|
90119T0012
|
90119T0012
90119-T0012
BOLT WWSH
|
90119-T0012 |
— | ||
|
90119T0064
|
90119T0064
90119-T0064
BOLTWWSH
|
90119-T0064 |
— | ||
|
90178T0030
|
90178T0030
90178-T0030
New Genuine Part
|
90178-T0030 |
— | ||
|
91631G0614
|
91631G0614
91631-G0614 BOT WWASHER |
91631-G0614 |
from US $0.66 |
||
|
9011006036
|
9011006036
90110-06036 BOLT HEXAGON SOCKET |
90110-06036 |
from US $0.64 |
||
|
9012608037
|
9012608037
90126-08037 Bolt, Stud(For Oil Strainer) |
90126-08037 |
from US $3.69 |
||
|
9017906326
|
9017906326
90179-06326 NUT W-WASHER |
90179-06326 |
from US $0.66 |
||
|
9017908087
|
9017908087
90179-08087 Nut |
90179-08087 |
US $1.79 |
||
|
9155100820
|
9155100820
91551-00820 Bolt, Hexagon (For Rear Spring Seat Bolt) |
91551-00820 |
US $1.43 |
||
|
9155100840
|
9155100840
91551-00840 Bolt (For Transaxle Housing & Transaxle Case Setting) |
91551-00840 |
from US $0.78 |
||
|
9167380614
|
9167380614
91673-80614 BOLT, FLANGE W/WASER |
91673-80614 |
US $1.08 |
||