Cylinder Block ([08.2014 - ] (1408- )2TRFE..ARL,GCC,GEN,TH) Diagram Toyota HILUX/4RUNNER TRUCK
- Year
- 2011 - 2015
- Sales region
- General
- Frame
- TGN11
- grade
- DLX
- ENGINE
- 2TRFE
- DESTINATION
- GCC
- DECK
- SD
- CAB
- SCB
- Model
- HILUX
- From
- 07.2011
- To
- 04.2015
- Gear Shift Type
- 5F
- Vehicle Model
- Hilux
- Driver's Position
- LHD
- Fuel Induction
- HTWC
- Building Condition
- CBU
Difficulties in parts search?
Difficulties in parts search?
| Description | OEM Part # | Price | |||
|---|---|---|---|---|---|
|
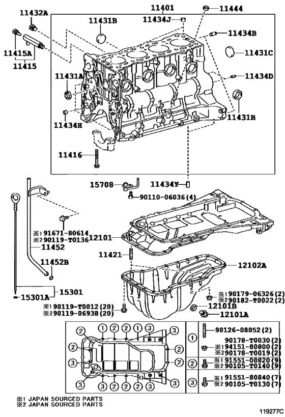
11401
|
11401
11401-09410
Block Sub-Assy, Cylinder
[07.2011 - 04.2014] 2TRFE..TGN11,16,26,36 |
11401-09410 |
— | ||
| replacement | |||||
|
11401
|
11401
11401-09412
Block Sub-Assy, Cylinder
[07.2011 - 04.2014] 2TRFE..TGN11,16,26,36 |
11401-09412 |
— | ||
|
11401
|
11401
11401-09411
Block Sub-Assy, Cylinder
[04.2014 - 08.2014] 2TRFE..TGN11,16,26,36 |
11401-09411 |
— | ||
| replacement | |||||
|
11401
|
11401
11401-09412
Block Sub-Assy, Cylinder
[04.2014 - 08.2014] 2TRFE..TGN11,16,26,36 |
11401-09412 |
— | ||
|
11401
|
11401
11401-09412
Block Sub-Assy, Cylinder
[08.2014 -] 2TRFE..TGN11,16,26,36..ANCOM,ARL,GCC,GEN,TH |
11401-09412 |
— | ||
|
11415
|
11415
90910-09118 Cock Sub-Assy, Water Drain(For Cylinder Block)[12.2011 - 06.2012] 2TRFE..TGN11,16,26,36 (J) |
90910-09118 |
US $6.25 |
||
|
11415
|
11415
90910-T9002
Cock Sub-Assy, Water Drain(For Cylinder Block)
[07.2011 - 12.2011] 2TRFE..TGN11,16,26,36 |
90910-T9002 |
— | ||
|
11415A
|
11415A
90910-09087 Plug, Water Drain Cock(For Cylinder Block)[12.2011 - 06.2012] 2TRFE..TGN11,16,26,36 (J) |
90910-09087 |
from US $3.02 |
||
|
11415A
|
11415A
90910-T9001
Plug, Water Drain Cock(For Cylinder Block)
[07.2011 -] 2TRFE..TGN11,16,26,36..ANCOM,ARL,GCC,GEN,TH (L) |
90910-T9001 |
— | ||
|
11416
|
11416
90910-T2002 Bolt(For Crankshaft Bearing Cap Set)[07.2011 -] 1TRFE,2TRFE..TGN1#,26,36..ANCOM,ARL,GCC,GEN,IDN,TH (L) |
90910-T2002 |
US $5.39 |
||
|
11421
|
11421
90126-06015 Bolt, Stud(For Oil Pan)[07.2011 - 02.2015] 1TRFE,2TRFE..TGN1#,26,36..ARL,GCC,GEN,IDN,TH |
90126-06015 |
from US $1.23 |
||
|
11421
|
11421
90126-06028 Bolt, Stud(For Oil Pan)[02.2015 -] 1TRFE,2TRFE..TGN1#,26,36..ARL,GCC,GEN,IDN,TH |
90126-06028 |
from US $0.64 |
||
|
11431A
|
11431A
90331-T0004
Plug, Tight, No.3
[07.2011 -] 1TRFE,2TRFE..TGN1#,26,36..ANCOM,ARL,GCC,GEN,IDN,TH (L) |
90331-T0004 |
— | ||
|
11431B
|
11431B
90331-T0005
Plug, Tight, No.5
[07.2011 -] 1TRFE,2TRFE..TGN1#,26,36..ANCOM,ARL,GCC,GEN,IDN,TH (L) |
90331-T0005 |
— | ||
|
11431C
|
11431C
90331-T0007
Plug, Tight, No.3(For Cylinder Block)
[07.2011 -] 2TRFE..TGN11,16,26,36..ANCOM,ARL,GCC,GEN,TH (L) |
90331-T0007 |
— | ||
|
11432A
|
11432A
90345-53009 Plug, W/head Taper Screw, No.1[07.2011 -] 2TRFE..TGN11,16,26,36..ANCOM,ARL,GCC,GEN,TH |
90345-53009 |
US $3.14 |
||
|
11434B
|
11434B
90250-T0018 Pin, Straight(For Clutch Housing Set)[07.2011 -] 1TRFE,2TRFE..TGN1#,26,36..ANCOM,ARL,GCC,GEN,IDN,TH L=22,OD=10 |
90250-T0018 |
US $0.98 |
||
|
11434D
|
11434D
90250-T0017
Pin, Straight(For Engine Rear Oil Seal)
[07.2011 -] 1TRFE,2TRFE..TGN1#,26,36..ANCOM,ARL,GCC,GEN,IDN,TH L=14,OD=6 |
90250-T0017 |
— | ||
|
11434H
|
11434H
90253-T0005
Pin, Ring (For Timing Belt Cover Set)
[07.2011 -] 2TRFE..TGN11,16,26,36..ANCOM,ARL,GCC,GEN,TH |
90253-T0005 |
— | ||
|
11434J
|
11434J
90253-T0007
Pin, Ring (For Cylinder Head Set)
[07.2011 -] 1TRFE,2TRFE..TGN1#,26,36..ANCOM,ARL,GCC,GEN,IDN,TH |
90253-T0007 |
— | ||
|
11434Y
|
11434Y
90253-T0006
Pin, Straight(For Oil Pan)
[07.2011 -] 1TRFE,2TRFE..TGN1#,26,36..ANCOM,ARL,GCC,GEN,IDN,TH |
90253-T0006 |
— | ||
|
11444
|
11444
11444-75020 Plug, Hole[07.2011 -] 1TRFE,2TRFE..TGN1#,26,36..ANCOM,ARL,GCC,GEN,IDN,TH |
11444-75020 |
US $2.04 |
||
|
11452
|
11452
11409-0C021 Guide, Oil Level Gage[07.2011 - 04.2015] 1TRFE,2TRFE..TGN1#,26,36..ARL,GCC,GEN,IDN,TH |
11409-0C021 |
US $11.49 |
||
|
11452B
|
11452B
90301-T0025 Ring, O(For Oil Level Gage Guide)[07.2011 -] 1TRFE,2TRFE..TGN1#,26,36..ANCOM,ARL,GCC,GEN,IDN,TH |
90301-T0025 |
US $2.24 |
||
|
12101
|
12101
12101-0C020 Pan Sub-Assy, OilOIL [07.2011 - 12.2011] 1TRFE,2TRFE..TGN1#,26,36..ARL,GCC,GEN,IDN,TH |
12101-0C020 |
US $124.41 |
||
|
12101
|
12101
12101-0C040 Pan Sub-Assy, Oil[02.2015 - 04.2015] 1TRFE,2TRFE..TGN1#,26,36..ARL,GCC,GEN,IDN,TH |
12101-0C040 |
US $132.81 |
||
|
12101
|
12101
12101-75150 Pan Sub-Assy, OilOIL [12.2011 - 06.2012] 1TRFE,2TRFE..TGN1#,26,36 *300 |
12101-75150 |
US $124.74 |
||
|
12101A
|
12101A
90341-12012 Plug(For Oil Pan Drain)[02.2015 - 04.2016] 1TRFE,2TRFE..TGN1#,26,36..ARL,GCC,GEN,IDN,TH |
90341-12012 |
from US $2.87 |
||
| replacement | |||||
|
12101A
|
12101A
90341-T0004 Plug(For Oil Pan Drain)[02.2015 - 04.2016] 1TRFE,2TRFE..TGN1#,26,36..ARL,GCC,GEN,IDN,TH |
90341-T0004 |
US $3.59 |
||
|
12101A
|
12101A
90341-T0004 Plug(For Oil Pan Drain)[07.2011 - 02.2015] 1TRFE,2TRFE..TGN1#,26,36..ARL,GCC,GEN,IDN,TH |
90341-T0004 |
US $3.59 |
||
|
12101B
|
12101B
90430-12031 Gasket (For Oil Pan Drain Plug)[07.2011 -] 1GRFE..GGN15,25,35; 1TRFE,2TRFE..TGN1#,26,36..ANCOM,ARL,GCC,GEN,IDN,TH |
90430-12031 |
from US $0.84 |
||
|
12102A
|
12102A
12102-0C020 Pan Sub-Assy, Oil, No.2OIL, NO.2 [07.2011 - 04.2015] 1TRFE,2TRFE..TGN1#,26,36..ARL,GCC,GEN,IDN,TH |
12102-0C020 |
US $107.33 |
||
|
15301
|
15301
15301-0C010 Gage Sub-Assy, Oil LevelOIL LEVEL [07.2011 - 04.2015] 1TRFE,2TRFE..TGN1#,26,36..ARL,GCC,GEN,IDN,TH |
15301-0C010 |
US $11.04 |
||
|
15301A
|
15301A
90301-T0018 Ring, O(For Oil Level Gage)O(FOR OIL LEVEL GAGE) [07.2011 -] 1TRFE,2TRFE..TGN1#,26,36..ANCOM,ARL,GCC,GEN,IDN,TH |
90301-T0018 |
US $0.39 |
||
|
15708
|
15708
15708-75010 Nozzle Sub-Assy, Oil, No.1[07.2011 - 01.2013] 1TRFE,2TRFE..TGN1#,26,36 |
15708-75010 |
US $13.98 |
||
| replacement | |||||
|
15708
|
15708
15708-75020 Nozzle Sub-Assy, Oil, No.1[07.2011 - 01.2013] 1TRFE,2TRFE..TGN1#,26,36 |
15708-75020 |
from US $7.20 |
||
|
15708
|
15708
15708-75020 Nozzle Sub-Assy, Oil, No.1[01.2013 - 04.2015] 1TRFE,2TRFE..TGN1#,26,36..ARL,GCC,GEN,IDN,TH |
15708-75020 |
from US $7.20 |
||
|
90105T0130
|
90105T0130
90105-T0130
Bolt(For Head To Camshaft Bearing Cap)
|
90105-T0130 |
— | ||
|
90105T0140
|
90105T0140
90105-T0140
New Genuine Part
|
90105-T0140 |
— | ||
|
90119T0012
|
90119T0012
90119-T0012
BOLT WWSH
|
90119-T0012 |
— | ||
|
90119T0136
|
90119T0136
90119-T0136
New Genuine Part
|
90119-T0136 |
— | ||
|
90178T0019
|
90178T0019
90178-T0019 Nut (For Connecting Rod Swivel) |
90178-T0019 |
US $0.92 |
||
|
90178T0030
|
90178T0030
90178-T0030
New Genuine Part
|
90178-T0030 |
— | ||
|
90182T0022
|
90182T0022
90182-T0022
New Genuine Part
|
90182-T0022 |
— | ||
|
9011006036
|
9011006036
90110-06036 BOLT HEXAGON SOCKET |
90110-06036 |
from US $0.64 |
||
|
9011906938
|
9011906938
90119-06938 BOLT WWASHER |
90119-06938 |
from US $0.64 |
||
|
9012608052
|
9012608052
90126-08052 Bolt, Stud(For Oil Pan) |
90126-08052 |
from US $0.78 |
||
|
9017906326
|
9017906326
90179-06326 NUT W-WASHER |
90179-06326 |
from US $0.66 |
||
|
9155100820
|
9155100820
91551-00820 Bolt, Hexagon (For Rear Spring Seat Bolt) |
91551-00820 |
US $1.43 |
||
|
9155180840
|
9155180840
91551-80840 Bolt(For Head To Camshaft Bearing Cap) |
91551-80840 |
US $2.15 |
||
|
9167180614
|
9167180614
91671-80614 Bolt (For Transmission Control Cable Bracket) |
91671-80614 |
from US $0.64 |
||
|
9415180800
|
9415180800
94151-80800 Nut (For Transmission Control Cable) |
94151-80800 |
from US $0.80 |
||