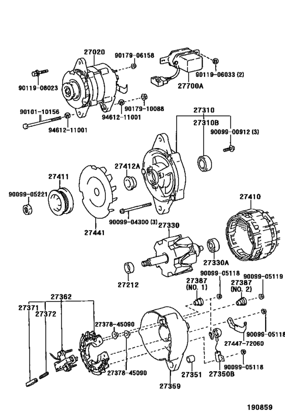
Alternator ([08.1991 - 08.1994] 12V 50A,55A (8904-9108)4Y..YN135 ; (9108-9408)22R..RN13#..DL X) Diagram Toyota HILUX SURF/ 4RUNNER
- Year
- 1991 - 1995
- Sales region
- General
- Frame
- RN135
- grade
- DLX
- ENGINE
- 22R
- TRANSMISSION
- MTM
- DESTINATION
- GEN
- Model
- 4RUNNER
- From
- 08.1991
- To
- 11.1995
- Body
- WG
- Gear Shift Type
- 5F
- Vehicle Model
- 4Runner
- Driver's Position
- LHD
- Fuel Induction
- CBR
- Body
- 4D
- Building Condition
- CBU
Difficulties in parts search?
Difficulties in parts search?
| Description | OEM Part # | Price | |||
|---|---|---|---|---|---|
|
27020
|
27020
27020-34022 Alternator Assy[08.1991 - 08.1994] 22R..RN13#..GEN,V 12V 55A |
27020-34022 |
US $1,033.76 |
||
|
27020
|
27020
27060-35170 Alternator Assy[08.1994 - 09.1999] 22R..RN135..GEN;22R..RN10#,130..LHD 12V 55A |
27060-35170 |
US $1,438.53 |
||
|
27212
|
27212
27412-15150
Ring, Space(For Alternator Rotor)
[08.1991 - 08.1994] 22R..RN13#..GEN,V |
27412-15150 |
— | ||
|
27310
|
27310
27310-34050
Frame Assy, Drive End, Alternator
[08.1991 - 08.1994] 22R..RN13#..GEN,V |
27310-34050 |
— | ||
|
27310
|
27310
27310-35120
Frame Assy, Drive End, Alternator
[08.1994 - 09.1999] 22R..RN135..GEN;22R#..RN10#,130..LHD |
27310-35120 |
— | ||
|
27310B
|
27310B
90099-10125 Bearing(For Alternator Drive End Frame)[08.1991 - 08.1994] 22R..RN10#,13#..(DLX,SR5)..(GEN,V) |
90099-10125 |
from US $8.74 |
||
|
27310B
|
27310B
90099-10199 Bearing(For Alternator Drive End Frame)[08.1994 - 09.1999] 22R#..RN10#,110,13# |
90099-10199 |
from US $19.39 |
||
|
27330
|
27330
27330-63010
Rotor Assy, Alternator
[08.1991 - 08.1994] 22R..RN13#..GEN,V |
27330-63010 |
— | ||
|
27330
|
27330
27330-72101
Rotor Assy, Alternator
[08.1994 - 01.1997] 22R#,3VZE..RN10#,110,13#,VZN130 |
27330-72101 |
— | ||
|
27330A
|
27330A
90099-10116
Bearing(For Alternator Rotor)
[08.1991 - 08.1994] 4Y..YN106;22R..RN10#,13#..(DLX,SR5)..(GEN,V) |
90099-10116 |
— | ||
|
27330A
|
27330A
90099-10140 Bearing(For Alternator Rotor)[08.1994 - 09.1999] 22R#..RN10#,13#;22R,3L,3VZE..LN10#,111,130,RN110,VZN130..ARL |
90099-10140 |
from US $9.43 |
||
|
27350B
|
27350B
90099-52065 Condenser, Alternator[08.1991 - 08.1994] 4Y..YN106;22R..RN105,13#..(DLX,SR5)..(GEN,V) |
90099-52065 |
US $3.31 |
||
| replacement | |||||
|
27350B
|
27350B
90099-52034
Condenser, Alternator
[08.1991 - 08.1994] 4Y..YN106;22R..RN105,13#..(DLX,SR5)..(GEN,V) |
90099-52034 |
— | ||
|
27351
|
27351
27351-38051
Bush(For Alternator Rectifier End Frame)
[08.1991 - 08.1994] 4Y..YN106;22R..RN105,13#..(DLX,SR5)..(GEN,V) |
27351-38051 |
— | ||
|
27359
|
27359
27359-16011
Frame, Alternator Rectifier End
[08.1994 - 01.1996] 22R#..RN10#,110,13# |
27359-16011 |
— | ||
| replacements | |||||
|
27359
|
27359
27359-16012
Frame, Alternator Rectifier End
[08.1994 - 01.1996] 22R#..RN10#,110,13# |
27359-16012 |
— | ||
|
27359
|
27359
27384-16380
Washer
[08.1994 - 01.1996] 22R#..RN10#,110,13# |
27384-16380 |
— | ||
|
27359
|
27359
27359-24100
Frame, Alternator Rectifier End
[08.1991 - 08.1994] 22R..RN13#..GEN,V |
27359-24100 |
— | ||
|
27362
|
27362
27362-34121
Rectifier Assy, W/brush
[08.1991 - 08.1994] 22R..RN13#..GEN,V |
27362-34121 |
— | ||
| replacement | |||||
|
27362
|
27362
27362-63011 Rectifier Assy, W/brush[08.1991 - 08.1994] 22R..RN13#..GEN,V |
27362-63011 |
US $395.98 |
||
|
27371
|
27371
27371-31011 Brush, Alternator[08.1991 - 08.1994] 4Y..YN106;22R..RN10#,13#..(DLX,SR5)..(GEN,V) |
27371-31011 |
from US $2.45 |
||
|
27371
|
27371
27371-70300 Brush, Alternator[08.1994 - 09.1999] 22R#,4Y..RN10#,13#,YN106;22R,3L,3VZE..LN10#,111,130,RN110,VZN130..ARL |
27371-70300 |
from US $2.97 |
||
|
27372
|
27372
27372-31011
Spring, Alternator Brush
[08.1991 - 08.1994] 4Y..YN106;22R..RN10#,13#..(DLX,SR5)..(GEN,V) |
27372-31011 |
— | ||
|
27372
|
27372
27372-63020
Spring, Alternator Brush
[08.1994 - 09.1999] 22R#,4Y..RN10#,13#,YN106;22R,3L,3VZE..LN10#,111,130,RN110,VZN130..ARL |
27372-63020 |
— | ||
| replacement | |||||
|
27372
|
27372
27372-87501
Spring, Alternator Brush
[08.1994 - 09.1999] 22R#,4Y..RN10#,13#,YN106;22R,3L,3VZE..LN10#,111,130,RN110,VZN130..ARL |
27372-87501 |
— | ||
|
27387
|
27387
27387-34022
Insulator, Terminal
[08.1991 - 08.1994] 4Y..YN106;22R..RN10#,13#..(DLX,SR5)..(GEN,V) NO.2 |
27387-34022 |
— | ||
|
27387
|
27387
27387-45110
Insulator, Terminal
[08.1991 - 08.1994] 4Y..YN106;22R..RN10#,13#..(DLX,SR5)..(GEN,V) NO.1 |
27387-45110 |
— | ||
|
27387
|
27387
27387-70170
Insulator, Terminal
[08.1994 - 05.1997] 22R#..RN10#,13#;22R,3L,3VZE..LN10#,111,130,RN110,VZN130..ARL |
27387-70170 |
— | ||
|
27410
|
27410
27410-43040
Stator Assy, Alternator
[08.1991 - 08.1994] 22R,3L..LN13#,RN13#..GEN,V |
27410-43040 |
— | ||
|
27411
|
27411
27411-31042 Pulley, Alternator[08.1991 - 08.1994] 22R..RN10#,13#..(DLX,SR5)..(GEN,V) |
27411-31042 |
US $12.52 |
||
|
27411
|
27411
27411-35062
Pulley, Alternator
[08.1994 - 09.1999] 22R#..RN10#,110,13# |
27411-35062 |
— | ||
|
27412A
|
27412A
27412-31040
Collar Or Nut(For Alternator Drive End Frame)
[08.1991 - 08.1994] 22R..RN10#,13#..(DLX,SR5)..(GEN,V) |
27412-31040 |
— | ||
|
27412A
|
27412A
27412-35100
Collar, Spacer(For Alternator Pulley)
[08.1994 - 09.1999] 22R#..RN10#,110,13# |
27412-35100 |
— | ||
|
27441
|
27441
27441-34030
Fan, Alternator
[08.1991 - 08.1994] 4Y..YN106;22R..RN105,13#..(DLX,SR5)..(GEN,V) |
27441-34030 |
— | ||
|
27700A
|
27700A
27700-63010
Regulator Assy, Generator
[07.1992 - 08.1994] 22R..RN105..V;22R,3L,4Y..LN106,111,13#,RN106,13#,YN106..GEN,V |
27700-63010 |
— | ||
|
27700A
|
27700A
27700-66040 Regulator Assy, Generator[08.1994 - 09.1999] 22R..RN10#,110,13# |
27700-66040 |
US $264.99 |
||
| replacement | |||||
|
27700A
|
27700A
27700-75020 Regulator Assy, Generator[08.1994 - 09.1999] 22R..RN10#,110,13# |
27700-75020 |
from US $153.71 |
||
|
27700A
|
27700A
27700-72030
Regulator Assy, Generator
[08.1991 - 07.1992] 22R..RN105..V;22R,3L,4Y..LN106,111,13#,RN106,13#,YN106..GEN,V |
27700-72030 |
— | ||
| replacement | |||||
|
27700A
|
27700A
27700-63010
Regulator Assy, Generator
[08.1991 - 07.1992] 22R..RN105..V;22R,3L,4Y..LN106,111,13#,RN106,13#,YN106..GEN,V |
27700-63010 |
— | ||
|
2737845090
|
2737845090
27378-45090
Insulator, Alternator, No.1
|
27378-45090 |
— | ||
|
2744772060
|
2744772060
27447-72060
Clip, Alternator Cord
|
27447-72060 |
— | ||
|
9009900912
|
9009900912
90099-00912
New Genuine Part
|
90099-00912 |
— | ||
|
9009904300
|
9009904300
90099-04300
New Genuine Part
|
90099-04300 |
— | ||
|
9009905118
|
9009905118
90099-05118
New Genuine Part
|
90099-05118 |
— | ||
|
9009905119
|
9009905119
90099-05119
New Genuine Part
|
90099-05119 |
— | ||
|
9009905221
|
9009905221
90099-05221
New Genuine Part
|
90099-05221 |
— | ||
|
9010110156
|
9010110156
90101-10156 Bolt(For Alternator) |
90101-10156 |
US $6.99 |
||
|
9011906033
|
9011906033
90119-06033
Bolt
|
90119-06033 |
— | ||
| replacement | |||||
|
9011906033
|
9011906033
90119-06157 Bolt |
90119-06157 |
US $2.33 |
||
|
9011908023
|
9011908023
90119-08023 BOLT |
90119-08023 |
US $2.48 |
||
|
9017906158
|
9017906158
90179-06158 Nut, Rear Wiper Link Pivot, No.2 |
90179-06158 |
from US $0.95 |
||
|
9017910088
|
9017910088
90179-10088 Nut |
90179-10088 |
from US $0.97 |
||
|
9461211001
|
9461211001
94612-11001 Washer, Plate (For Center Support Bearing Housing) |
94612-11001 |
from US $1.08 |
||