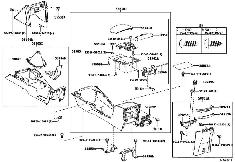
Console Box & Bracket ([11.2015 - ] (1511- )GUN143..5F ; (1511- )GUN142,TGN14# ..LHD..5F) Diagram Toyota INNOVA/ KIJANG/ REVO/ UNSER/ ZACE
- Year
- 2016 - 2018
- Sales region
- General
- Frame
- GUN143
- grade
- 28G
- ENGINE
- 1GDFTV
- TRANSMISSION
- MTM
- PRODUCT
- IDNP
- DESTINATION
- PHL
- Model
- INNOVA
- From
- 08.2016
- Gear Shift Type
- 5F
- Vehicle Model
- INNOVA
- Driver's Position
- LHD
Difficulties in parts search?
Difficulties in parts search?
| Description | OEM Part # | Price | |||
|---|---|---|---|---|---|
|
55539A
|
55539A
55539-KK030-C0 Cover, Spare Switch Hole[11.2015 -] TGN140..IDNP..20G..PHL;GUN143..(28G,28V)..(PHL,TH);TGN140..(PHLP,VNP)..(20E,20G,20 V,N);GUN14#,TGN14#..RHD..(IDNP,INDP)..(20,20E,20G,20Q,20V,24Z,27Z,28Z);GUN142,TGN1 41..(24,24G,24Q,24V,27,27G,27SR,27SRV)..(GCC,IDN,LA,SA) BLACK,TRIM2#,4#; TGN1 |
55539-KK030-C0 |
from US $4.33 |
||
|
58804A
|
58804A
58804-0K110-C0
Panel Sub-Assy, Console, Upper
[11.2015 -] TGN140..RHD..IDNP;TGN140..IDNP..20G..PHL;TGN140..(MAP,PHLP,VNP)..(20E,20G,N);GUN14 3,TGN140..(20V,28G,28V)..(PHL,TH,VN);GUN142,TGN141..(24,24G,24Q,24V,27,27G,27SR,27 SRV)..(GCC,IDN,LA,SA) BLACK,TRIM2#,4# |
58804-0K110-C0 |
— | ||
|
58805C
|
58805C
58805-KK140-C0
Panel Sub-Assy, Console, Upper Rear
[11.2015 -] GUN143..5F..28G..PHL;GUN142,TGN141..5F..(24G,27G)..GCC BLACK,TRIM2#,4# |
58805-KK140-C0 |
— | ||
|
58808
|
58808
58808-KK080-C0
Cover Sub-Assy, Shifting Hole
[11.2015 -] GUN143..5F..28G..PHL;GUN142,TGN141..5F..(24G,27G)..GCC BLACK,TRIM2#,4# |
58808-KK080-C0 |
— | ||
|
58810J
|
58810J
58810-KK050
Box Assy, Console
[08.2016 - 11.2016] GUN143..IDNP..5F..28G |
58810-KK050 |
— | ||
|
58810J
|
58810J
58810-KK050-C1
Box Assy, Console
[11.2016 -] GUN143..5F..28G..PHL;GUN142,TGN141..5F..(24G,27G)..GCC BLACK/BEIGE,TRIM2#,4# |
58810-KK050-C1 |
— | ||
|
58815A
|
58815A
58815-KK010 Carpet, Console Box[11.2015 -] TGN140..20V..VN;TGN140..(20E,20G)..(MA,VN);GUN143,TGN140..(20,20E,20G,20Q,20V,28E, 28G,28V,28Z,N)..(GEN,IDN,IND,PHL,TH);GUN142,TGN141..(5F,6FC)..(24,24G,24Q,24V,24Z, 27,27G,27SR,27SRV,27V,27Z,G,N)..(GCC,IDN,IND,LA,SA) |
58815-KK010 |
US $2.80 |
||
|
58832A
|
58832A
58832-KK090-C0
Garnish, Console Upper Panel, Rear
[11.2015 -] GUN143..28G..(PHL,TH);TGN140..IDNP..20G..PHL;TGN140..(PHLP,VNP)..(20E,20G,N);TGN14 0..RHD..IDNP..(20,20E,20G,20V);GUN142,TGN141..(24,24G,24V,27,27G,27SR,27SRV)..(GCC ,IDN,LA,SA) BLACK,TRIM2#,4# |
58832-KK090-C0 |
— | ||
|
58902C
|
58902C
58902-KK010
Bracket Sub-Assy, Console Box Mounting
[11.2015 -] TGN140..(20E,20G,20V)..VN;GUN142,TGN141..(24,24G,27,27G,27SR,27SRV)..(GCC,IDN,LA,S A);GUN143,TGN140..(20,20E,20G,28E,28G,28V,N)..(GEN,IDN,MA,PHL,TH) |
58902-KK010 |
— | ||
|
58903A
|
58903A
58903-KK070-C2
Panel Sub-Assy, Console Rear End
[11.2015 -] GUN143..28G..(PHL,TH);TGN140..IDNP..20G..PHL;TGN140..(PHLP,VNP)..(20E,20G,N);TGN14 0..RHD..IDNP..(20,20E,20G);GUN142,TGN141..(24,24G,27,27G,27SR,27SRV)..(GCC,IDN,LA, SA) BLACK,TRIM2#,4# |
58903-KK070-C2 |
— | ||
|
58904B
|
58904B
58904-KK050-C1
Cover Sub-Assy, Parking Brake Hole
[11.2015 -] GUN143..(28G,28V)..PHL;TGN140..(PHLP,VNP)..(20E,20G,20V,N);GUN142,TGN14#..LHD..IDN P..(20G,24,24G,27,27G,27SR,27SRV) BLACK,TRIM2#,4# |
58904-KK050-C1 |
— | ||
|
58905
|
58905
58905-KK060
Door Sub-Assy, Console Compartment
[07.2016 - 11.2016] GUN143,TGN140..IDNP..(20G,28G,28V)..PHL |
58905-KK060 |
— | ||
|
58905
|
58905
58905-KK060-C2
Door Sub-Assy, Console Compartment
[11.2016 -] TGN140..20V..VN BLACK/BEIGE,TRIM4#; TGN140..20G..MA BLACK/BEIGE,TRIM2#; GUN143..(28G,28V)..(PHL,TH);GUN142,TGN14#..LHD..(20G,24G,27G,27SRV);GUN142,TGN140. .(20Q,20V,24,24Q,24V)..(IDN,SA) BLACK/BEIGE,TRIM2#,4# |
58905-KK060-C2 |
— | ||
|
58908A
|
58908A
58908-33030 Lock Sub-Assy, Console Compartment Door[11.2015 -] TGN140..20V..VN;TGN140..(20E,20G)..(MA,VN);GUN143,TGN140..(20,20E,20G,20Q,20V,28E, 28G,28V,28Z,N)..(GEN,IDN,IND,PHL,TH);GUN142,TGN141..(5F,6FC)..(24,24G,24Q,24V,24Z, 27,27G,27SR,27SRV,27V,27Z,G,N)..(GCC,IDN,IND,LA,SA) |
58908-33030 |
from US $12.42 |
||
|
58921A
|
58921A
58921-KK040-C0
Panel, Rear Console, Upper
[11.2015 -] TGN140..IDNP..20G..PHL;TGN140..(MAP,PHLP,VNP)..(20E,20G,N);GUN143,TGN140..(20V,28G ,28V)..(PHL,TH,VN);GUN14#,TGN14#..RHD..(IDNP,INDP)..(20,20E,20G,20Q,20V,24Z,27Z,28 Z);GUN142,TGN141..(24,24G,24Q,24V,27,27G,27SR,27SRV)..(GCC,IDN,LA,SA) BLACK,T |
58921-KK040-C0 |
— | ||
|
58925A
|
58925A
58925-KK020-C0
Pocket, Console Box, Rear
[11.2015 -] TGN140..IDNP..20G..PHL;GUN143..(28G,28V)..(PHL,TH);TGN140..(PHLP,VNP)..(20E,20G,20 V,N);GUN14#,TGN14#..RHD..(20,20E,20G,24Z,27Z,28Z);GUN142,TGN141..(24,24G,27,27G,27 SR,27SRV)..(GCC,IDN,LA,SA) BLACK,TRIM2#,4# |
58925-KK020-C0 |
— | ||
|
58951D
|
58951D
58951-KK050
Door, Console Compartment, Outer
[07.2016 - 11.2016] GUN143,TGN140..IDNP..(20G,28G,28V)..PHL |
58951-KK050 |
— | ||
|
58951D
|
58951D
58951-KK050-C2
Door, Console Compartment, Outer
[11.2016 -] TGN140..20V..VN BLACK/BEIGE,TRIM4#; TGN140..20G..MA BLACK/BEIGE,TRIM2#; GUN143..(28G,28V)..(PHL,TH);GUN142,TGN14#..LHD..(20G,24G,27G,27SRV);GUN142,TGN140. .(20Q,20V,24,24Q,24V)..(IDN,SA) BLACK/BEIGE,TRIM2#,4# |
58951-KK050-C2 |
— | ||
|
58958
|
58958
58958-KK030-C0
Cover, Console Compartment Door Moulding
[11.2015 -] TGN140..IDNP..20G..PHL;TGN140..(MAP,PHLP,VNP)..(20E,20G,N);GUN143,TGN140..(20V,28G ,28V)..(PHL,TH,VN);GUN14#,TGN14#..RHD..(IDNP,INDP)..(20,20E,20G,20Q,20V,24Z,27Z,28 Z);GUN142,TGN141..(24,24G,24Q,24V,27,27G,27SR,27SRV)..(GCC,IDN,LA,SA) BLACK,T |
58958-KK030-C0 |
— | ||
|
58959B
|
58959B
58959-60060 Cushion, Instrument Panel[11.2015 -] TGN140..20V..VN;TGN140..(20E,20G)..(MA,VN);GUN143,TGN140..(20,20E,20G,20Q,20V,28E, 28G,28V,28Z,N)..(GEN,IDN,IND,PHL,TH);GUN142,TGN141..(5F,6FC)..(24,24G,24Q,24V,24Z, 27,27G,27SR,27SRV,27V,27Z,G,N)..(GCC,IDN,IND,LA,SA) |
58959-60060 |
from US $1.21 |
||
|
58961A
|
58961A
58961-KK020-C0
Hinge, Console Compartment Door Male
[11.2015 -] TGN140..IDNP..20G..PHL;GUN143..(28G,28V)..(PHL,TH);TGN140..(PHLP,VNP)..(20E,20G,20 V,N);GUN14#,TGN14#..RHD..(IDNP,INDP)..(20,20E,20G,20Q,20V,24Z,27Z,28Z);GUN142,TGN1 41..(24,24G,24Q,24V,27,27G,27SR,27SRV)..(GCC,IDN,LA,SA) BLACK,TRIM2#,4# |
58961-KK020-C0 |
— | ||
|
58966
|
58966
58966-KK010
Shaft, Box Door Hinge
[11.2015 -] TGN140..20V..VN;TGN140..(20E,20G)..(MA,VN);GUN143,TGN140..(20,20E,20G,20Q,20V,28E, 28G,28V,28Z,N)..(GEN,IDN,IND,PHL,TH);GUN142,TGN141..(5F,6FC)..(24,24G,24Q,24V,24Z, 27,27G,27SR,27SRV,27V,27Z,G,N)..(GCC,IDN,IND,LA,SA) |
58966-KK010 |
— | ||
|
58995A
|
58995A
58995-KK020
Bracket, Console Box Mounting, No.1
[11.2015 -] GUN143..5F..PHL;GUN142,TGN14#..5F..(20E,20G,20Q,20V,24,24G,24Q,24V,24Z,27,27G,27SR ,27V,G,N) |
58995-KK020 |
— | ||
|
58996A
|
58996A
58996-KK020
Bracket, Console Box Mounting, No.2
[11.2015 -] TGN140..20V..VN;TGN140..(20E,20G)..(MA,VN);GUN143,TGN140..(20,20E,20G,20Q,20V,28E, 28G,28V,28Z,N)..(GEN,IDN,IND,PHL,TH);GUN142,TGN141..(5F,6FC)..(24,24G,24Q,24V,24Z, 27,27G,27SR,27SRV,27V,27Z,G,N)..(GCC,IDN,IND,LA,SA) |
58996-KK020 |
— | ||
|
90119T0314
|
90119T0314
90119-T0314
New Genuine Part
|
90119-T0314 |
— | ||
|
90159T0014
|
90159T0014
90159-T0014
SCREW WWASHER TAPP
|
90159-T0014 |
— | ||
|
90167T0007
|
90167T0007
90167-T0007 Screw,pan Tapping |
90167-T0007 |
from US $0.21 |
||
|
90167T0012
|
90167T0012
90167-T0012
Direct
|
90167-T0012 |
— | ||
| replacement | |||||
|
90167T0012
|
90167T0012
93568-55014 Screw |
93568-55014 |
from US $0.49 |
||
|
90167T0022
|
90167T0022
90167-T0022
New Genuine Part
|
90167-T0022 |
— | ||
|
9046710201
|
9046710201
90467-10201 Clip, Cover Sub-Assy, Position Indicator Housing |
90467-10201 |
from US $1.07 |
||
|
9046710203
|
9046710203
90467-10203 Direct |
90467-10203 |
from US $0.64 |
||
|
9167380616
|
9167380616
91673-80616 Bolt, W/washer |
91673-80616 |
from US $0.64 |
||
|
9352054014
|
9352054014
93520-54014 New Genuine Part |
93520-54014 |
US $0.52 |
||
|
9354054012
|
9354054012
93540-54012 Screw, Headlamp |
93540-54012 |
US $1.61 |
||
|
9356014012
|
9356014012
93560-14012 SCREW |
93560-14012 |
US $1.25 |
||
|
9616000500
|
9616000500
96160-00500 Ring, E(For Over Center Lever) |
96160-00500 |
from US $1.01 |
||