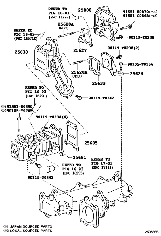
Exhaust Gas Recirculation System ([11.2015 - ] EGR VALVE (1511- )1GDFTV,2GDFTV..GCC,IND,PHL,SA,TH) Diagram Toyota INNOVA/ KIJANG/ REVO/ UNSER/ ZACE

Year
2016 - 2018
Sales region
General
Frame
GUN143
grade
28G
ENGINE
1GDFTV
TRANSMISSION
MTM
PRODUCT
IDNP
DESTINATION
PHL
Model
INNOVA
From
08.2016
Gear Shift Type
5F
Vehicle Model
INNOVA
Driver's Position
LHD

Difficulties in parts search?

Parts list
Exhaust Gas Recirculation System

Difficulties in parts search?

Exhaust Gas Recirculation System
Description OEM Part # Price
90105T0156
90105T0156
90105-T0156
New Genuine Part

90105-T0156

90105T0265
90105T0265
90105-T0265
New Genuine Part

90105-T0265

replacement
90105T0265
90105T0265

91551-80890

BOLT FLANGE

91551-80890

US $2.15

90119T0238
90119T0238
90119-T0238
New Genuine Part

90119-T0238

90119T0342
90119T0342
90119-T0342
Bolt (For Transmission Control Cable Bracket)

90119-T0342

91551G0865
91551G0865

91551-G0865

Bolt(For Camshaft Bearing Cap To Housing Rh, No.2)

91551-G0865

US $1.79

9155180870
9155180870

91551-80870

Bolt(For Cylinder Head Cover)

91551-80870

from US $1.07

9155180890
9155180890

91551-80890

BOLT FLANGE

91551-80890

US $2.15

Exhaust Gas Recirculation System ([11.2015 - ] EGR VALVE (1511- )1GDFTV,2GDFTV..GCC,IND,PHL,SA,TH) Diagram Toyota INNOVA/ KIJANG/ REVO/ UNSER/ ZACE General 18021110-935896