Heating & Air Conditioning - Cooler Unit ([11.1984 - ] (8411- )EUR,GEN,ME) Diagram Toyota LAND CRUISER
- Year
- 1984 - 1987
- Sales region
- General
- Frame
- BJ60
- body
- WGV
- Roof
- SRF
- ENGINE
- 3B
- TRANSMISSION
- MTM
- DESTINATION
- GEN
- Model
- LAND CRUISER 60
- From
- 11.1984
- To
- 08.1987
- Gear Shift Type
- 5F
- Vehicle Model
- Land Cruiser
- Back Door
- SOB
- Driver's Position
- LHD
- Fuel Induction
- DSL
Difficulties in parts search?
Difficulties in parts search?
| Description | OEM Part # | Price | |||
|---|---|---|---|---|---|
|
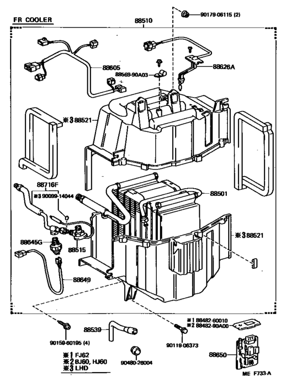
88501
|
88501
88501-90A01
Evaporator Sub-Assy, Cooler, No.1
[08.1980 - 11.1984] BJ60,FJ60,HJ60..LHD..GEN |
88501-90A01 |
— | ||
| replacement | |||||
|
88501
|
88501
88501-90A07
Evaporator Sub-Assy, Cooler, No.1
[08.1980 - 11.1984] BJ60,FJ60,HJ60..LHD..GEN |
88501-90A07 |
— | ||
|
88501
|
88501
88501-90A03
Evaporator Sub-Assy, Cooler, No.1
[11.1984 - 04.1986] HJ60..LHD..SRF..LUB..EUR FR; BJ60,FJ62,HJ60..LHD..(GEN,ME) FR |
88501-90A03 |
— | ||
| replacement | |||||
|
88501
|
88501
88501-90A07
Evaporator Sub-Assy, Cooler, No.1
[11.1984 - 04.1986] HJ60..LHD..SRF..LUB..EUR FR; BJ60,FJ62,HJ60..LHD..(GEN,ME) FR |
88501-90A07 |
— | ||
|
88501
|
88501
88501-90A07
Evaporator Sub-Assy, Cooler, No.1
[04.1986 - 08.1987] HJ61..LUB..EUR;HJ60..HRF..LUB..EUR FR; BJ60,FJ62,HJ60..LHD..(GEN,ME) FR |
88501-90A07 |
— | ||
|
88510
|
88510
88510-90A01
Unit Assy, Cooler
[08.1980 - 11.1984] BJ60,FJ60,HJ60..LHD..GEN |
88510-90A01 |
— | ||
|
88510
|
88510
88510-90A04
Unit Assy, Cooler
[11.1984 - 08.1987] BJ60,FJ62,HJ60..LHD..(GEN,ME) FR |
88510-90A04 |
— | ||
|
88510
|
88510
88510-90A05
Unit Assy, Cooler
[11.1984 - 10.1985] BJ60,FJ62,HJ60..LHD..(GEN,ME) W/BOOST VENTILATOR,FR |
88510-90A05 |
— | ||
|
88515
|
88515
88515-20040 Valve, Cooler Expansion[08.1980 - 11.1984] BJ60,FJ60,HJ60..GEN FR |
88515-20040 |
US $119.39 |
||
| replacement | |||||
|
88515
|
88515
88515-16031 Valve, Cooler Expansion[08.1980 - 11.1984] BJ60,FJ60,HJ60..GEN FR |
88515-16031 |
US $121.36 |
||
|
88515
|
88515
88515-87004
Valve, Cooler Expansion
[10.1985 - 08.1987] BJ60,FJ62,HJ60..GEN,ME FR; HJ61..LUB..EUR;HJ60..HRF..LUB..EUR FR |
88515-87004 |
— | ||
|
88539
|
88539
88539-90A00
Hose, Cooler Unit Drain, No.1
[08.1980 - 08.1987] BJ60,FJ6#,HJ6#..ARL,GEN,ME FR |
88539-90A00 |
— | ||
|
88605
|
88605
88605-90A08
Harness Sub-Assy, Cooler Wiring, No.1
[08.1980 - 11.1984] BJ60..LHD; HJ60..RHD..(ARL,GEN) |
88605-90A08 |
— | ||
|
88605
|
88605
88605-90A09
Harness Sub-Assy, Cooler Wiring, No.1
[11.1984 - 08.1987] BJ60,FJ62,HJ6#..ARL,GEN,ME FR |
88605-90A09 |
— | ||
|
88605
|
88605
88605-90A10
Harness Sub-Assy, Cooler Wiring, No.1
[11.1984 - 08.1987] HJ60..SOB..GEN;HJ60..LHD..GEN;BJ60,FJ62..GEN,ME W/BOOST VENTILATOR,FR |
88605-90A10 |
— | ||
|
88626A
|
88626A
88626-90A01
Holder, Thermistor
[08.1980 - 08.1987] BJ60,FJ6#,HJ60..LHD..(GEN,ME) |
88626-90A01 |
— | ||
|
88645G
|
88645G
88645-22020
Switch, Pressure
[08.1980 - 08.1985] BJ60,FJ6#,HJ60..ARL,GEN,ME |
88645-22020 |
— | ||
| replacement | |||||
|
88645G
|
88645G
88645-30250
Switch, Pressure
[08.1980 - 08.1985] BJ60,FJ6#,HJ60..ARL,GEN,ME |
88645-30250 |
— | ||
|
88645G
|
88645G
88645-30250
Switch, Pressure
[08.1985 - 08.1987] BJ60,FJ62,HJ6#..ARL,GEN,ME |
88645-30250 |
— | ||
|
88649
|
88649
88648-90A00
Wiring, Cooler, No.1
[08.1980 - 08.1987] BJ60,FJ6#,HJ6#..ARL,GEN,ME |
88648-90A00 |
— | ||
|
88650
|
88650
88650-60030
Amplifier Assy, Cooler Stabilizer
[08.1980 - 11.1984] BJ60,HJ60..ARL,GEN |
88650-60030 |
— | ||
|
88650
|
88650
88650-90A03
Amplifier Assy, Cooler Stabilizer
[11.1984 - 08.1987] BJ60,HJ6#..ARL,GEN,ME |
88650-90A03 |
— | ||
|
88716F
|
88716F
88716-90A05
Pipe, Cooler Refrigerant Liquid, F
[08.1980 - 11.1984] BJ60,FJ60,HJ60..LHD..GEN FR |
88716-90A05 |
— | ||
| replacement | |||||
|
88716F
|
88716F
88716-90A27
Pipe, Cooler Refrigerant Liquid, F
[08.1980 - 11.1984] BJ60,FJ60,HJ60..LHD..GEN FR |
88716-90A27 |
— | ||
|
88716F
|
88716F
88716-90A27
Pipe, Cooler Refrigerant Liquid, F
[11.1984 - 08.1987] BJ60,FJ62,HJ60..LHD..(GEN,ME) FR |
88716-90A27 |
— | ||
|
8848290A00
|
8848290A00
88482-90A00
Cap, Cooler
|
88482-90A00 |
— | ||
|
8856990A03
|
8856990A03
88569-90A03
Clamp (for Cooler Relay)
|
88569-90A03 |
— | ||
|
8848260010
|
8848260010
88482-60010
Cap, Cooler
|
88482-60010 |
— | ||
|
9009914044
|
9009914044
90099-14044 Ring, O(For Cooler Refrigerant Liquid Hose) |
90099-14044 |
US $0.70 |
||
|
9011906373
|
9011906373
90119-06373 New Genuine Part |
90119-06373 |
US $1.79 |
||
|
9015960195
|
9015960195
90159-60195 New Genuine Part |
90159-60195 |
US $0.52 |
||
|
9017906115
|
9017906115
90179-06115 Nut (For Rear Wiper Arm Setting) |
90179-06115 |
US $2.15 |
||
|
9048026004
|
9048026004
90480-26004 Grommet, Heater Hose |
90480-26004 |
US $1.12 |
||