Heating & Air Conditioning - Set ([08.1980 - ] (8008- )) Diagram Toyota LAND CRUISER

Year
1984 - 1987
Sales region
General
Frame
BJ60
body
WGV
Roof
SRF
ENGINE
3B
TRANSMISSION
MTM
DESTINATION
GEN
Model
LAND CRUISER 60
From
11.1984
To
08.1987
Gear Shift Type
5F
Vehicle Model
Land Cruiser
Back Door
SOB
Driver's Position
LHD
Fuel Induction
DSL

Difficulties in parts search?

Parts list
Heating & Air Conditioning - Set

Difficulties in parts search?

Heating & Air Conditioning - Set
Description OEM Part # Price
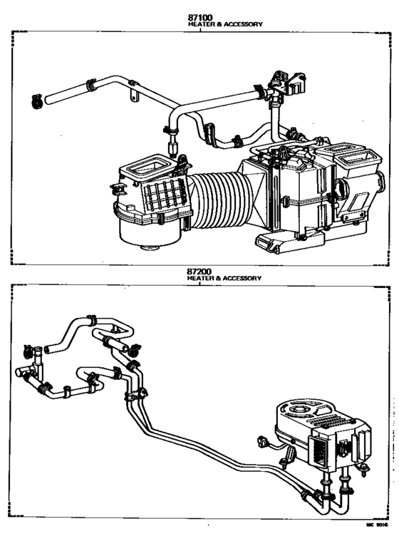
87100
87100
87100-90A03
Heater And Accessory Assy

[08.1980 - 11.1984] BJ60..LHD 24V

87100-90A03

87100
87100
87100-90A07
Heater And Accessory Assy

[08.1980 - 11.1984] BJ60..LHD 12V

87100-90A07

87200
87200
87200-90A08
Heater & Accessory, Rear

[10.1982 - 11.1984] BJ60 12V

87200-90A08

87200
87200
87200-90A09
Heater & Accessory, Rear

[10.1982 - 11.1984] BJ60 24V

87200-90A09

87200
87200
87200-90A21
Heater & Accessory, Rear

[10.1985 - 08.1987] BJ60..LHD..GEN 12V,W/SEPARATE SEAT

87200-90A21

Heating & Air Conditioning - Set ([08.1980 - ] (8008- )) Diagram Toyota LAND CRUISER General 18027479-936688